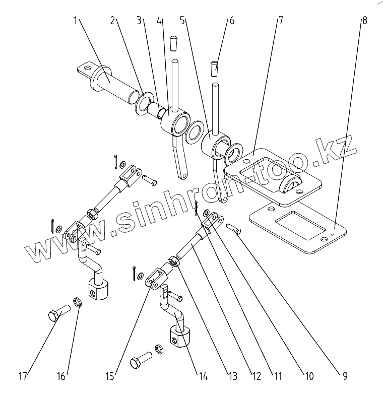
Каталог запасных частей к технике: DongFeng 404G2. Multiple Directional Control Valve Operation Mechanism
1
2
3
4
5
6
7
8
9
10
11
12
13
14
15
16
17
| Позиция на иллюстрации | Заводской номер детали | Название детали | |
|---|---|---|---|
| 1 | 504G3-3.51.041 | Fixed axis(1) | |
| 2 | 504G3-3.51.161 | Nylon washer | |
| 3 | 504G3.55.218 | Sleeve(20x20) | |
| 4 | 404G2-E.58.023 | Left control rod weldment | |
| 5 | 404G2-E.58.024 | Right control rod weldment | |
| 6 | 504G3-3.51.231 | Control handle | |
| 7 | 504G3-3.51.040 | Fixed board(1) | |
| 8 | 504G3-3.51.107 | Sealing gasket(4) | |
| 9 | .GB/T882-1986-B5x20 | Clevis pin with head B5x20 | |
| 10 | GB/T97.1-2002-5 | Plain washer 5 | |
| 11 | GB/T971-2000-2x16 | Split pin 2x16 | |
| 12 | 404G2-6D.58A.026 | Connecting rod | |
| 13 | GB/T 6170-2000-M8 | Hex. nut M8 | |
| 14 | 404G2-E.58.022 | Manipulate lever weldment | |
| 15 | 504G3.55A.141 | Fork | |
| 16 | GB/T 93-1987-8 | spring lock washer 8 | |
| 17 | GB/T 5783-2000-M8x25 | Hex.head bolt M8x25 |
Содержащиеся в справочниках-каталогах запасные части и детали не предлагаются к продаже, а носят исключительно информационный характер