Каталог запасных частей к технике: DongFeng 304G2. Cylinder Block and Gear Case Assembly
1
2
3
3
3
4
5
6
7
8
8
8
8
8
8
8
8
8
8
8
8
8
8
8
8
9
9
9
9
9
9
9
9
9
9
10
11
12
12
13
14
15
16
17
18
19
20
21
22
23
24
25
26
27
28
29
30
30
30
31
32
33
34
35
36
37
38
39
40
41
42
43
44
45
46
47
48
49
50
51
52
52
53
54
55
56
57
58
59
60
61
62
63
64
65
66
67
68
69
70
71
72
73
74
75
76
77
78
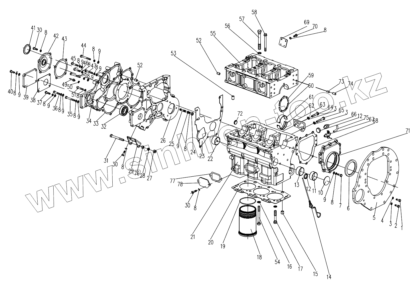
| Позиция на иллюстрации | Заводской номер детали | Название детали | |
|---|---|---|---|
| 1 | GB/T5782-2000-M10x25 | Bolt M10x25 | |
| 2 | GB/T5782-2000-M12x25 | Bolt M12x25 | |
| 3 | GB/T859-1987-12 | Washer 12 | |
| 4 | GB/T859-1987-10 | Washer 10 | |
| 5 | N390T-03012F | Flywheel housing | |
| 6 | HG4-692-67-DL85x110x12 | Oil seal DL85x110x12 | |
| 7 | GB/T5783-2000-M8x25 | Hex. head bolt M8x25 | |
| 8 | GB/T859-1987-8 | Washer 8 | |
| 9 | GB/T848-1985-8 | Washer 8 | |
| 10 | N85-03108 | Expansion plug | |
| 11 | 4L88-031009A | Camshaft rear bushing | |
| 12 | N85-03102 | Expansion plug30 | |
| 13 | 4L88-031012 | Camshaft middle bushing | |
| 14 | N390T-03301A | Oil dipstick | |
| 15 | N85-03017 | Cylinder head locating sleeve | |
| 16 | N85-03014 | Cylinder head bolt washer | |
| 17 | N85-03015-2 | Long cylinder head bolt | |
| 18 | ZN390TE-03003 | Cylinder liner | |
| 19 | N90-03002 | Water seal ring | |
| 20 | ZN390TE-03013 | Cylinder head gasket | |
| 21 | N390T-03101 | Cylinder block | |
| 22 | 4L88-031012(A) | Camshaft bushing | |
| 23 | N85-12001 | Gear case gasket | |
| 24 | GB/T6170-2000-M8 | Hex. Nut M8 | |
| 25 | GB/T899-1988-M8x35 | Bolt M8x35 | |
| 26 | N85T-12002 | Gear case | |
| 27 | GB/T6170-2000-M10 | Hex .nut M10 | |
| 28 | GB/T93-1987-10 | Spring lock washer 10 | |
| 29 | N390T-12007(C) | Generator bracket | |
| 30 | GB/T5782-2000-M8x20 | Bolt M8x20 | |
| 31 | GB/T5782-2000-M10x90 | Hex. head bolt M10x90 | |
| 32 | GB/T276-1982-6007 | Bearing 6007 | |
| 33 | N85T-12003 | Gear case cover gasket | |
| 34 | N85T-12004 | Gear case cover | |
| 35 | GB/T5782-2000-M8x65 | Bolt M8x65 | |
| 36 | GB/T5782-2000-M8x40 | Bolt M8x40 | |
| 37 | GB/T5782-2000-M8x30 | Bolt M8x30 | |
| 38 | N85T-12010 | Hydraulic pump cover gasket | |
| 39 | N85T-12009 | Hydraulic pump cover | |
| 40 | GB/T5782-2000-M8x25 | Bolt M8x25 | |
| 41 | GB/T9877-2008-DR52x72x12 | Oil seal DR52x72x12 | |
| 42 | N485T-12005 | Gear case front cover | |
| 43 | N485T-12006 | Gear case front cover gasket | |
| 44 | GB/T5782-2000-M8x80 | Hex. head bolt M8x80 | |
| 45 | GB/T5782-2000-M8x45 | Bolt M8x45 | |
| 46 | GB/T70-1985-M8x55 | Inner hexagon cylindrical bolt M8x55 | |
| 47 | GB/T5782-2000-M8x50 | Bolt M8x50 | |
| 48 | GB/T5782-2000-M8x75 | Hex. head bolt M8x75 | |
| 49 | N85T-12008 | T.D.C. pointer | |
| 50 | GB/T859-1987-6 | Washer 6 | |
| 51 | GB/T70-1985-M8x20 | Inner hexagon cylindrical bolt M8x20 | |
| 52 | N85-03001 | Gear case locating sleeve | |
| 53 | N85T-03110 | Dowel pin | |
| 54 | N85-03016-2 | Short cylinder head bolt | |
| 55 | N390T-03115 | Monolithic main shaft cover | |
| 56 | N85-03105 | Main shaft cover bolt washer | |
| 57 | N85T-03107 | Main shaft cover bolt | |
| 58 | N85T-03108 | Main bearing cap bolt | |
| 59 | N85-03007 | Crankshaft thrust plate (lower) | |
| 60 | N85-03009 | Crankshaft thrust plate (upper) | |
| 61 | N85-03006 | Main bearing shell (lower) | |
| 62 | N85-03008 | Main bearing shell (upper) | |
| 63 | N85T-03020 | Lubricating oil filter gasket | |
| 64 | GB/T5782-2000-M10x35 | Bolt M10x35 | |
| 65 | GB/T5782-2000-M10x70 | Bolt M10x70 | |
| 66 | N85-03004 | Oil pressure sensor | |
| 67 | ZN390TE-03200 | Water draining cock | |
| 68 | N85T-03005 | Rear oil seal cover gasket | |
| 69 | N390T-03024C | Fuel filter support | |
| 70 | GB/T5783-2000-M8x20 | Hex. head bolt M8x20 | |
| 71 | N85T-03010 | Rear oil seal cover | |
| 72 | N85-03111 | Blocking plug | |
| 73 | GB/T119-2000-B8x16 | Pin B8x16 | |
| 74 | GB/T119-2000-B10x22 | Clevis pin with head B10x22 | |
| 75 | ZN390T-03202 | Water draining cock pipe | |
| 76 | CZ475Q-120009 | Generator bracket cushion | |
| 77 | N85-19005 | Push-rod chamber cover gasket | |
| 78 | ZN390TE-03025B | Push-rod chamber cover |
Содержащиеся в справочниках-каталогах запасные части и детали не предлагаются к продаже, а носят исключительно информационный характер