Каталог запасных частей к технике: DongFeng 254G2. Sandwich Multiole Control Valve
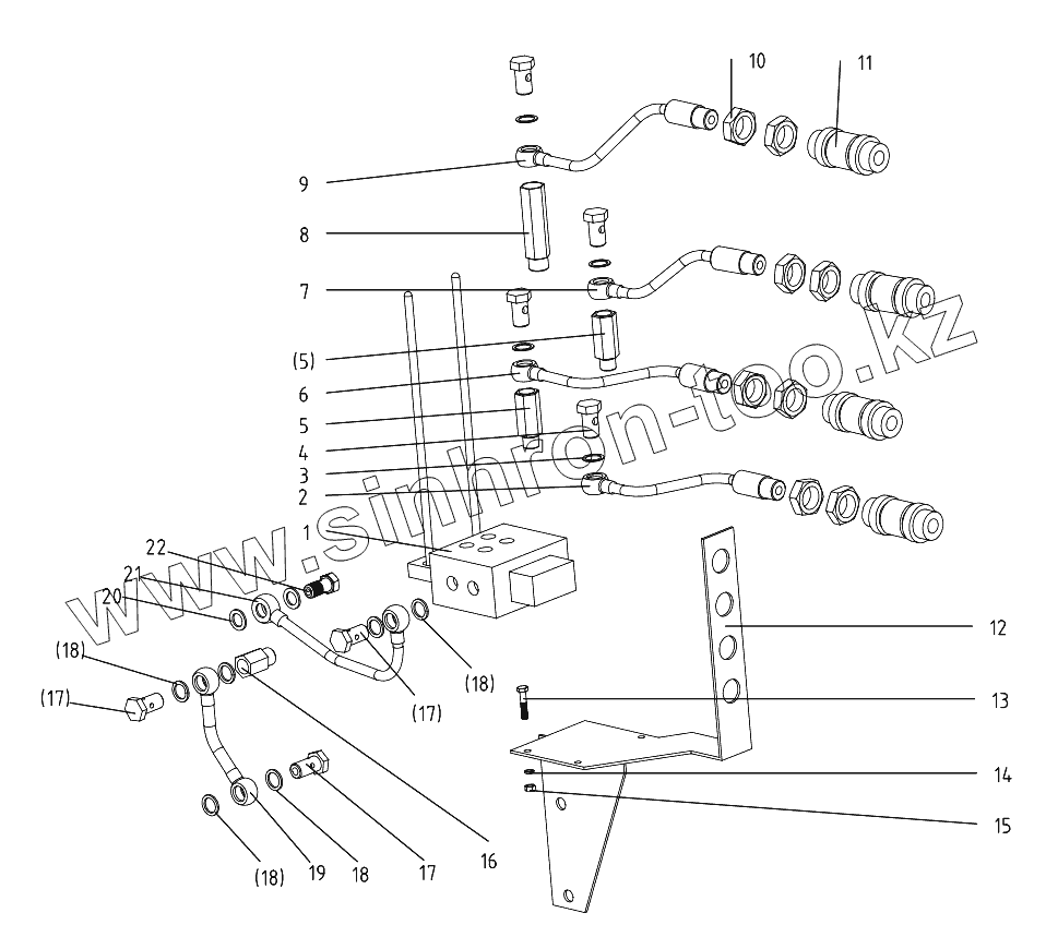
1
2
3
4
5
5
6
7
8
9
10
11
12
13
14
15
16
17
17
17
18
18
18
18
19
20
21
22
| Позиция на иллюстрации | Заводской номер детали | Название детали | |
|---|---|---|---|
| 1 | ZD-L10E-W-00-1 | Sandwich Multiole Control Val | |
| 2 | 304G2-6.61.025 | Out-let pipe (2) | |
| 3 | 354.61.102 | Washer | |
| 4 | 354.61.101 | Hollow bolt | |
| 5 | 254-1.61.101 | Inlet pipe connect | |
| 6 | 304G2-6.61.023 | Inlet pipe (2) | |
| 7 | 304G2-6.61.021 | Out-let pipe (1) | |
| 8 | 304G2-6.61.118 | Inlet pipe connect | |
| 9 | 304G2-6.61.019 | Inlet pipe (1) | |
| 10 | GB/T6173-2000-M24x2 | Hex. nut M24x2 | |
| 11 | Quick change NPT1/2'' | Quick change NPT1/2'' | |
| 12 | 304G2-6.61.011 | Connecting plant weldment | |
| 13 | GB/T27-1988-M6x55 | Hex. head bolt M6x55 | |
| 14 | GB/T93-1987-6 | Spring lock washer 6 | |
| 15 | GB/T6170-2000-M6 | Hex. Nut M6 | |
| 16 | 254G2.61.103 | Connector | |
| 17 | GB/T3541-1983-M16x1.5 | Plug M16x1.5 | |
| 18 | JB982-1977-16 | Washer 16 | |
| 19 | 254G2.61.011 | Return pipe weldment | |
| 20 | JB982-1977-14 | Washer 14 | |
| 21 | 254G2.61.013 | Distributor inlet pipe | |
| 22 | 200.55.124 | Hollow bolt M14x1.5 |
Содержащиеся в справочниках-каталогах запасные части и детали не предлагаются к продаже, а носят исключительно информационный характер