Каталог запасных частей к технике: DongFeng 224G3. РЎlutch
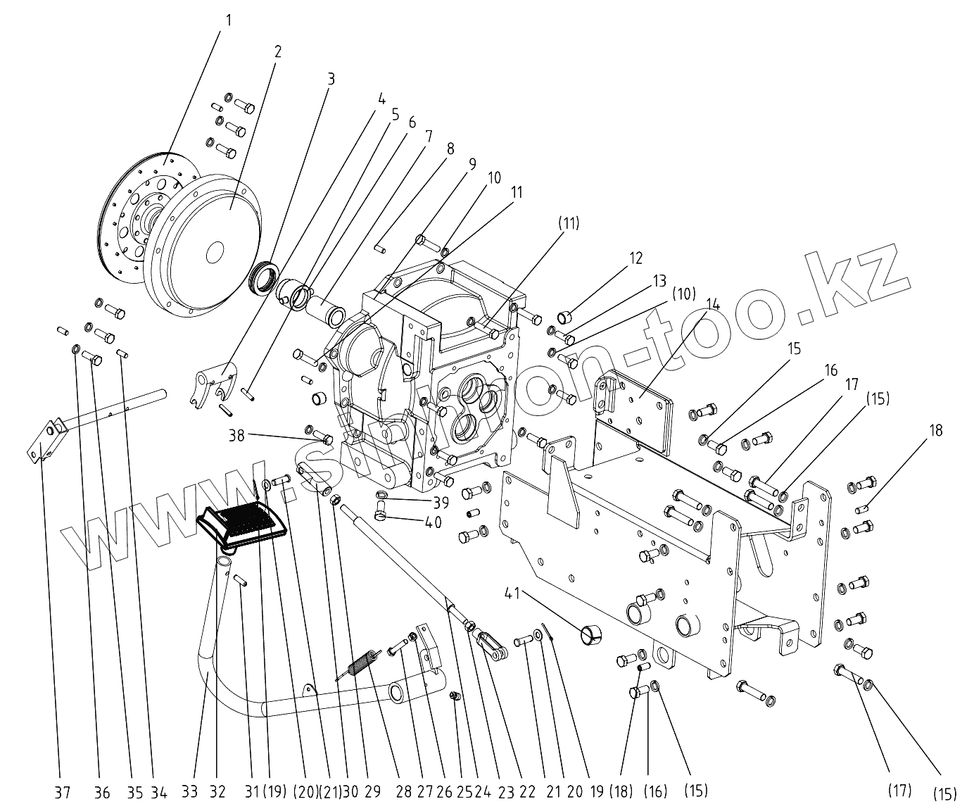
1
2
3
4
5
6
7
8
9
10
10
11
11
12
13
14
15
15
15
15
16
16
17
17
18
18
19
19
20
20
21
21
22
23
24
25
26
27
28
29
30
31
32
33
34
35
36
37
38
39
40
| Позиция на иллюстрации | Заводской номер детали | Название детали | |
|---|---|---|---|
| 1 | 254G3.21.012 | Driven plate, clutch | |
| 2 | 254G3.21.013 | Pressure plate and cover, clutch | |
| 3 | 996708K | Release bearing | |
| 4 | 254G3.21.106 | Release fork | |
| 5 | GB/T879.3-2000-6x30 | Parallel pin 6x30 | |
| 6 | 254G3.21.103 | Release bearing seat | |
| 7 | 254G3.21.110 | Bearing seat | |
| 8 | GB/T119.2-2000-10x22 | Parallel pin B10x22 | |
| 9 | 254G3.21.101 | Clutch case | |
| 10 | GB/T93-1987 | Шайба 16 Zn.D | |
| 11 | GB/T5783-2000-M10x45 | Hex. head bolt M10x45 | |
| 12 | 254G3.21.111 | Separate shaft bush | |
| 13 | GB/T5783-2000-M10x30 | Hex. head bolt M10x30 | |
| 14 | 254G3.21.018-1 | Automotive frame | |
| 15 | GB/T93-1987-12 | Spring lock washer 12 | |
| 16 | GB/T5783-2000-M12x25 | Hex. head bolt M12x25 | |
| 17 | GB/T5783-2000-M12x45 | Hex. head bolt M12x45 | |
| 18 | GB/T120.1-2000-10x22 | Parallel pin 10x22 | |
| 19 | GB/T91-2000-3.2x25 | Split pin 3.2x25 | |
| 20 | GB/T97.1-2002-10 | Plain washer 10 | |
| 21 | GB/T882-1986-B10x32 | Clevis pin with head B10x32 | |
| 22 | 254G2.21.106 | Rod clevis | |
| 23 | GB/T6171-2000-M10x1 (left) | Hex. nut M10x1 (left) | |
| 24 | 254G3.21.105 | Release push- rod | |
| 25 | JB/T7940.2-1995-45°M6 | Angle grease nipple 45° M6 | |
| 26 | GB/T6170-2000-M8 | Hex. Nut M8 | |
| 27 | GB/T5783-2000-M8x45 | Hex. head bolt M8x45 | |
| 28 | 300.21A.147-1 | Extension spring | |
| 29 | GB/T6171-2000-M10x1 | Fine thread hex. nut M10x1 | |
| 30 | 254G3.21.104 | Clutch push rod clevis | |
| 31 | GB/T879.2-2000-8x26 | Slotted spring pin 8x26 | |
| 32 | 254G3.21.021 | Clutch pedal | |
| 33 | 254G3.21.014 | Clutch arm | |
| 34 | GB/T119.2-2000-B8x20 | Parallel pin B8x20 | |
| 35 | GB/T5783-2000-M8x20 | Hex. head bolt M8x20 | |
| 36 | GB/T93-1987-8 | Spring lock washer 8 | |
| 37 | 254G3.21.016-1 | Release shaft, clutch | |
| 38 | GB/T70.1-2000-M10x30 | Bolt M10x30 | |
| 39 | GB/T97.1-2002-6 | Plain washer 6 | |
| 40 | GB/T5783-2000-M6x12 | Hex. head bolt M6x12 | |
| 42 | 254G3.21.124 | Bush |
Содержащиеся в справочниках-каталогах запасные части и детали не предлагаются к продаже, а носят исключительно информационный характер