Каталог запасных частей к технике: DongFeng 224G3. Gearbox (B)
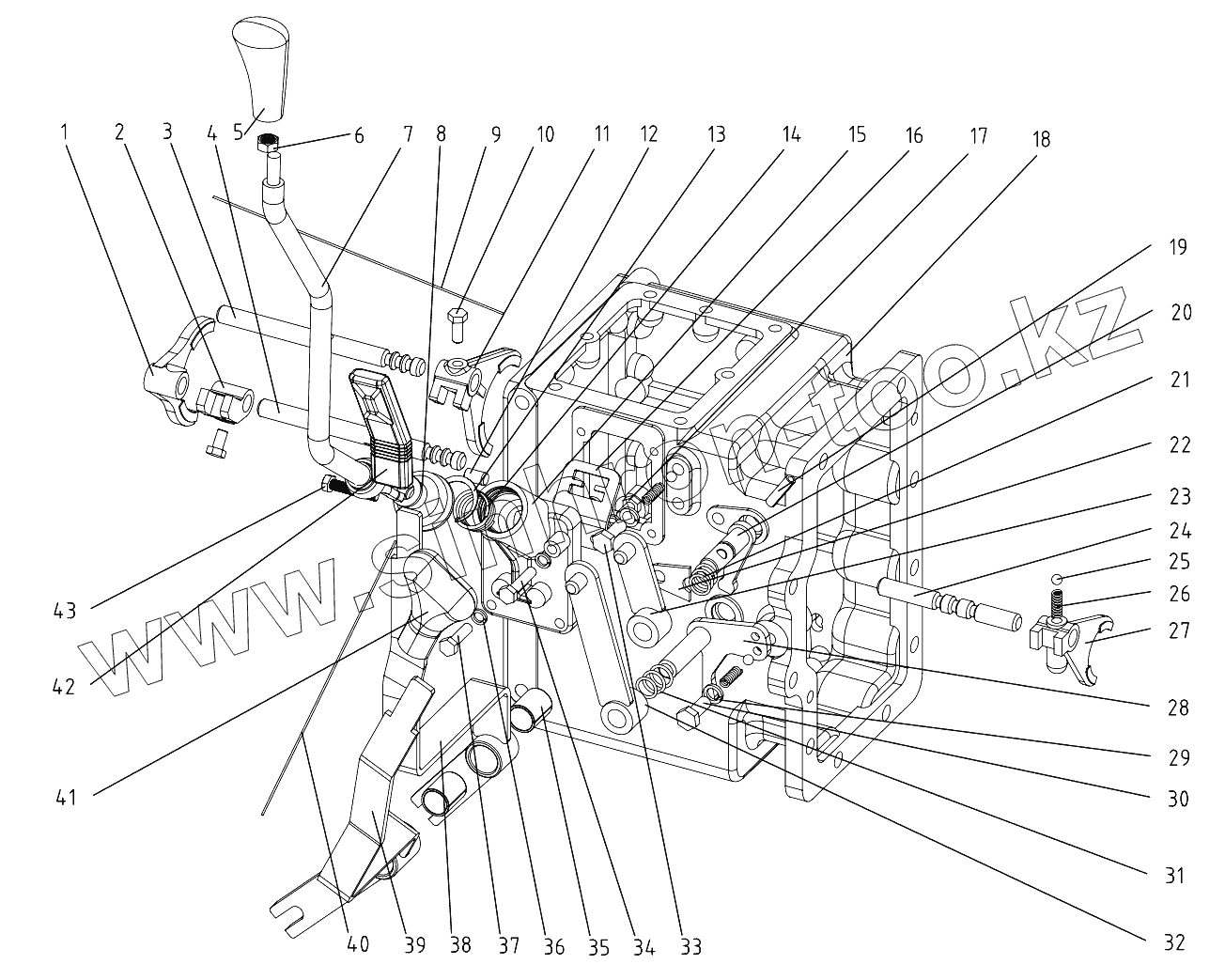
1
2
3
4
5
6
7
8
9
10
11
12
13
14
15
16
17
18
19
20
21
22
23
24
25
26
27
28
29
30
31
32
33
34
35
36
37
38
39
40
41
42
43
| Позиция на иллюстрации | Заводской номер детали | Название детали | |
|---|---|---|---|
| 1 | 254G3.37.155 | I—II fork | |
| 2 | 254G3.37.147 | I—II sliding block | |
| 3 | 254G3.37.145 | Shaft, — fork | |
| 4 | 254G3.37.144 | Shaft, I—II fork | |
| 5 | 254G3.37.153 | Main shift lever handle | |
| 6 | GB/T6172-200-M10 | Hexagon nut M10 | |
| 7 | 254G3.37.012 | Main shift up lever | |
| 8 | 254G3.37.152 | Dust cap | |
| 9 | GB/T3083-1982-Zd1.4x250 | Bethanized wire Zd1.4x250 | |
| 10 | 254G3.37.146 | Attachment screw | |
| 11 | 254G3.37.143 | — fork | |
| 12 | GB/T119.2-2000- B10x18 | Round pin B10x18 | |
| 13 | GB/T893.1-1986-34 | Bead flange 34 | |
| 14 | 254G3.37.151 | Gearlever spring | |
| 15 | 254G3.37.149 | Main shift seat | |
| 16 | 254G3.37.148 | Main shift plate | |
| 17 | GB/T5783-2000-M8x16 | Hex. head bolt M8x16 | |
| 18 | 254G3.37.101 | Gearbox housing | |
| 19 | GB/T879.4-2000-8x30 | Dowel pin 8x30 | |
| 20 | 254G3.37.015 | Shift lever | |
| 21 | 254G3.37.166 | Dead flange | |
| 22 | 254G3.37.161 | Positioning plate | |
| 23 | 254G3.37.018 | ARange gear controlling shaft | |
| 24 | 254G3.37.164 | Shaft, assistant shif fork | |
| 25 | GB/T308-1989-8 | Lock ball 8 | |
| 26 | 254G3.37.163 | Positioning spring | |
| 27 | 254G3.37.162 | Assistant Shifting fork | |
| 28 | 254G3.37.013 | Shif fork | |
| 29 | JB982-1977-10 | Combined packing washer 10 | |
| 30 | 254G3.37.169 | Positioning bolt | |
| 31 | GB/T3452.1-1992-16x2.65G | O-ring seal 16x2.65G | |
| 32 | 254G3.37.019 | Controlling shaft | |
| 33 | 254G3.37.168 | Main shift postioning bolt | |
| 34 | GB/T5782-2000-M8x50 | Bolt M8x50 | |
| 35 | 254G3.37.210 | Bush | |
| 36 | GB/T93-1987-8 | Spring lock washer 8 | |
| 37 | GB/T5783-2000-M8x30 | Hex. head bolt M8x30 | |
| 38 | 254G3.37.023 | Range gear shift lever | |
| 39 | 254G3.37.025 | Operating lever | |
| 40 | GB/T3083-1982-Zd1.5x200 | Bethanized wire Zd1.5x200 | |
| 41 | 254G3.37.220 | Handle | |
| 42 | 254G3.37.211 | Handle | |
| 43 | 254G3.37.160 | Fixing bolt |
Содержащиеся в справочниках-каталогах запасные части и детали не предлагаются к продаже, а носят исключительно информационный характер