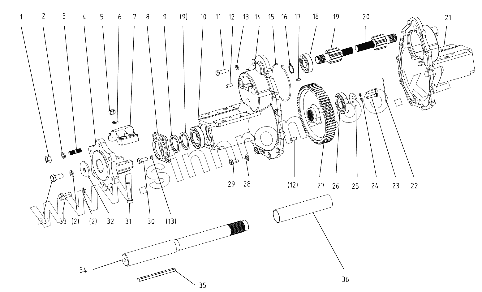
Каталог запасных частей к технике: DongFeng 224G3. Final Transmission
1
2
2
2
3
4
5
6
7
8
9
9
10
11
12
12
13
13
14
15
16
17
18
19
20
21
22
23
24
25
26
27
28
29
30
31
32
33
33
34
35
36
| Позиция на иллюстрации | Заводской номер детали | Название детали | |
|---|---|---|---|
| 1 | GB/T6170-2000-M16 | Hex .nut M16 | |
| 2 | GB/T93-1987-16 | Spring Lock washer16 | |
| 3 | 200.39.205 | Studs | |
| 4 | 254G3.39.116 | Wheel hub | |
| 5 | GB/T6170-2000-M14 | Hex. nut M14 | |
| 6 | GB/T93-1987-14 | Spring lock washer 14 | |
| 7 | 254G3.39.115 | Bearing cap | |
| 8 | 254G3.39.112 | Half shaft-oil seal bracket | |
| 9 | GB/T9877.1-1988-FB50x68x8 | Oil seal FB50x68x8 | |
| 10 | GB/T276-1994-6209 | Ball bearing 6209 | |
| 11 | GB/T5783-2000-M12x40 | Hex. head bolt M12x40 | |
| 12 | GB/T119-2000-10x25 | Pin 10x25 | |
| 13 | GB/T93-1987-12 | Spring lock washer 12 | |
| 14 | 254G3.39.101 | Left half shaft body case | |
| 15 | 254G3.39.107 | Circlip | |
| 16 | GB/T894.1-1986-30 | Circlip for shaft 30 | |
| 17 | GB/T119.1-2000-8x12 | Pin 8x12 | |
| 18 | GB/T276-1994-6306 | Bearing 6306 | |
| 19 | 254G3.39.102 | Left drive gear | |
| 20 | 254G3.39.105 | Rigt drive gear | |
| 21 | 254G3.39.110 | Rigt half shaft body case | |
| 22 | GB/T3083-1982-zd2x100 | Galvanized wire zd2x100 | |
| 23 | GB/T32.1-1988-M8x20 | Hex. head bolt M8x20 | |
| 24 | GB/T93-1987-8 | Spring lock washer 8 | |
| 25 | 254G3.39.103 | Circlip for shaft | |
| 26 | GB/T294-1994-6208 | Bearing 6208 | |
| 27 | 254G3.39.104 | Driven gear | |
| 28 | JB/T982-1977-12 | Washer 12 | |
| 29 | GB/T5786-2000-M12x1.5x12 | Hex. head bolt M12x1.5x12 | |
| 30 | GB/T5783-2000-M12x30 | Hex. head bolt M12x30 | |
| 31 | GB/T5782-2000-M14x75 | Hex. head bolt M14x75 | |
| 32 | 200.39.206 | Circlip for shaft | |
| 33 | GB/T5783-2000-M16x35 | Hex. head bolt M16x35 | |
| 34 | 254G3.39.108 | Half shaft | |
| 35 | GB/T1096-2003-B14x110 | Bond B14x110 | |
| 36 | 254G3.39.109 | Bushing |
Содержащиеся в справочниках-каталогах запасные части и детали не предлагаются к продаже, а носят исключительно информационный характер