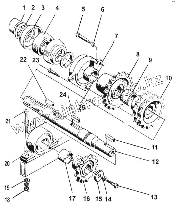
Каталог запасных частей к технике: ДКЗ СПС-4,2А. Вал раздаточный
1
2
3
4
5
6
7
8
9
10
11
12
13
14
15
16
17
18
19
20
21
22
23
24
25
| Позиция на иллюстрации | Заводской номер детали | Название детали | |
|---|---|---|---|
| СПС-08630 | СПС-08630 | Вал раздаточный | |
| 1 | Втулка II 50х40Н 11х24 СТП304.9.40-86 | Втулка II 50х40Н 11х24 СТП304.9.40-86 | |
| 2 | Кольцо СП-66-49-6 ГОСТ 6308-71 | Кольцо СП-66-49-6 ГОСТ 6308-71 | |
| 3 | РКС6.11642 | Вкладыш | |
| 4 | Подшипник 180508КС17 ГОСТ 8882-75 | Подшипник 180508КС17 ГОСТ 8882-75 | |
| 5 | Болт М10-6qх70.58.093 ГОСТ 7796-70 | Болт М10-6qх70.58.093 ГОСТ 7796-70 | |
| 6 | Шайба 10.65Г.05 ГОСТ 6402-70 | Шайба 10.65Г.05 ГОСТ 6402-70 | |
| 7 | РКС6.11608 | Корпус | |
| 8 | СПС-08420 | Звездочка сварная | |
| 9 | СПС-19811-01 | Втулка | |
| 10 | СПС-08634 | Блок звездочек | |
| 11 | Шпонка 10х8х40 ГОСТ 23360-78 | Шпонка 10х8х40 ГОСТ 23360-78 | |
| 12 | СПС-08637 | Вал | |
| 13 | Болт М12-6ях30.68.093 ГОСТ 7796-70 | Болт М12-6ях30.68.093 ГОСТ 7796-70 | |
| 14 | Шайба 12.65Г.05 ГОСТ 6402-70 | Шайба 12.65Г.05 ГОСТ 6402-70 | |
| 15 | КТ-4245 | Шайба специальная | |
| 16 | Н.022.407-02 | Звездочка Н. 022.407-02 | |
| 17 | РКС6.05802 | Втулка | |
| 18 | Гайка М12.-6Н.6.093 ГОСТ 5915-70 | Гайка М12.-6Н.6.093 ГОСТ 5915-70 | |
| 19 | Шайба С-12х2.02.09 ГОСТ 11371-78 | Шайба С-12х2.02.09 ГОСТ 11371-78 | |
| 20 | РКС6.05200-01 | Подшипниковый узел | |
| 21 | Болт М12-6qх100.58.019 ГОСТ 7795-70 | Болт М12-6qх100.58.019 ГОСТ 7795-70 | |
| 22 | Шпонка 12х8х36 ГОСТ 23360-78 | Шпонка 12х8х36 ГОСТ 23360-78 | |
| 23 | Болт М10-6qх30.58.019 ГОСТ 7796-70 | Болт М10-6qх30.58.019 ГОСТ 7796-70 | |
| 24 | Шпонка 12х8х40 ГОСТ 23360-78 | Шпонка 12х8х40 ГОСТ 23360-78 | |
| 25 | Втулка П-50х40Дх18 СТП 304.940-86 | Втулка П-50х40Дх18 СТП 304.940-86 |
Содержащиеся в справочниках-каталогах запасные части и детали не предлагаются к продаже, а носят исключительно информационный характер