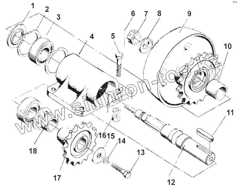
Каталог запасных частей к технике: ДКЗ СПС-4,2А. Вал промежуточный
1
2
3
4
5
6
7
8
9
10
11
12
13
14
15
16
17
18
| Позиция на иллюстрации | Заводской номер детали | Название детали | |
|---|---|---|---|
| СПС-08470 | СПС-08470 | Вал промежуточный | |
| 1 | КТ-03403 | Шайба защитная | |
| 2 | Кольцо 2С-72 ГОСТ 13941-86 | Кольцо 2С-72 ГОСТ 13941-86 | |
| 3 | Подшипник 180207С17 ГОСТ 8882-75 | Подшипник 180207С17 ГОСТ 8882-75 | |
| 4 | КТ-21103-А | Корпус подшипника | |
| 5 | Болт М12-6qх40.58.019 ГОСТ 5915-70 | Болт М12-6qх40.58.019 ГОСТ 5915-70 | |
| 6 | Шплинт 5х45.019 ГОСТ 397-79 | Шплинт 5х45.019 ГОСТ 397-79 | |
| 7 | Гайка М24-6Н6.019 ГОСТ 5919-73 | Гайка М24-6Н6.019 ГОСТ 5919-73 | |
| 8 | Шайба 024.02.019 ГОСТ 11371-78 | Шайба 024.02.019 ГОСТ 11371-78 | |
| 9 | СПС-08550-05 | Муфта предохранительная с сигнализатором | |
| 10 | КТ-70809-24 | Втулка | |
| 11 | Шпонка 10х8х40 ГОСТ 23360-78 | Шпонка 10х8х40 ГОСТ 23360-78 | |
| 12 | СПС-08646 | Вал | |
| 13 | Болт М12-6qх30.5.019 ГОСТ 7796-70 | Болт М12-6qх30.5.019 ГОСТ 7796-70 | |
| 14 | Шайба 12.65Г.05 ГОСТ 6502-70 | Шайба 12.65Г.05 ГОСТ 6502-70 | |
| 15 | КТ-4245 | Шайба специальная | |
| 16 | Гайка М12-6Н.6.019 ГОСТ 6916-70 | Гайка М12-6Н.6.019 ГОСТ 6916-70 | |
| 17 | Звездочка Н.022.409-91 | Звездочка Н.022.409-91 | |
| 18 | КТ-70609-23 | Втулка |
Содержащиеся в справочниках-каталогах запасные части и детали не предлагаются к продаже, а носят исключительно информационный характер