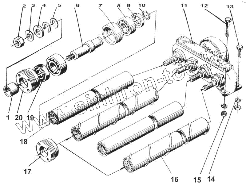
Каталог запасных частей к технике: ДКЗ СПС-4,2А. Очиститель шнековый
1
2
3
4
5
6
7
8
9
10
11
12
13
14
15
16
17
18
19
20
| Позиция на иллюстрации | Заводской номер детали | Название детали | |
|---|---|---|---|
| СПС 20000-0 | СПС 20000-0 | Очиститель шнековый | |
| 1 | Втулка 38х30F9(+0,72 0,200)х32 СТП 304.940-86 | Втулка 38х30F9(+0,72 0,200)х32 СТП 304.940-86 | |
| 2 | Гайка М20-6Нх1,5.6.093 ГОСТ 5915-70 | Гайка М20-6Нх1,5.6.093 ГОСТ 5915-70 | |
| 3 | КТ-4276 | Шайба замковая | |
| 4 | Шайба С20х2,5.09Г2С.093 ГОСТ 11371-78 | Шайба С20х2,5.09Г2С.093 ГОСТ 11371-78 | |
| 5 | КТЖ-41.22 | Шайба регулировочная | |
| 6 | КТ-36616 | Ось | |
| 7 | СПС-20003 | Втулка распорная | |
| 8 | Подшипник 180306КС17 ГОСТ 8882-75 | Подшипник 180306КС17 ГОСТ 8882-75 | |
| 9 | СПС-20401 | Шайба фигурная | |
| 10 | Кольцо 2С-30 ГОСТ 13940-86 | Кольцо 2С-30 ГОСТ 13940-86 | |
| 11 | СПС 20010-0 | Редуктор шнеков | |
| 12 | Болт М12-6qх110.58.093 ГОСТ 7795-70 | Болт М12-6qх110.58.093 ГОСТ 7795-70 | |
| 13 | Болт М 12-6qх45.58.093 ГОСТ 7795-70 | Болт М 12-6qх45.58.093 ГОСТ 7795-70 | |
| 14 | Шайба 12.65Г.093 ГОСТ 6402-70 | Шайба 12.65Г.093 ГОСТ 6402-70 | |
| 15 | Гайка М12-6Н.6.093 ГОСТ 5915-70 | Гайка М12-6Н.6.093 ГОСТ 5915-70 | |
| 16 | СПС-20110 | Шнек левый L = 192 | |
| 17 | КТ36617 | Гайка правая | |
| 18 | СПС 20130 | Цилиндр правый | |
| 19 | Манжета 1.2-38х58.1 ГОСТ 8752-79 ОСТ 38.05146-78 | Манжета 1.2-38х58.1 ГОСТ 8752-79 ОСТ 38.05146-78 | |
| 20 | КТ-36618 | Гайка левая |
Содержащиеся в справочниках-каталогах запасные части и детали не предлагаются к продаже, а носят исключительно информационный характер