Каталог запасных частей к технике: ДКЗ СПС-4,2А. Каток
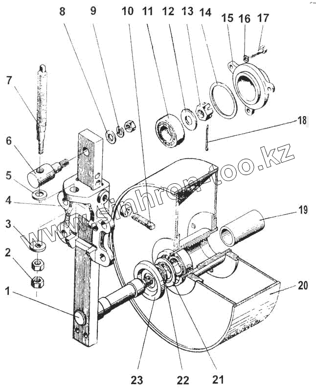
1
2
3
4
5
6
7
8
9
10
11
12
13
14
15
16
17
18
19
20
21
22
23
| Позиция на иллюстрации | Заводской номер детали | Название детали | |
|---|---|---|---|
| СПС-32000 | СПС-32000 | Каток | |
| 1 | СПС-32010 | Полуось | |
| 2 | Гайка М16-6Н.6.019 ГОСТ 5915-70 | Гайка М16-6Н.6.019 ГОСТ 5915-70 | |
| 3 | СПС-32407 | Шайба | |
| 4 | ПРНТ36302 | Державка | |
| 5 | Шайба С.20х2,5.09Г2С.093 ГОСТ 11371-78 | Шайба С.20х2,5.09Г2С.093 ГОСТ 11371-78 | |
| 6 | СПС-32603 | Гайка | |
| 7 | СПС-32602 | Винт | |
| 8 | КТ-4738 | Шайба | |
| 9 | Шайба 16.65Г.019 ГОСТ 6402-70 | Шайба 16.65Г.019 ГОСТ 6402-70 | |
| 10 | СПС-32604 | Винт | |
| 11 | Подшипник 180508КС 17 ГОСТ 8882-75 | Подшипник 180508КС 17 ГОСТ 8882-75 | |
| 12 | КТ-4147-А | Шайба специальная | |
| 13 | Гайка М30-6Н.6.0 19 ГОСТ 5919- 73 | Гайка М30-6Н.6.0 19 ГОСТ 5919- 73 | |
| 14 | РУФ01004 | Прокладка | |
| 15 | СПС-32201 | Крышка | |
| 16 | Шайба 10.65Г.019 ГОСТ 6402-70 | Шайба 10.65Г.019 ГОСТ 6402-70 | |
| 17 | Болт М10-6qх30.58.019 ГОСТ 7796-70 | Болт М10-6qх30.58.019 ГОСТ 7796-70 | |
| 18 | Шплинт 4х36.096 ГОСТ 397-79 | Шплинт 4х36.096 ГОСТ 397-79 | |
| 19 | СПС-32802 | Втулка распорная | |
| 20 | СПС-32020 | Колесо сварное | |
| 21 | СДК.51405 | Шайба защитная | |
| 22 | 47 8818 1107 | Втулка П48х40Х(5)х6 СТП 904.0.40-75 | |
| 23 | СПС-32404 | Крышка |
Содержащиеся в справочниках-каталогах запасные части и детали не предлагаются к продаже, а носят исключительно информационный характер