Каталог запасных частей к технике: ДКЗ СПС-4,2А. Битер
1
2
3
4
6
6
7
8
9
10
11
12
13
14
15
16
17
18
19
20
21
22
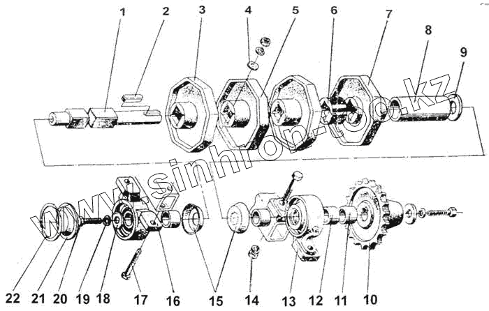
| Позиция на иллюстрации | Заводской номер детали | Название детали | |
|---|---|---|---|
| СПС-19240 | СПС-19240 | Битер | |
| 1 | СПС-19607 | Втулка | |
| 2 | Шпонка 8х7х40 ГОСТ 23360-78 | Шпонка 8х7х40 ГОСТ 23360-78 | |
| 3 | СПС-19202-01 | Кулачок | |
| 4 | Шайба С12х2.02.019 ГОСТ 11371-78 | Шайба С12х2.02.019 ГОСТ 11371-78 | |
| 6 | СПС-19002 | Втулка | |
| 6 | СПС-19201 | Кулачок | |
| 7 | СПС-19202 | Кулачок | |
| 8 | СПС-19811 | Втулка | |
| 9 | Шайба С30.02.019 ГОСТ 11371-78 | Шайба С30.02.019 ГОСТ 11371-78 | |
| 10 | РКС6.12604 | Звездочка z = 18 | |
| 11 | СПС-19809 | Втулка | |
| 12 | Втулка 1-40х30 Р9до (+002+U72)х19 | Втулка 1-40х30 Р9до (+002+U72)х19 | |
| 13 | РКС6.05200-04 | Подшипниковый узел | |
| 14 | Гайка М12-6Н.6.019 ГОСТ 5915-70 | Гайка М12-6Н.6.019 ГОСТ 5915-70 | |
| 15 | РКС6.05408 | Отражатель | |
| 16 | РКС6.05200-05 | Подшипниковый узел | |
| 17 | Болт М12-6qх70.58.019 ГОСТ 7796-70 | Болт М12-6qх70.58.019 ГОСТ 7796-70 | |
| 18 | КТ-4032 | Шайба специальная | |
| 19 | Шайба 12.65Г.05 ГОСТ 6402-70 | Шайба 12.65Г.05 ГОСТ 6402-70 | |
| 20 | Болт М12-6ях30.58.019 ГОСТ 7796-70 | Болт М12-6ях30.58.019 ГОСТ 7796-70 | |
| 21 | РКС6.05412 | Крышка | |
| 22 | Кольцо 2С80 ГОСТ 43941-86 | Кольцо 2С80 ГОСТ 43941-86 |
Содержащиеся в справочниках-каталогах запасные части и детали не предлагаются к продаже, а носят исключительно информационный характер