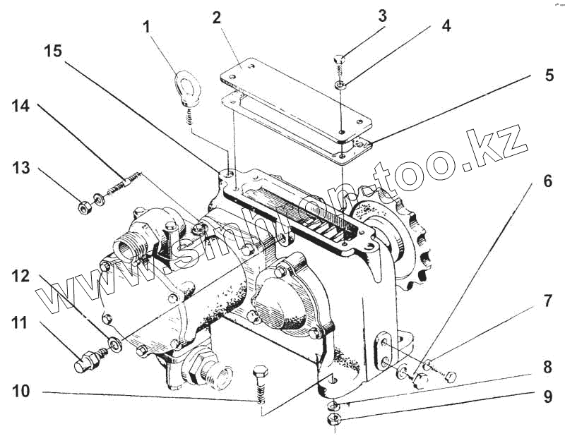
Каталог запасных частей к технике: ДКЗ СПС-4,2А-02. Редуктор насоса
1
2
3
4
5
6
7
8
9
10
11
12
13
14
15
| Позиция на иллюстрации | Заводской номер детали | Название детали | |
|---|---|---|---|
| СПТ-10040 | СПТ-10040 | Редуктор насоса | |
| 1 | Рым-болт М10 ГОСТ 4751-73 | Рым-болт М10 ГОСТ 4751-73 | |
| 2 | ННД 16419 | Крышка | |
| 3 | Болт М8-6qх16.58.019 ГОСТ 7796-70 | Болт М8-6qх16.58.019 ГОСТ 7796-70 | |
| 4 | Шайба 8.65Г.05 ГОСТ 6402-70 | Шайба 8.65Г.05 ГОСТ 6402-70 | |
| 5 | ННД 19019 | Прокладка | |
| 6 | РФ 00.00.601 | Пробка | |
| 7 | СДК-0059 | Прокладка | |
| 8 | Шайба 12.65Г.05 ГОСТ 6402-70 | Шайба 12.65Г.05 ГОСТ 6402-70 | |
| 9 | Гайка МГ2-6Н.6.019 ГОСТ 5915-70 | Гайка МГ2-6Н.6.019 ГОСТ 5915-70 | |
| 10 | Болт М12-6qх45.58.019 ГОСТ 7795-70 | Болт М12-6qх45.58.019 ГОСТ 7795-70 | |
| 11 | РФ00.01.000 | Сапун в сборе | |
| 12 | РФ.00.00.002 | Прокладка | |
| 13 | Гайка М10-6Н.6.019 ГОСТ 5915-70 | Гайка М10-6Н.6.019 ГОСТ 5915-70 | |
| 14 | Шпилька М10-6qх3066.019 ГОСТ 22032-76 | Шпилька М10-6qх3066.019 ГОСТ 22032-76 | |
| 15 | СПТ-10101 | Корпус |
Содержащиеся в справочниках-каталогах запасные части и детали не предлагаются к продаже, а носят исключительно информационный характер