Каталог запасных частей к технике: ДКЗ СПС-4,2А-02. Редуктор
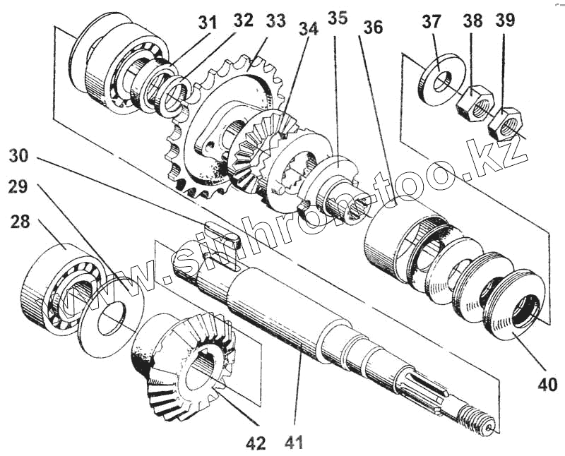
28
29
30
31
32
33
34
35
36
37
38
39
40
41
42
| Позиция на иллюстрации | Заводской номер детали | Название детали | |
|---|---|---|---|
| 28 | Подшипник 7309 ГОСТ 333-79 | Подшипник 7309 ГОСТ 333-79 | |
| 29 | Маслоотражатель РФ00.00.401А-07 | Маслоотражатель РФ00.00.401А-07 | |
| 30 | Шпонка 2-14х9х36 ГОСТ 23360-78 | Шпонка 2-14х9х36 ГОСТ 23360-78 | |
| 31 | Манжета П.1-3 8х5 8-1 ГОСТ 8752-79 ОСТ 38.05146-78 | Манжета П.1-3 8х5 8-1 ГОСТ 8752-79 ОСТ 38.05146-78 | |
| 32 | СПС 55404 | Кольцо упорное | |
| 33 | СПС 55120 | Звездочка | |
| 34 | Н.038.01.004 | Шайба зубчато-фрикционная РТМ-А23.2.03 8-80 | |
| 35 | РКС6.06606 | Фланец | |
| 36 | РКС6.06412-01 | Кожух | |
| 37 | Шайба С.24.02.019 ГОСТ 6958-78 | Шайба С.24.02.019 ГОСТ 6958-78 | |
| 38 | Гайка М124-6Н.6.019 ГОСТ 5915-70 | Гайка М124-6Н.6.019 ГОСТ 5915-70 | |
| 39 | Гайка М24-6Н.6.019 ГОСТ 5916-70 | Гайка М24-6Н.6.019 ГОСТ 5916-70 | |
| 40 | Пружина тарельчатая 11-1-3-80х40-2х3 ЦЗ ГОСТ 3057-79 | Пружина тарельчатая 11-1-3-80х40-2х3 ЦЗ ГОСТ 3057-79 | |
| 41 | СПС 55611 | Вал | |
| 42 | Н.090.40.001 | Колесо |
Содержащиеся в справочниках-каталогах запасные части и детали не предлагаются к продаже, а носят исключительно информационный характер