Каталог запасных частей к технике: ДКЗ СПС-4,2А-02. Питатель грабельный
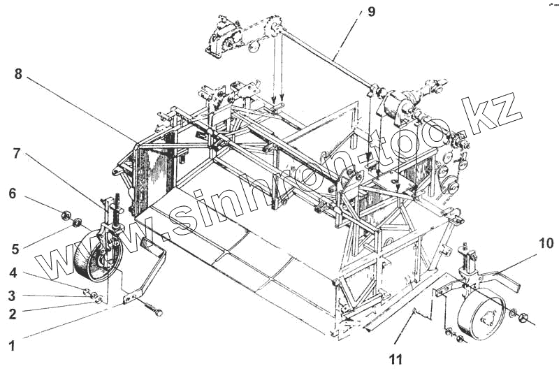
1
2
3
4
5
6
7
8
9
10
11
| Позиция на иллюстрации | Заводской номер детали | Название детали | |
|---|---|---|---|
| СПТ-04000 | СПТ-04000 | Питатель грабельный | |
| 1 | СПС-32503-01 | Чистик | |
| 2 | Шайба С.12х2.02.019 ГОСТ 11371-78 | Шайба С.12х2.02.019 ГОСТ 11371-78 | |
| 3 | Шайба 12.65Г.05 ГОСТ 16402-70 | Шайба 12.65Г.05 ГОСТ 16402-70 | |
| 4 | Гайка М12-6Н.6.019 ГОСТ 5916-70 | Гайка М12-6Н.6.019 ГОСТ 5916-70 | |
| 5 | Шайба 20.65Г.05 ГОСТ 6402-70 | Шайба 20.65Г.05 ГОСТ 6402-70 | |
| 6 | Гайка М20-6Н.6.019 ГОСТ 5915-70 | Гайка М20-6Н.6.019 ГОСТ 5915-70 | |
| 7 | СПС-32000 | Каток | |
| 8 | СПТ-05000 | Рама питателя | |
| 9 | СПТ-10050 | Трансмиссия питателя | |
| 10 | СПС-32603 | Гайка | |
| 11 | Болт М12-6qх60.58.019 ГОСТ 7795-70 | Болт М12-6qх60.58.019 ГОСТ 7795-70 | |
| 12 | СПТ-04080 | Щиток | |
| 13 | Болт М 12-6qх70.58.019 ГОСТ 7796-70 | Болт М 12-6qх70.58.019 ГОСТ 7796-70 | |
| 14 | СПС-30605 | Ось |
Содержащиеся в справочниках-каталогах запасные части и детали не предлагаются к продаже, а носят исключительно информационный характер