Вернуться на главную
Поиск
Каталоги запчастей к технике
Сельхозтехника
CASE IH
Жатка-2030 (RIGID)
20.15 WOBBLE BOX, FITTING PARTS
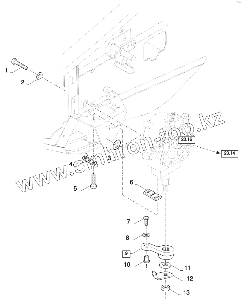
Каталог запасных частей к технике: CASE IH Жатка-2030 (RIGID). 20.15 WOBBLE BOX, FITTING PARTS
zoom-in
zoom-out
enlarge
shrink
circle-right
circle-left
file-text2
info
cart
Тип техники
Не выбрано
Легковые автомобили
Грузовые автомобили и прицепы
Автобусы
Сельхозтехника
Спецтехника
Двигатели
Мототехника
Марка
Не выбрано
AGCO
Amity
CASE IH
DongFeng
Fortschritt
Foton
Franz Kleine
Gaspardo
Great Plains
KRONE
KUHN
Lemken
Lovol
MacDon
Massey Ferguson
New Holland
TIGARBO
Vaderstad
Versatile
Wirax
Агро
Агротехмаш
Бобруйскагромаш (ОАО «УКХ «Бобруйскагромаш»)
БЭМЗ
ВгТЗ
Воронежсельмаш
ВТЗ
Гомсельмаш
ДКЗ
ЗАО "Техника-сервис"
ЗиД
КЗК
Кировец-Ландтехник
Клевер
Красная Звезда
Лидагропроммаш
Лидсельмаш
ЛТЗ
Машстройхолдинг
Минитракторы
Мордовагромаш
МТЗ
Навигатор-Новое машиностроение
Нефтекамский автозавод
ПТЗ
Ремком
РСМ
Сибсельмаш
ТеКЗ
ТКЗ
ХЗТСШ
ХТЗ
ЮМЗ
Модель
Не выбрано
430 Steiger 4WD (2010)
Axial Flow 2388 (2010)
MRX-690 (2012)
MX-240 Magnum (2007)
MX-255 Magnum (2006)
MX-285 Magnum (2007)
MX-305 Magnum (2007)
Puma-210 (2010)
STX-530 Steiger (2010)
Жатка-2030 (RIGID) (2010)
Жатка-2152 (2010)
Культиватор-Tigermate 2 DMI (2010)
Схема
>
Не выбрано
18.80918014 UNDERSERRATED KNIFE
18.80918015 UNDERSERRATED KNIFE
18.84003217 UNDERSERRATED KNIFE
18.84003218 UNDERSERRATED KNIFE
18.84040789 KNIFE PROTECTION
18.84040790 UNDERSERRATED KNIFE
18.84081677 REEL SYNCHRONISATION
18.84081705 KNIFE GREEN CONDITIONS
18.84081706 KNIFE GREEN CONDITIONS
18.84081707 KNIFE GREEN CONDITIONS
18.84081708 KNIFE GREEN CONDITIONS
18.84081709 KNIFE GREEN CONDITIONS
18.84095786 FEEDING PLATE
18.84095788 FEEDING PLATE
18.84095789 FEEDING PLATE
18.84095790 FEEDING PLATE
18.84095792 STONE PROTECTION
18.84095793 STONE PROTECTION
18.84095794 STONE PROTECTION
18.84095941 PIVOTABLE ADJUSTABLE DIVIDERS
18.84095942 FIXED SHORT DIVIDERS
18.84095972 STONE PROTECTION
18.84095973 SWEEPERS
18.84095975 CROPLIFTER SET
18.84095976 CROPLIFTER SET
18.84095977 CROPLIFTER SET
18.84095978 CROPLIFTER SET
18.84095979 SHORT DIVIDERS
18.84096566 LOW RPM TINE AUGER
18.84096820 ADD ON AUGER EXTENSION
18.84096829 AUTO FLOAT SKID POTENTIOMETERS
18.84110401 FEEDING PLATE
18.84110406 STONE PROTECTION
18.84110407 CROPLIFTER SET
18.84110554 CROP DISTRIBUTION KIT
18.84111744 ADDITIONAL HEADER PARTS - AXIAL FLOW
18.84112032 CONTROL BOX - AXIAL FLOW
18.84113158 LOW RPM TINE AUGER
18.87659581 VERTICAL RAPESEED KNIFE KIT
18.89836180 KNIFE PROTECTION
18.89836181 KNIFE PROTECTION
18.89836182 KNIFE PROTECTION
20.01 ILLUMINATION AND ELECTRICS FOR VERTICAL KNIVES
20.01A SIGNAL PLATES
20.02 AUTOFLOAT, ELECTRICAL CABLES
20.03 REEL SYNCHRONISATION
20.03A REEL, HORIZONTAL AND VERTICAL SENSOR
20.03B AF CONTROL BOX
20.04 SHIELDS, LH
20.05 SHIELDS, RH
20.05A ADAPTOR KIT FOR COMBINE
20.05B ADAPTOR KIT FOR COMBINE
20.06 HEADER, KNIFE GUARDS
20.07 AUTOFLOAT SENSORS AND PLATES
20.08 FEED PLATES AND PROTECTIONS SKIDS
20.09 MAIN DRIVE
20.10 POWER TAKE -OFF
20.10A POWER TAKE -OFF
20.10C POWER TAKE -OFF
20.11 REEL VARIATOR DRIVE
20.12 REEL VARIATOR DRIVE
20.13 REEL VARIATOR DRIVE
20.14 WOBBLE BOX DRIVE
20.15 WOBBLE BOX, FITTING PARTS
20.16 WOBBLE BOX
20.17 KNIVES, UPPER SERRATED AND GREEN CONDITIONS
20.18 KNIVES, UNDER SERRATED
20.20 FEED AUGER DRIVE
20.21 FEED AUGER DRIVE, SUPPORTS
20.22 FEED AUGER
20.23 FEED AUGER, FINGERS
20.24 SWEEPERS FOR FEEDING AUGER
20.25 REEL, BELT DRIVE
20.25A REEL, HYDRAULIC DRIVE
20.26 REEL, SUPPORTS
20.27 REEL
20.28 SHIELDS, LH
20.29 HYDRAULIC HORIZONTAL REEL ADJUSTMENT
20.30 MULTI-FASTENER AND ELECTRICAL CONNECTOR
20.31 HYDRAULIC HORIZONTAL REEL ADJUSTMENT
20.32 REEL SUPPORTS AND HYDRAULIC VERTICAL ADJUSTMENT, FOR 17FT TO 30FT ONLY
20.33 REEL SUPPORTS AND HYDRAULIC VERTICAL ADJUSTMENT, FOR 15FT ONLY
20.34 ADJUSTABLE DIVIDERS - C835
20.34 ADJUSTABLE DIVIDERS - D836
20.35 SHORT DIVIDERS
20.36 SHORT DIVIDERS, FIXED
20.38 CROP LIFTER
20.99 TUBE CLAMPS AND HYDRAULIC TUBES
1
2
3
4
5
6
7
8
9
10
11
12
13
Позиция на иллюстрации
Заводской номер детали
Название детали
1
80412674
SCREW
2
80034945
WASHER
3
84989464
DECAL
4
84077921
PLATE
5
80412037
BOLT
6
80754801
SHIM
6
87382572
SHIM
7
80412681
SCREW
8
80394631
WASHER
9
84017247
ARM
10
84017250
BUSHING
11
80850053
WASHER
12
89513487
PLATE
13
100085
NUT
Содержащиеся в справочниках-каталогах запасные части и детали не предлагаются к продаже, а носят исключительно информационный характер
Дополнительная информация
×
Название:
Номер:
Примечание: