Вернуться на главную
Поиск
Каталоги запчастей к технике
Сельхозтехника
CASE IH
STX-530 Steiger
500 SERIES AXLE ASSEMBLY - FRONT COVER
Каталог запасных частей к технике: CASE IH STX-530 Steiger. 500 SERIES AXLE ASSEMBLY - FRONT COVER
zoom-in
zoom-out
enlarge
shrink
circle-right
circle-left
file-text2
info
cart
Тип техники
Не выбрано
Легковые автомобили
Грузовые автомобили и прицепы
Автобусы
Сельхозтехника
Спецтехника
Двигатели
Мототехника
Марка
Не выбрано
AGCO
Amity
CASE IH
DongFeng
Fortschritt
Foton
Franz Kleine
Gaspardo
Great Plains
KRONE
KUHN
Lemken
Lovol
MacDon
Massey Ferguson
New Holland
TIGARBO
Vaderstad
Versatile
Wirax
Агро
Агротехмаш
Бобруйскагромаш (ОАО «УКХ «Бобруйскагромаш»)
БЭМЗ
ВгТЗ
Воронежсельмаш
ВТЗ
Гомсельмаш
ДКЗ
ЗАО "Техника-сервис"
ЗиД
КЗК
Кировец-Ландтехник
Клевер
Красная Звезда
Лидагропроммаш
Лидсельмаш
ЛТЗ
Машстройхолдинг
Минитракторы
Мордовагромаш
МТЗ
Навигатор-Новое машиностроение
Нефтекамский автозавод
ПТЗ
Ремком
РСМ
Сибсельмаш
ТеКЗ
ТКЗ
ХЗТСШ
ХТЗ
ЮМЗ
Модель
Не выбрано
430 Steiger 4WD (2010)
Axial Flow 2388 (2010)
MRX-690 (2012)
MX-240 Magnum (2007)
MX-255 Magnum (2006)
MX-285 Magnum (2007)
MX-305 Magnum (2007)
Puma-210 (2010)
STX-530 Steiger (2010)
Жатка-2030 (RIGID) (2010)
Жатка-2152 (2010)
Культиватор-Tigermate 2 DMI (2010)
Схема
>
Не выбрано
RADIATOR AND HOSES, STX & STEIGER 480/530
RADIATOR MOUNTING AND FAN SHROUD, STX & STEIGER 480/530
HYDRAULIC FAN DRIVE - MOUNTING
HYDRAULIC FAN MOTOR ASSY, BSN Z6F100996
HYDRAULIC FAN MOTOR ASSY, ASN Z6F100996
AIR INDUCTION SYSTEM, STX & STEIGER 480/530
AIR CLEANER ASSEMBLY
AIR COOLER MOUNTING, STX & STEIGER 480/530
ETHER START SYSTEM
BLOCK HEATER
ENGINE MOUNTING AND ATTACHING PARTS, STX & STEIGER 480/530
EXHAUST SYSTEM - QUADTRAC TRACTOR, 10" MUFFLER, STX & STEIGER 480/530
EXHAUST SYSTEM - QUADTRAC TRACTOR, 12" MUFFLER, STX & STEIGER 530
EXHAUST SYSTEM - WHEEL TRACTOR, 10" MUFFLER, STX & STEIGER 480/530
EXHAUST SYSTEM - WHEEL TRACTOR, 12" MUFFLER, STX & STEIGER 530
THROTTLE
THROTTLE - DECELARATOR CONTROL, ASN Z6F105037
FUEL LINES, STX & STEIGER 480/530
CONTROLS - RIGHT HAND ARMREST CONSOLE
CONTROL PANEL - COMPONENTS
RADIO AND SPEAKERS
INSTRUMENT CLUSTER & ROPS POST CONTROLS
WIPER, WINDSHIELD - MOUNTING
WINDSHIELD WASHER
ALTERNATOR - MOUNTING, STX & STEIGER 480/530
STARTER ASSEMBLY
GROUND SPEED SENSOR
ALARM - BACK-UP
HARNESS - TRANSMISSION, POWER SHIFT
HARNESS - ENGINE, STX & STEIGER 480/530
HARNESS - MAIN CAB, DELUXE AND LUXURY CABS
HARNESS - CAB ROOF
HARNESS - FRONT FRAME
HARNESS - REAR FRAME, WITH ELECTRONIC REMOTE, WITHOUT THREE POINT HITCH
HARNESS - REAR FRAME, WITH ELECTRONIC REMOTE AND THREE POINT HITCH
HARNESS - FRONT CONSOLE
HARNESS - ADVANCED FARMING SYSTEMS
BATTERIES
ELECTRONIC MODULE ASSEMBLY
LAMPS - REAR FRAME, H.I.D.
LAMPS - REAR FRAME AND FIELD, NORTH AMERICA
LAMPS - REAR FRAME AND FIELD, EUROPE
HEADLAMPS - NORTH AMERICA
HEADLAMPS - EUROPE
LAMPS - MARKER
LAMPS - SIDE MARKER WARNING
LAMP - STROBE
WIRING - TWIN FLOW HYDRAULIC CONTROLS
TWIN FLOW HYDRAULIC CONTROLS
MOUNTING - ADVANCED FARMING SYSTEMS
ACCUGUIDE, GPS - MOUNTING
ACCUGUIDE - AFS 200 PRO MOUNTING & RELATED PARTS
ACCUGUIDE - AFS 600 PRO MOUNTING & RELATED PARTS, ASN Z7F105571
SENSOR - HITCH POSITION
HARNESS - ISO IMPLEMENT
STEERING WHEEL AND COLUMN
TRANSMISSION CONTROL ASSEMBLY, WITH MANUAL SHIFT TRANSMISSION
TRANSMISSION CONTROL ASSEMBLY, WITH POWER SHIFT TRANSMISSION
STEERING COLUMN ASSEMBLY
HYDRAULICS - STEERING
CYLINDER ASSEMBLY - ARTICULATION
ARTICULATION LOCKS
STEERING CONTROL VALVE
ACCUGUIDE - HYDRAULIC, STEERING
ACCUGUIDE - CYLINDER ASSY., ARTICULATION W/ SENSOR, BSN Z7F105338
ACCUGUIDE - CYLINDER ASSY., ARTICULATION W/ SENSOR, ASN Z7F105338
TRANSMISSION SHIFTER AND THROTTLE CONTROL
CLUTCH PEDAL, POWER SHIFT TRANSMISSION
WHEELS SINGLE AND DUALS WITH SPACERS
WHEELS TRIPLES WITH SPACERS
HUB ASSEMBLY MOUNTING
TRACKS, QUADTRAC TRACTOR
YOKE MOUNTING, QUADTRAC TRACTOR
UNDERCARRIAGE - MOUNTING, QUADTRAC TRACTOR
AXLE ASSEMBLY - FRONT IDLER, QUADTRAC TRACTOR
AXLE ASSEMBLY - REAR IDLER, QUADTRAC TRACTOR
AXLE ASSEMBLY - ROLLER SHAFT
DRIVE WHEEL, QUADTRAC TRACTOR
TRACK TENSIONING, QUADTRAC TRACTOR
DRIVE SHAFT - MOUNTING
DRIVE SHAFT
POWER TAKEOFF - CLUTCH LUBRICATION, WITH MANUAL SHIFT TRANSMISSION
POWER TAKEOFF - CLUTCH LUBRICATION, WITH POWER SHIFT TRANSMISSION
VALVE ASSEMBLY - POWER TAKE OFF
POWER TAKEOFF - LUBRICATION
POWER TAKEOFF - DRIVE SHAFT MOUNTING
POWER TAKEOFF - DRIVE SHAFT ASSEMBLIES
POWER TAKEOFF - SAFETY SHIELDS
POWER TAKEOFF - TRANSFER CASE ASSEMBLY
POWER TAKEOFF - CLUTCH ASSEMBLY
POWER TAKEOFF - INPUT SHAFT ASSEMBLY
TRANSMISSION MOUNTING, POWER SHIFT TRANSMISSION
TRANSMISSION - LUBRICATION, WITH POWER SHIFT TRANSMISSION
POWER SHIFT TRANSMISSION - VALVE AND PUMP MOUNTING
POWER SHIFT TRANSMISSION - COVERS AND YOKES
POWER SHIFT TRANSMISSION - REAR HOUSING
POWER SHIFT TRANSMISSION - HOUSING AND CLUTCHES
POWER SHIFT TRANSMISSION - INPUT SHAFT ASSEMBLY
POWER SHIFT TRANSMISSION - INPUT SHAFT ASSEMBLY
POWER SHIFT TRANSMISSION - SECOND SHAFT ASSEMBLY
POWER SHIFT TRANSMISSION - THIRD SHAFT ASSEMBLY
POWER SHIFT TRANSMISSION - FOURTH SHAFT ASSEMBLY
POWER SHIFT TRANSMISSION - FOURTH SHAFT ASSEMBLY
POWER SHIFT TRANSMISSION - FIFTH SHAFT ASSEMBLY
POWER SHIFT TRANSMISSION - FIFTH SHAFT ASSEMBLY
POWER SHIFT TRANSMISSION - REGULATOR VALVE ASSEMBLY
POWER SHIFT TRANSMISSION - RANGE SELECTOR VALVE
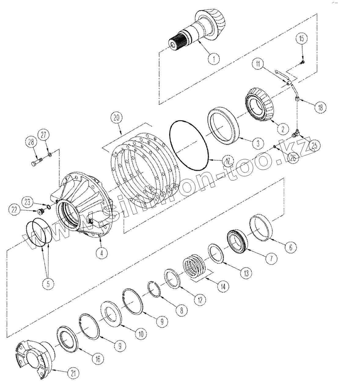
500 SERIES AXLE ASSEMBLY - FRONT COVER
500 SERIES AXLE ASSEMBLY - REAR COVER
500 SERIES AXLE ASSEMBLY - CENTER AND LEFT-HAND CARRIER, WHEEL TRACTOR
500 SERIES AXLE ASSEMBLY - CENTER AND LEFT-HAND CARRIER, QUADTRAC TRACTOR
500 SERIES AXLE ASSEMBLY - DIFFERENTIAL, WITHOUT DIFFERENTIAL LOCKS
500 SERIES AXLE ASSEMBLY - DIFFERENTIAL, WITH DIFFERENTIAL LOCKS
500 SERIES AXLE ASSEMBLY - BRAKE AND RIGHT-HAND CARRIER
500 SERIES AXLE ASSEMBLY - OFFSET BEARING, QUADTRAC TRACTOR
500 SERIES AXLE ASSEMBLY - FINAL DRIVE, WHEELED TRACTOR
500 SERIES AXLE ASSEMBLY - FINAL DRIVE, QUADTRAC TRACTOR
AXLE ASSEMBLY - JET PUMP
BRAKE CONTROL
BRAKE VALVE ASSY
SERIES AXLE - SERVICE BRAKE CIRCUIT, WHEEL TRACTOR
500 SERIES AXLE - PARK BRAKE CIRCUIT, WITH DIFFERENTIAL LOCK, WHEEL TRACTOR
500 SERIES AXLE - PARK BRAKE CIRCUIT, WITHOUT DIFFERENTIAL LOCK, WHEEL TRACTOR
500 SERIES AXLE - SERVICE BRAKE CIRCUIT, QUADTRAC TRACTOR
500 SERIES AXLE - PARK BRAKE CIRCUIT, WITH DIFFERENTIAL LOCK, QUADTRAC TRACTOR
500 SERIES AXLE - PARK BRAKE CIRCUIT, WITHOUT DIFFERENTIAL LOCK, QUADTRAC TRACTOR
VALVE ASSEMBLY - DIFFERENTIAL LOCK
HYDRAULIC OIL COOLER, STX & STEIGER 480/530
OIL FILTER - AXLE AND TRANSMISSION
OIL FILTER - MAIN HYDRAUIC (BELOW BATTERY)
500 SERIES AXLE HYDRAULICS - LUBRICATION CIRCUIT, WHEEL TRACTOR
500 SERIES AXLE HYDRAULICS - AIR AND LUBRICATION CIRCUIT, WHEEL TRACTO
450/500 SERIES AXLE HYDRAULICS - COOLING CIRCUIT, WHEEL TRACTOR
500 SERIES AXLE HYDRAULICS - LUBRICATION CIRCUIT, QUADTRAC TRACTOR
500 SERIES AXLE HYDRAULICS - AIR AND LUBRICATION CIRCUIT, QUADTRAC TRACTOR
500 SERIES AXLE HYDRAULICS - COOLING CIRCUIT, QUADTRAC TRACTOR
REGULATOR VALVE ASSEMBLY
PRIORITY/STEERING CONTROL VALVE
TOW BLOCK VALVE ASSEMBLY
CABLE - TOW VALVE
HYDRAULIC TANK, WHEEL TRACTOR
HYDRAULIC TANK, QUADTRAC TRACTOR
STANDARD HYDRAULICS - PUMP LUBRICATION CIRCUIT, WITH POWER SHIFT TRANSMISSION
STANDARD HYDRAULICS - PUMP MOUNTING
STANDARD HYDRAULICS - PISTON PUMP ASSEMBLY
HIGH OUTPUT HYDRAULICS - PUMP LUBRICATION CIRCUIT, POWER SHIFT TRANSMISSION
HIGH OUTPUT HYDRAULICS - PUMP MOUNTING
HIGH OUTPUT HYDRAULICS - PISTON PUMP ASSY
GEAR PUMP ASSEMBLY
HYDRAULIC REMOTE HOSES - ELECTRONIC REMOTE
HYDRAULIC REMOTE CONTROL VALVE
MANIFOLD VALVE ASSEMBLY
REMOTE VALVE ASSEMBLY - ELECTRONIC REMOTE
COUPLER VALVE ASSEMBLY
MAIN AND AUXILIARY VALVE ASSEMBLY - ELECTRONIC CONTROLLED
HITCH VALVE ASSEMBLY - ELECTRONIC CONTROLLED
MOTOR RETURN
COUPLERS - POWER BEYOND
COUPLER MOUNTS - WITHOUT POWER TAKEOFF AND THREE POINT HITCH
THREE POINT HITCH HYDRAULICS - ELECTRONIC CONTROLLED HITCH SYSTEM
CYLINDER ASSY - THREE POINT HITCH
HYDRAULICS - TWIN FLOW CIRCUITRY
TWIN FLOW HYDRAULICS - AUXILIARY REMOTE MOUNTING
TWIN FLOW HYDRAULIC MANIFOLD ASSY
TWIN FLOW HYDRAULIC PUMP ASSY
OIL FILTER - TWIN FLOW HYDRAULICS
HYDRAULICS - FAN DRIVE CIRCUITRY, BSN Z6F100996
HYDRAULICS - FAN DRIVE CIRCUITRY, ASN Z6F100996
HYDRAULIC FAN PUMP ASSY
TRAILER BRAKES - HYDRAULIC
VALVE - HYDRAULIC TRAILER BRAKE
HYDRAULICS - PARALLEL FLOW CIRCUITRY
THREE POINT HITCH
ROCKSHAFT
THREE POINT HITCH - UPPER LINK, WITHOUT POWER TAKEOFF
THREE POINT HITCH - UPPER LINK, WITH POWER TAKEOFF
LINK ASSEMBLY - UPPER
LINK ASSEMBLY - LIFT
DRAWBAR - HEAVY DUTY, WITHOUT THREE POINT HITCH
DRAWBAR - HEAVY DUTY, WITH THREE POINT HITCH
DRAWBAR - REYNOLDS
CAB MOUNTING
INTERIOR TRIM - DELUXE AND LUXURY CABS
CAB - FLOORMATS AND DOORS
DOOR ASSEMBLY
CAB - SKIRTS AND GLASS
ROOF
CAB - HEADLINER AND CONTROL PANEL, DELUXE AND LUXURY CAB
CONSOLE - RIGHT-HAND ARMREST, MANUAL
CONSOLE - RIGHT HAND ARMREST, ELECTRIC, BSN Z7F105745
FRONT CONSOLE
MIRRORS
SEAT - NON-INSTRUCTIONAL
SEAT - INSTRUCTIONAL
SEAT - OPERATORS
SEAT - CUSHION ASSEMBLY
SUSPENSION ASSEMBLY - SEAT
POSITIVE RESPONSE SUSPENSION ASSEMBLY - SEAT
FRONT FRAME, WHEEL TRACTOR, STX & STEIGER 480/530
BATTERY DOOR ASSEMBLY, WHEEL TRACTOR
FRONT FRAME, QUADTRAC TRACTOR, STX & STEIGER 480/530
BATTERY DOOR ASSEMBLY, QUADTRAC TRACTOR
STEPS, QUADTRAC TRACTOR
PUSH ARM ASSEMBLY
BUMPER, STX & STEIGER 480/530
GRILLE
HOOD AND SUPPORT, STX & STEIGER 480/530
HOOD - LIFT ARM
CENTER LINK
REAR FRAME, QUADTRAC TRACTOR
REAR FRAME, WHEEL TRACTOR
HEATER - HOSES, STX & STEIGER 480/530
AIR CONDITIONING SYSTEM, STX & STEIGER 480/530
AIR CONDITIONING - DUCTS
AIR CONDITIONING - AIR FILTER HOUSING ASSEMBLY
AIR CONDITIONING - BLOWER ASSEMBLY
AIR CONDITIONING - CLIMATE CONTROL UNIT, WITH AUTO TEMP CONTROL
MONITOR MOUNTING
STORAGE BOX
WEIGHTS - FRONT FRAME
WEIGHTS - REAR FRAME
WEIGHTS - WHEEL
TOW CABLE
FIRE EXTINGUISHER
DECALS, HOOD, BSN Z6F105001
DECALS
DECALS
DECALS
1
2
3
4
5
6
7
8
9
9
10
11
12
13
14
15
16
17
18
20
21
22
23
25
26
27
28
Позиция на иллюстрации
Заводской номер детали
Название детали
352211A1
352211A1
GEAR SET
1
NSS
NOT SERVICED SEPARATELY
2
248118A1
BEARING
3
248114A1
BEARING SET
4
328421A5
COVER
5
238-5122
O-RING
6
191440A1
BEARING
7
67190R91
BEARING
8
229515A1
SNAP RING
9
100-21550
RING
10
87432424
SEAL
11
515-2279
CLAMP
12
228968A2
SPACER
13
191713A1
SPACER
14
191709A1
SHIM
14
191711A1
SHIM
14
191712A1
SHIM
14
220785A1
SHIM
15
628-8016
BOLT
16
284186A1
SEAL
17
238-5276
O-RING
18
284180A1
PIPE
19
237-6006
O-RING
20
279714A4
SHIM
20
279715A4
SHIM
20
279716A4
SHIM
20
279717A4
SHIM
21
284184A1
YOKE
22
221578A1
PLUG
23
637-63153
O-RING
24
9625178
PLUG
25
86985636
ELBOW
26
237-6006
O-RING
27
896-12016
WASHER
28
828-16055
BOLT
29
221578A1
PLUG
30
637-63153
O-RING
Содержащиеся в справочниках-каталогах запасные части и детали не предлагаются к продаже, а носят исключительно информационный характер
Дополнительная информация
×
Название:
Номер:
Примечание: