Вернуться на главную
Поиск
Каталоги запчастей к технике
Сельхозтехника
CASE IH
Puma-210
DOOR LH
Каталог запасных частей к технике: CASE IH Puma-210. DOOR LH
zoom-in
zoom-out
enlarge
shrink
circle-right
circle-left
file-text2
info
cart
Тип техники
Не выбрано
Легковые автомобили
Грузовые автомобили и прицепы
Автобусы
Сельхозтехника
Спецтехника
Двигатели
Мототехника
Марка
Не выбрано
AGCO
Amity
CASE IH
DongFeng
Fortschritt
Foton
Franz Kleine
Gaspardo
Great Plains
KRONE
KUHN
Lemken
Lovol
MacDon
Massey Ferguson
New Holland
TIGARBO
Vaderstad
Versatile
Wirax
Агро
Агротехмаш
Бобруйскагромаш (ОАО «УКХ «Бобруйскагромаш»)
БЭМЗ
ВгТЗ
Воронежсельмаш
ВТЗ
Гомсельмаш
ДКЗ
ЗАО "Техника-сервис"
ЗиД
КЗК
Кировец-Ландтехник
Клевер
Красная Звезда
Лидагропроммаш
Лидсельмаш
ЛТЗ
Машстройхолдинг
Минитракторы
Мордовагромаш
МТЗ
Навигатор-Новое машиностроение
Нефтекамский автозавод
ПТЗ
Ремком
РСМ
Сибсельмаш
ТеКЗ
ТКЗ
ХЗТСШ
ХТЗ
ЮМЗ
Модель
Не выбрано
430 Steiger 4WD (2010)
Axial Flow 2388 (2010)
MRX-690 (2012)
MX-240 Magnum (2007)
MX-255 Magnum (2006)
MX-285 Magnum (2007)
MX-305 Magnum (2007)
Puma-210 (2010)
STX-530 Steiger (2010)
Жатка-2030 (RIGID) (2010)
Жатка-2152 (2010)
Культиватор-Tigermate 2 DMI (2010)
Схема
>
Не выбрано
ENGINE
CRANKCASE
ENGINE OIL SUMP
CRANKCASE COVERS
CYLINDER HEAD
CYLINDER HEAD COVERS
CYLINDER HEAD COVERS
ROCKER SHAFT
INTAKE MANIFOLD
EXHAUST MANIFOLD
CRANKSHAFT
CONNECTING ROD
PISTON
FLYWHEEL
PULLEY CRANKSHAFT
CAMSHAFT - TIMING CONTROL
INJECTION PUMP
INJECTION EQUIPMENT - INJECTOR
A INJECTION PUMP - COMPONENTS
INJECTION EQUIPMENT - PIPING
FUEL FILTER
PIPING FUEL
INJECTION EQUIPMENT - PIPING
TURBOCHARGER
ENGINE OIL DIPSTICK
OIL PUMP
OIL FILTER
PIPING ENGINE OIL
HEAT EXCHANGER ENGINE
WATER PUMP
PIPING ENGINE COOLING SYSTEM
PIPING ENGINE COOLING SYSTEM
THERMOSTAT ENGINE COOLING SYSTEM
WATER PUMP - CONTROL
FAN DRIVE
POWER TAKE OFF
STARTER MOTOR
COMPRESSOR, AIRCOND
ALTERNATOR
ELECTRONIC INJECTION
MOTOR ELECTRIC INSTALLATION
FUEL TANK
FUEL LINES
MAIN FUEL TANK SUPPORT
AUXILIARY FUEL TANK SUPPORT
FUEL TANK GUARDS
SILENCER
RADIATOR & RELATED PARTS - C5549
RADIATOR & RELATED PARTS - D5549
RADIATOR - BREAKDOWN - C5549
RADIATOR - BREAKDOWN - D5549
COOLING, EXPANSION TANK / TEMPERATURE CONTROL
RADIATOR HOSES
RADIATOR DUCT AND SEALS
DRY AIR FILTER - PIPES
HEAT EXCHANGER - AIR-AIR
ENGINE GUARDS
AIRBRAKE GUARDS FOR FRONT SUSPENSION AXLES
CLUTCH BOX ASSY
CLUTCH BOX ASSY
SPACER
CENTRAL HOUSING / TRANSMISSION BOX
CENTRAL HOUSING / TRANSMISSION BOX
CENTRAL HOUSING / TRANSMISSION BOX
OIL BREATHER ASSEMBLY
FULL POWER SHIFT TRANS. 19X6 - CENTRAL HOUSING
FULL POWER SHIFT TRANS. 19X6
FRONT AXLE SUPPORT (2WD)
FRONT AXLE SUPPORT (4WD)
FRONT AXLE TRUNNIONS (4WD)
FRONT WEIGHT CARRIER
SIDE RAILS
INTEGRAL CARRIER AND 10X45KG PACK FOR NAR ONLY
INTEGRAL CARRIER AND 10X45KG PACK FOR NAR ONLY
4WD FRONT AXLE WITH ACTIVE SUSPENSIONS
4WD FRONT AXLE WITH ACTIVE SUSPENSIONS
4WD FRONT AXLE WITH ACTIVE SUSPENSIONS
4WD FRONT AXLE WITH ACTIVE SUSPENSIONS
4WD FRONT AXLE WITH ACTIVE SUSPENSIONS
4WD FRONT AXLE WITH ACTIVE SUSPENSIONS
4WD FRONT AXLE WITH ACTIVE SUSPENSIONS
4WD FRONT AXLE WITH ACTIVE SUSPENSIONS
WEIGHT CARRIER - WITH HOOK
WEIGHT CARRIER - WITH HOOK
LOWER FRONT WEIGHT
SIDE FRAMES W/QUICK MULTI COUPLERS FOR NA - BRAKETS
CLUTCH, PTO
CLUTCH ENGAGEMENT
CLUTCH ENGAGEMENT
CLUTCH ENGAGEMENT
CLUTCH ENGAGEMENT
CLUTCH ENGAGEMENT
CLUTCH ENGAGEMENT
CLUTCH ENGAGEMENT
CLUTCH ENGAGEMENT
CLUTCH ENGAGEMENT
CLUTCH ENGAGEMENT
HYDRAULIC GEARBOX CONTROL
HYDRAULIC GEARBOX CONTROL
TRANSMISSION OIL COOLER AND PIPES
FULL POWER SHIFT TRANS. 19X6 - GEAR CHANGE LUBRICATION PIPES
TRANSMISSION, COVERS AND SUPPORTS
CENTRAL REDUCTION GEARS
CENTRAL REDUCTION GEARS
CENTRAL REDUCTION GEARS
CENTRAL REDUCTION GEARS
CENTRAL REDUCTION GEARS
CENTRAL REDUCTION GEARS
CENTRAL REDUCTION GEARS
CENTRAL REDUCTION GEARS
CENTRAL REDUCTION GEARS
CENTRAL REDUCTION GEARS
CENTRAL REDUCTION GEARS
CENTRAL REDUCTION GEARS
CENTRAL REDUCTION GEARS
FULL POWER SHIFT GEAR CHANGE 19X6 (50 KM/H) - BEVEL GEAR PAIR AND RELEVANT GEARS
FULL POWER SHIFT GEAR CHANGE 19X6 (40 KM/H) - BEVEL GEAR PAIR AND RELEVANT GEARS
CENTRAL REDUCTION GEAR CONTROLS
CENTRAL REDUCTION GEAR CONTROLS
FULL POWER SHIFT TRANS. 19X6 - CENTRAL GEAR REDUCTION CONTROLS
FULL POWER SHIFT TRANS. 19X6 - CENTRAL GEAR REDUCTION CONTROLS
SUPP. GEAR REDUCTION UNIT FOR FULL POWER SHIFT - REDUCTION UNIT CONTROLS
SUPP. GEAR REDUCTION UNIT FOR FULL POWER SHIFT - REDUCTION UNIT CONTROLS
SUPP. GEAR REDUCTION UNIT FOR FULL POWER SHIFT - REDUCTION UNIT CONTROLS
DIFFERENTIAL GEARS
FULL POWER SHIFT TRANS. 19X6 - CLUTCH DELIVERY MANIFOLD DRIVINGSHAFT
FULL POWER SHIFT TRANS. 19X6 - CLUTCH COVER PLATE AND RELEVANT PARTS
FULL POWER SHIFT GEAR CHANGE 19X6 (50 KM/H) - SAFETY VALVE AND RELEVANT PARTS
DIFFERENTIAL LOCKS
4WD AXLES W/ACTIVE SUSPENSION - HYDRAULIC DIFFERENTIAL LOCK
PRIORITY VALVE AND PIPES - BREAKDOWN
PUMPS FOR HYDRAULIC SYSTEM AND LIFT
PUMPS FOR HYDRAULIC SYSTEM AND LIFT
PUMPS FOR HYDRAULIC SYSTEM AND LIFT
PUMPS FOR HYDRAULIC SYSTEM AND LIFT
PUMPS FOR HYDRAULIC SYSTEM AND LIFT
PUMPS FOR HYDRAULIC SYSTEM AND LIFT
PUMPS FOR HYDRAULIC SYSTEM AND LIFT
HYDRAULIC PUMP - BREAKDOWN - PUMP HOUSING
HYDRAULIC PUMP - BREAKDOWN - TRANSMISSION HOUSING
150 L/MIN PUMP CCLS W/EDC - PUMPS FOR HYDRAULIC SYSTEM AND LIFT
150 L/MIN PUMP CCLS W/EDC - PUMPS FOR HYDRAULIC SYSTEM AND LIFT
150 L/MIN PUMP CCLS W/EDC - PUMPS FOR HYDRAULIC SYSTEM AND LIFT
150 L/MIN PUMP CCLS W/EDC - PUMPS FOR HYDRAULIC SYSTEM AND LIFT
150 L/MIN PUMP CCLS W/EDC - PUMPS FOR HYDRAULIC SYSTEM AND LIFT
150 L/MIN PUMP CCLS W/EDC - PUMPS FOR HYDRAULIC SYSTEM AND LIFT
150 L/MIN PUMP CCLS W/EDC - HYDRAULIC PUMP - BREAKDOWN
150 L/MIN PUMP CCLS W/EDC - HYDRAULIC PUMP - BREAKDOWN
150 L/MIN PUMP CCLS W/EDC - HYDRAULIC PUMP - BREAKDOWN
START HYDRAULIC CLUTCH (4WD)
START HYDRAULIC CLUTCH (4WD)
START HYDRAULIC CLUTCH (4WD)
FRONT AXLE PROPELLER SHAFT (4WD)
4WD AXLE WITH ACTIVE SUSPENSIONS, FULL POWER SHIFT - DRIVE SHAFT
4WD FRONT AXLE - BOX
4WD FRONT AXLE - STEERING AXLES - HUBS
4WD FRONT AXLE - LINK
4WD FRONT AXLE - SUPPORT
4WD FRONT AXLE - SUPPORT
4WD FRONT AXLE - BEVEL GEAR PAIR
4WD FRONT AXLE - BEVEL GEAR PAIR
4WD FRONT AXLE - DIFFERENTIAL LOCKING
4WD FRONT AXLE - HYDRAULIC DIFFERENTIAL LOCK
4WD FRONT AXLE - DIFFERENTIAL GEARS AND DIFFERENTIAL SHAFT
4WD FRONT AXLE - AXLE-SHAFT ARTICULATED - BREAKDOWN
4WD FRONT AXLE - HYDRAULIC STEERING CYLINDER
4WD FRONT AXLE - HYDRAULIC STEERING CYLINDER - BREAKDOWN
4WD FRONT AXLE WITH SUSPENSIONS, BRAKE, TERRALOCK - BOX
4WD FRONT AXLE WITH SUSPENSIONS,BRAKE,"TERRALOCK"- STEERING PIVOT PINS
4WD FRONT AXLE WITH SUSPENSIONS, BRAKE, TERRALOCK - SUPPORT
4WD FRONT AXLE WITH SUSPENSIONS, BRAKE, TERRALOCK - BEVEL GEAR PAIR
4WD FRONT AXLE WITH SUSPENSIONS, BRAKE, TERRALOCK - HYDRAULIC DIFFERENTIAL LOCK
4WD FRONT AXLE WITH SUSPENSIONS,BRAKE,"TERRALOCK" - GEARS AND DIFFERENTIAL AXLE
4WD FRONT AXLE - AXLE-SHAFT ARTICULATED - BREAKDOWN
4WD FRONT AXLE WITH SUSPENSIONS, BRAKE, TERRALOCK - BRAKES
4WD FRONT AXLE WITH SUSPENSIONS, BRAKE, TERRALOCK - BRAKES
4WD FRONT AXLE WITH ACTIVE SUSPENSIONS, BRAKE
4WD FRONT AXLE WITH ACTIVE SUSPENSIONS, BRAKE
4WD FRONT AXLE WITH ACTIVE SUSPENSION - SUPPORT
4WD FRONT AXLE WITH ACTIVE SUSPENSION - SUPPORT
4WD FRONT AXLE WITH ACTIVE SUSPENSIONS - BEVEL GEAR PAIR
4WD FRONT AXLE WITH ACTIVE SUSPENSIONS - BEVEL GEAR PAIR
2WD FRONT AXLE - BODY
FRONT AXLE (2WD) - TRACK ROD ASSY
A FRONT AXLE (2WD) - STEERING, CYLINDER
POWER STEERING PIPES
STEERING CYLINDER PIPES AND POWER STEERING PIPES
POWER STEERING DELIVERY AND RETURNS PIPES
4WD AXLE W/BRAKES AND W/SUSPENSION, FRONT HOSES SUSPENSION, BRAKE CONTROL
FAST STEER - VALVE - C5420
FAST STEER - VALVE - D5420
VALVE - BREAKDOWN - D5420
VALVE - BREAKDOWN - D5420
SIDE REDUCTION UNIT (FINAL DRIVE) HOUSING AND COVERS
FINAL DRIVE, GEARS AND SHAFTS
BAR AXLE 119" FOR STEEL WHEELS & EXTREMITY LIGHTS - GEARS AND SHAFT
BAR AXLE 119" FOR STEEL WHEELS & EXTREMITY LIGHTS - GEARS AND SHAFT
BARAXLE 98" AND 112" FINAL DRIVE, GEARS AND SHAFTS
EXTERNAL HUB FOR TWIN WHEELS WITH STEEL RIMS
REAR BALLAST
REAR BALLAST
REAR BALLAST
TRANSMISSION BRAKES
OIL BRAKES TANK
SHUTTLE LEVER OPERATED TRASMISSION LOCK - OIL BRAKES TANK
PARKING BRAKE
SHUTTLE LEVER OPERATED TRASMISSION LOCK
SHUTTLE LEVER OPERATED TRASMISSION LOCK
BRAKE PIPING
FRONT AXLE WITH BRAKES - PIPING
TRAILER AIR BRAKE - BRACKET FOR AIR COMPRESSOR
TRAILER AIR BRAKE - PULLEYS AND BELT
TRAILER AIR BRAKE - PIPES
TRAILER AIR BRAKE - PIPES
TRAILER AIR BRAKE - AIR TANK AND PIPES
TRAILER AIR BRAKE - AIR TANK AND PIPES
TRAILER AIR BRAKE - QUICK HITCH AND PIPES
TRAILER AIR BRAKE - CONTROL VALVE AND RELEVANT PARTS
TRAILER AIR BRAKE - CONTROL VALVE AND RELEVANT PARTS
TRAILER AIR BRAKE (UK) - QUICK HITCH AND PIPES
BATTERY AND BATTERY MOUNTING
BATTERY, CABLES
ELECTRICALLY CONTROLLED BATTERY ISOLATOR
MECHANICALLY CONTROLLED BATTERY ISOLATOR
FAST STEERING - AUXILIARY CABLES
HEADLAMPS - INDICATORS
WORKLAMPS AND CAB LIGHTING
REAR COMBINATION LAMPS
ROTARY BEACON
EXTREMITY LIGHTS
PILLAR MOUNTED HALOGEN WORKLIGHTS
GRABRAIL WORK LAMPS
NORTH AMERICA VERSION - SMV WORKLAMPS
POWER TAKE-OFF 750/1000 RPM
POWER TAKE-OFF 750/1000 RPM
POWER TAKE-OFF 540/1000 RPM
POWER TAKE-OFF 540E/750/1000 RPM
PTO 540/1000 RPM - SHAFTS AND RELEVANT PARTS
PTO 540/1000 RPM - SUPPORT AND FORK
PTO 540/1000 RPM - BOX AND RELEVANT GEARS
FRONT LINKAGE
FRONT LINKAGE
FRONT LINKAGE FOR SUPERSTEER AXLE
PTO, CLUTCH
PTO, CLUTCH
PTO, CLUTCH - (2WD)
PTO, CLUTCH - (4WD)
SUPP. GEAR REDUCTION UNIT FOR FULL POWER SHIFT - PTO CLUTCH - 2WD
SUPP. GEAR REDUCTION UNIT FOR FULL POWER SHIFT - PTO CLUTCH - 4WD
FULL POWER SHIFT TRANS. 19X6 - PTO CLUTCH (4WD)
FRONT LINKAGE
FRONT LINKAGE
FRONT LINKAGE
FRONT LINKAGE
THIRD-LINK SPRAG - BREAKDOWN
LIFTER, LINES
LIFTER, LINES
4WD AXLES W/ACTIVE SUSPENSION - LIFTER, LINES
ASSY POSITION CONTROL DEVICE
CYLINDER
HYDRAULIC POWER LIFT - LIFTER, PISTON AND CYLINDER
EXTRA CONTROL VALVES AND PIPES
EXTRA CONTROL VALVES AND PIPES
A REMOTE CONTROL VALVE - BREAKDOWN
B EDC VALVE - BREAKDOWN
C REMOTE CONTROL VALVES BODY - BREAKDOWN
3X MECHANICAL CLOSED CENTER REMOTES
3X MECHANICAL CLOSED CENTER REMOTES
4X MECHANICAL CLOSED CENTER REMOTES
3X MECHANICAL CLOSED CENTER REMOTES
VALVE CONTROL - BREAKDOWN
4X MECHANICAL CLOSED CENTER REMOTES
3X MECHANICAL BOSCH REMOTES
POWER BEYOND VALVE - BREAKDOWN
3X ELECTRONIC REAR REMOTES
4X ELECTRONIC REAR REMOTES
4X ELECTRONIC REAR REMOTES
4X ELECTRONIC REAR REMOTES
4X ELECTRONIC REAR REMOTES
4X ELECTRONIC REAR REMOTES
5X ELECTRONIC REAR REMOTES
5X ELECTRONIC REAR REMOTES
3X ELECTRONIC BOSCH REAR REMOTES
3X ELECTRONIC BOSCH REAR REMOTES
ELECTRONIC CONTROL VALVE - BREAKDOWN
ELECTRONIC MID MOUNTED VALVES
RIGHT LIFT ROD AND TOP LINK HYDRAULIC ADJUST W/ELECTRONIC CONTROL - PIPES
RIGHT LIFT ROD AND TOP LINK HYDRAULIC ADJUST W/ELECTRONIC CONTROL - PIPES
TRAILER BRAKE LOGIC VALVE FOR CLOSED CENTRE LOAD SENSING
HYDRAULIC TRAILER BRAKE (UNIVERSAL) - BRAKING SYSTEM
TRAILER BRAKE VALVE (UNIVERSAL) - BREAKDOWN
HYDRAULIC TRAILER BRAKE (ITALY) - BRAKING SYSTEM
TRAILER BRAKE VALVE (ITALY) - BREAKDOWN
TRAILER BRAKE VALVE (ITALY) - MANIFOLD - BREAKDOWN
LIFTER, ROCK SHAFT AND ASSOCIATES
HOOD
HOOD
HOOD
DYNAMIC FRONT FENDERS - SUPPORT
DYNAMIC FRONT FENDERS - FENDERS AND BRACKETS
DYNAMIC FRONT FENDERS - BREAKDOWN
SWINGING DRAWBAR FOR SLIDER TOW HOOK
INDIPENDENT ROLLER SWINGING DRAWBAR
INDIPENDENT SWINGING DRAWBAR W/CLEVIS
SWINGING DRAWBAR FOR SLIDER TOW HOOK - ITALY
INDIPENDENT SWINGING DRAWBAR - NASO - WITH CLEVIS
HYDRAULIC AUTO PICK-UP HITCH WITH DRAWBAR
HYDRAULIC AUTO PICK-UP HITCH WITH DRAWBAR
HYDRAULIC AUTO PICK-UP HITCH WITH DRAWBAR
AUTOMATIC PICK - UP HITCH, SWINGBACK
AUTOMATIC PICK - UP HITCH, SWINGBACK
AUTOMATIC PICK - UP HITCH, SWINGBACK
TRAILER HAND BRAKE BRACKET (ITALY)
SLIDER TOW HOOK W/SWIVEL COUPLING & PITON, LESS SWINGING DRAWBAR - FRENCH TYPE
SLIDER TOW HOOK W/AUTO SWIVEL COUPLING & CABLE, LESS SWINGING DRAWBAR - GERMAN TYPE
HYDRAULIC AUTOMATIC PICK-UP HITCH WITH DRAWBAR
TOW HITCH AND TRAILER END
IMPLEMENT CARRIER
IMPLEMENT CARRIER
A END ASSEMBLY - BREAKDOWN
B TOP LINK ASSEMBLY BREAKDOWN CBM
C LIFT LINK ASSEMBLY BREAKDOWN CBM
D LIFT LINK ASSEMBLY BREAKDOWN CBM
IMPLEMENT CARRIER WITH TELESCOPIC LINK ENDS
IMPLEMENT CARRIER WITH TELESCOPIC LINK ENDS
HYDRAULIC TOP LINK FOR ALL LINKAGE OPTIONS
RH LIFT ROD AND TOP LINK HYDRAULIC ADJUSTAMENT W/ELECTRONIC CONTROL
LATERAL STABILIZERS CBM
AUTOMATIC LINKAGE STABILIZER
FOOT STEP
TOOL BOX
ELECTRIC SYSTEM CONTROL
VISCTRONIC FAN HARNESS
INSTRUMENT CLUSTER - ANALOGUE/DIGITAL AND SWITCH TOGGLE
SWITCHES AND RELATED PARTS
SWITCH AND RELATED PARTS
ELECTRIC SYSTEM, HORN & HORN MOUNTING
ELECTRIC MIRRORS, SWITCHES
FRONT HYDRAULIC LIFT AND FRONT POWER TAKE-OFF - SWITCHES AND CABLES
SHUTTLE LEVER OPERATED TRANSMISSION LOCK, SWITCHES
SHUTTLE LEVER
4WD FRONT AXLE WITH SUSPENSIONS - HARNESS
RADAR UNIT
SWITCH AND RELATED PARTS
REAR MAIN CABLE
REAR MAIN CABLE - FUSEBOX & RELATED PARTS
FRONT MAIN CABLE
CAB ROOF CABLE
BATTERY TO CAB SUPPLY CABLE
CABLE EXTENSION
CONTROL PANEL CABLE
ELECTRICAL SYSTEM CABLE
SUPPORT FOR RELAY BOX, RELAY, POWER SOCKET AND SWITCHES
AIR CONDITIONING - CABLE
HARNESS, ELECTRONIC MID MOUNTED VALVES
HARNESS, PNEUMATIC TRAILER BRAKES - UK
AIR HEATER AND RELAY CABLES
HARNESS, 4WD AXLE W/SUSPENSION W/BRKS W/FPS
EHR CONTROLS, HARNESS
ENGINE BLOCK AND TRANSMISSION HEATER, 120 V
ENGINE BLOCK AND TRANSMISSION HEATER, 240 V
HYDRAULIC TRAILER BRAKE (ITALIAN TYPE) HARNESS
RH LIFT ROD AND TOP LINK HYDRAULIC ADJUST W/ELETRONIC CONTROL - LINK LEVELLING VALVE HAR
OUTER CONTROL MOUNTED MUDGUARDS
HARNESS, FENDER W/HPL
AUTO GUIDANCE STEERING SYSTEM - CABLES
WINDSHIELD WIPER TANK
FRONT WINDSHIELD WIPER
REAR WINDSHIELD WIPER
INTENDED FOR RADIO INSTALLATION
CAB FRAME
DOOR RH
DOOR LH
DOOR LH
WINDSHIELD AND RELATED PARTS
REAR WINDOW AND RELATED PARTS
REAR FENDERS
REAR FENDERS
WIDE REAR FENDERS AND EXTENSIONS
EXTREMITY LIGHTS FOR NAR OHIO WIDE FENDERS - FENDERS AND EXTENSIONS
CAB SUPPORTS
CAB W/SUSPENSION - CAB SUPPORTS
CONTROLS COVER
CONTROLS COVER
REAR CORNER STORAGE BOX
4X ELECTRONIC REAR REMOTES - LINING
AUTO GUIDANCE STEERING SYSTEM - CONTROLS COVER
SOUNDPROOFING
FRONT MAT
REAR MAT
SEAT
SEAT - BREAKDOWN
SEAT - BREAKDOWN
SEAT - BREAKDOWN
DELUXE SEAT WITH REELING SEAT BELT AND HEATED CUSHION - BREAKDOWN
DELUXE SEAT WITH REELING SEAT BELT AND HEATED CUSHION - BREAKDOWN
DELUXE AIR SEAT WITH REELING SEAT BELT AND HEATED CUSHION - BREAKDOWN
DE LUX AIR SEAT WITH REELING SEAT BELT - BREAKDOWN
DELUXE AIR SEAT WITH REELING SEAT BELT - BREAKDOWN
DELUXE AIR SEAT WITH REELING SEAT BELT - BREAKDOWN
DELUXE SEAT WITH REELING SEAT BELT, HEATED CUSHION AND SEMI ACTIVE SUSPENSION - BR
DELUXE SEAT WITH REELING SEAT BELT, HEATED CUSHION AND SEMI ACTIVE SUSPENSION - BREA
DELUXE SEAT WITH REELING SEAT BELT, HEATED CUSHION AND SEMI ACTIVE SUSPENSION - BREA
PASSENGER SEAT
LEATHER INSTRUCTIONAL SEAT WITH BELT
PANEL INSTRUMENT
REAR-VIEW MIRRORS
ELECTRIC, TELESCOPIC SHATTERPROOF REAR VIEW MIRROR
SHATTERPROOF TELESCOPIC EXTERNAL REAR VIEW MIRROR
INTERNAL REAR-VIEW MIRROR FOR VERSION WITH TOW-HOOKS
ROOF WITH HIGH PROFILE
ROOF WITH HIGH PROFILE
ROOF WITH HIGH PROFILE
AUTO GUIDANCE STEERING SYSTEM - BRAKET AND ANTENNA
NA ROOF WITH HIGH PROFILE LESS HIGH VISIBILITY PANEL
ROOF WITH HIGH PROFILE LESS HIGH VISIBILITY PANEL
ROOF WITH HIGH PROFILE LESS HIGH VISIBILITY PANEL
ROOF WITH HIGH PROFILE WITH HIGH VISIBILITY PANEL
ROOF WITH HIGLI PROFILE WITH HIGHVISIBILITY PANEL
ROOF WITH HIGLI PROFILE WITH HIGHVISIBILITY PANEL
HEATING/AIR CONDITIONING - FAN AND VENTILATION DUCTS
HEATING/AIR CONDITIONING - VENTILATION DUCTS
HEATING/AIR CONDITIONING - HEATER-AIR CONDITIONER AND RELATED PARTS
A FAN - BREAKDOWN
AUTOMATIC CLIMATE CONTROL - VENTILATION DUCTS - C5488
AUTOMATIC CLIMATE CONTROL - VENTILATION DUCTS - D5488
AUTOMATIC CLIMATE CONTROL - BLOWER - BREAKDOWN - D5488
AUTOMATIC CLIMATE CONTROL - AIR CONDITIONER - BREAKDOWN - D5488
AUTOMATIC CLIMATE CONTROL - EVAPORATOR - BREAKDOWN - D5488
HEATING SYSTEM PIPES
HEATING SYSTEM PIPES
AIR CONDITIONING SYSTEM PIPES - C5549
AIR CONDITIONING SYSTEM PIPES - D5549
AIR CONDITIONING SYSTEM PIPES
BRAKE PEDALS
BRAKE PEDALS
HANDBRAKE CONTROL
MECHANICAL CAB SUSPENSION - HANDBRAKE CONTROL
CLUTCH PEDAL
ACCELERATOR PEDAL
HYDROSTATIC STEERING WHEEL AND STEERING COLUMN
COVERING SUPPORT - STEERING COLUMN
HYDRAULIC STEERING - BREAKDOWN
2WD HYDRAULIC STEERING - BREAKDOWN
SELF CANCELLING TURN INDICATOR - POWER STEERING AND STEERING COLUMN
SELF CANCELLING TURN INDICATOR - STEERING COLUMN
AUTO GUIDANCE STEERING SYSTEM - HYDRAULIC STEERING
FAST STEERING - POWER STEERING, VALVE AND PIPES
VALVE - BREAKDOWN
VALVE - BREAKDOWN
FAST STEERING - STEERING WHEEL - BREAKDOWN
GEARSHIFT SUPPORT
VIRTUAL TERMINAL (SWCD) MOUNTED ON IMPLEMENT BRACKET
CONTROL VALVE CONTROL
REAR CONTROL VALVES - CONTROL VALVE CONTROL
3-4 ELECTRONIC CONTROL VALVES - CONTROL VALVE CONTROL
4 X ELECTRONIC REAR REMOTES - SWITCHES
4 X ELECTRONIC REAR REMOTES - ELECTRONIC CONTROL VALVE 1 AND 2
4 X ELECTRONIC REAR REMOTES - ELECTRONIC CONTROL VALVE 3 AND 4
POWER TAKE-OFF 540E/1000 RPM - PTO CONTROL
POWER TAKE-OFF 540/1000 RPM - PTO CONTROL
ELECTRONIC UNIT CONTROL
A ARMREST
B ARMREST
ELECTRONIC CONTROL UNIT - TRANSMISSION CONTROL MODULE
DECALS
DECALS
BLANKING, FRONTAL PTO
GERMAN VERSION - DECALS
NORTH AMERICA VERSION - DECALS
NORTH AMERICA VERSION - DECALS
NORTH AMERICA VERSION - DECALS
FASTSTEER - DECALS (4WD)
DECALS, RADAR
MODEL IDENTIFICATION DECALS
FRANCE VERSION - LICENSE PLATE & LAMP
LICENSE PLATE LAMP & SUPPORT, MOUNTING ON MUDGUARD
LICENSE PLATE LAMP & SUPPORT, MOUNTING ON CAB ROOF
VIDEO SUPPORT BRACKET
CHOCK
SET OF TOOLS
SLOW MOVING VEHICLE SIGN
2WD FRONT WHEELS
4WD DRIVING WHEELS
4WD DRIVING WHEELS
4WD DRIVING WHEELS
4WD DRIVING WHEELS
4WD DRIVING WHEELS
4WD DRIVING WHEELS
4WD DRIVING WHEELS
4WD DRIVING WHEELS
4WD DRIVING WHEELS
4WD DRIVING WHEELS
DRIVE WHEELS
DRIVE WHEELS
DRIVE WHEELS
DRIVE WHEELS
DRIVE WHEELS
DRIVE WHEELS
DRIVE WHEELS
DRIVE WHEELS
DRIVE WHEELS
DRIVE WHEELS
DRIVE WHEELS
DRIVE WHEELS
DRIVE WHEELS
DRIVE WHEELS
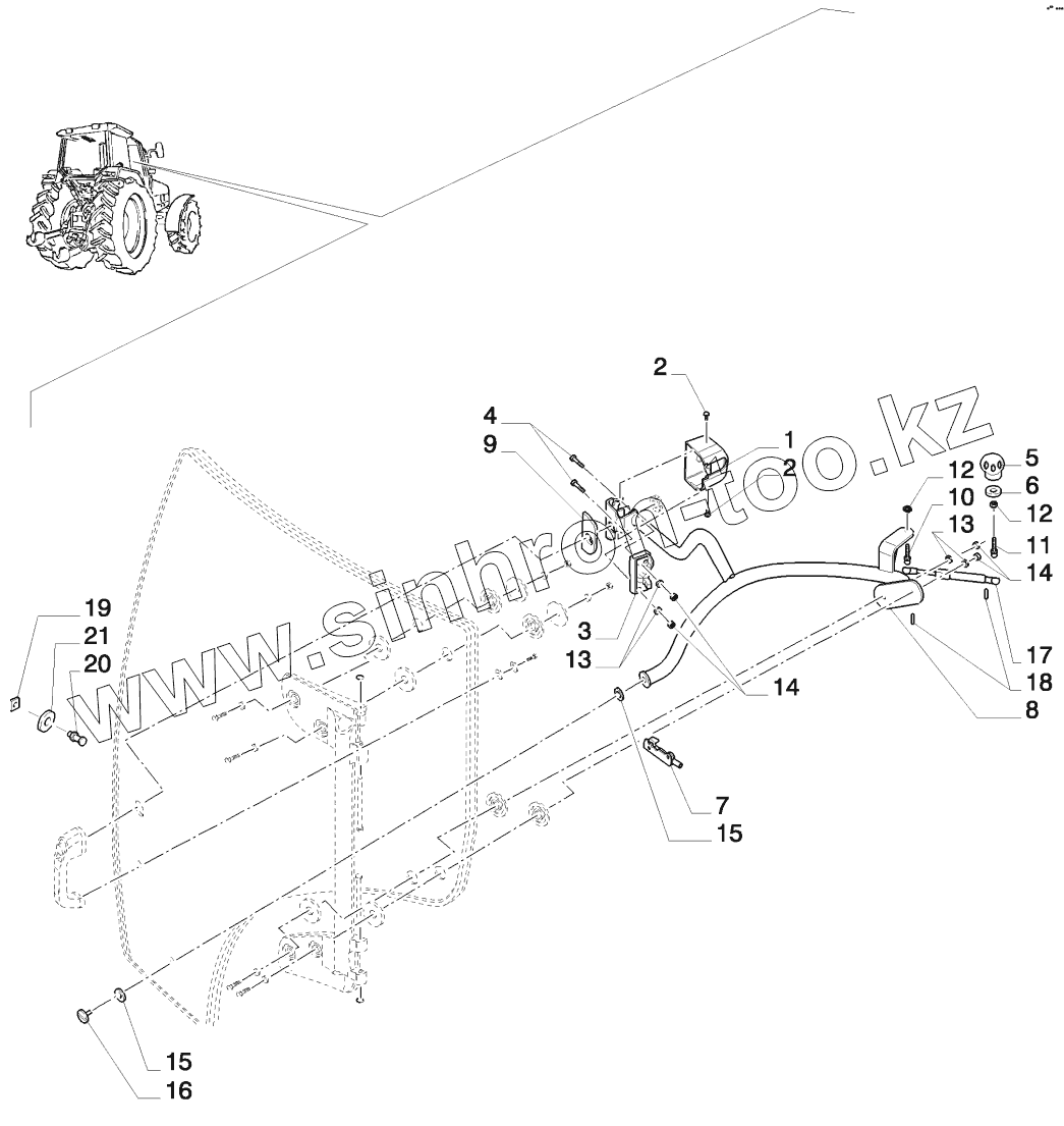
1
2
2
3
4
5
6
7
8
9
10
11
12
12
13
13
14
14
15
15
16
17
18
19
20
21
Позиция на иллюстрации
Заводской номер детали
Название детали
1
82034201
COVER
2
82029174
BUTTON
3
82032406
LOCK
4
14442431
SCREW
5
82031975
KNOB
6
12605574
WASHER
7
82032405
LEVER
8
87303638
HANDLE
9
82029165
GASKET
10
87356752
PIN
11
82000409
PIN
12
81851141
NUT
13
14496504
WASHER
14
16100811
NUT
15
81868323
WASHER
16
82013304
SCREW
17
87374182
GAS STRUT
18
81869714
CLIP
19
87378449
NUT
20
87365547
PLATE
21
14496701
WASHER
Содержащиеся в справочниках-каталогах запасные части и детали не предлагаются к продаже, а носят исключительно информационный характер
Дополнительная информация
×
Название:
Номер:
Примечание: