Вернуться на главную
Поиск
Каталоги запчастей к технике
Сельхозтехника
CASE IH
MX-305 Magnum
TRANSMISSION DROP BOX
Каталог запасных частей к технике: CASE IH MX-305 Magnum. TRANSMISSION DROP BOX
zoom-in
zoom-out
enlarge
shrink
circle-right
circle-left
file-text2
info
cart
Тип техники
Не выбрано
Легковые автомобили
Грузовые автомобили и прицепы
Автобусы
Сельхозтехника
Спецтехника
Двигатели
Мототехника
Марка
Не выбрано
AGCO
Amity
CASE IH
DongFeng
Fortschritt
Foton
Franz Kleine
Gaspardo
Great Plains
KRONE
KUHN
Lemken
Lovol
MacDon
Massey Ferguson
New Holland
TIGARBO
Vaderstad
Versatile
Wirax
Агро
Агротехмаш
Бобруйскагромаш (ОАО «УКХ «Бобруйскагромаш»)
БЭМЗ
ВгТЗ
Воронежсельмаш
ВТЗ
Гомсельмаш
ДКЗ
ЗАО "Техника-сервис"
ЗиД
КЗК
Кировец-Ландтехник
Клевер
Красная Звезда
Лидагропроммаш
Лидсельмаш
ЛТЗ
Машстройхолдинг
Минитракторы
Мордовагромаш
МТЗ
Навигатор-Новое машиностроение
Нефтекамский автозавод
ПТЗ
Ремком
РСМ
Сибсельмаш
ТеКЗ
ТКЗ
ХЗТСШ
ХТЗ
ЮМЗ
Модель
Не выбрано
430 Steiger 4WD (2010)
Axial Flow 2388 (2010)
MRX-690 (2012)
MX-240 Magnum (2007)
MX-255 Magnum (2006)
MX-285 Magnum (2007)
MX-305 Magnum (2007)
Puma-210 (2010)
STX-530 Steiger (2010)
Жатка-2030 (RIGID) (2010)
Жатка-2152 (2010)
Культиватор-Tigermate 2 DMI (2010)
Схема
>
Не выбрано
HYDRAULIC TOP LINK - HITCH
HYDRAULIC LIFT LINK - HITCH, RIGHT HAND
HYDRAULIC SYSTEM - PTO/DIFFERENTIAL LOCK VALVE
HYDRAULIC SYSTEM - REMOTE COUPLERS
HYDRAULIC SYSTEM - COUPLER SPILLAGE
HYDRAULIC SYSTEM - POWER BEYOND
HYDRAULIC SYSTEM - MOTOR RETURN
PRIORITY AND REGULATOR VALVE ASSEMBLY - MX215, MX245, MX275, MX305, MAGNUM 215, 245, 275 AND 305
PTO AND DIFFERENTIAL LOCK VALVE ASSEMBLY
REMOTE HYDRAULIC VALVE STACK, BSN AJB363596
REMOTE HYDRAULIC VALVE STACK, ASN AJB363596
MANIFOLD VALVE ASSEMBLY, WITH STANDARD AND HIGH FLOW HYDRAULICS
MANIFOLD VALVE ASSEMBLY, WITH TWINFLOW HYDRAULICS
REMOTE HYDRAULIC CONTROL VALVE, BSN AJB363596
REMOTE HYDRAULIC CONTROL VALVE, ASN AJB363596
HITCH VALVE ASSEMBLY
REMOTE HYDRAULIC COUPLING MOUNTING
REMOTE HYDRAULIC COUPLINGS
CYLINDER ASSEMBLY - HITCH (90 MM)
CYLINDER ASSEMBLY - HITCH (95 MM)
CYLINDER ASSEMBLY - HITCH (105 MM) - MX275, 305, MAGNUM 275, 305 AND 335
POWER BEYOND VALVE ASSEMBLY
FRONT FRAME
FRONT WEIGHTS
FENDERS - FRONT, NARROW
FENDERS - FRONT, WIDE
FENDERS - REAR, NARROW
FENDERS - REAR, EXTRA WIDE
HOOD - TILTING
HOOD - TILTING
FAN SHIELDS - BSN Z6RZ03644
FAN SHIELDS - ASN Z6RZ03644
CAB - MOUNTING AND FRAME
CAB - ROOF
CAB - EXTERIOR TRIM
CAB - STEPS
CAB - FRONT WINDOW STEP
CAB - DOOR
CAB - REAR WINDOW
CAB - FIXED GLASS
MIRRORS - BSN Z7RZ01152
MIRRORS - ASN Z7RZ01152
HEADLINER, STANDARD TRIM
CAB - HEADLINER, DELUXE AND LUXURY TRIM
CAB - FLOOR MAT AND INSULATION
CAB - TRIM, FENDERS
CAB - TRIM, CAB POSTS
CAB - INSTRUMENT PANEL
SEAT ASSEMBLY
CUSHION ASSEMBLY - SEAT
SUSPENSION ASSEMBLY - SEAT
POSITIVE RESPONSE SUSPENSION ASSEMBLY - SEAT
SEAT - INSTRUCTIONAL
CONSOLE, RIGHT HAND, STANDARD CAB
CONSOLE, RIGHT HAND, DELUXE AND LUXURY CAB - BSN Z6RZ04001
CONSOLE, RIGHT HAND, DELUXE AND LUXURY CAB - ASN Z6RZ04001
MONITOR MOUNTING - CAB ROOF
MONITOR MOUNTING - CAB A POST
AIR CONDITIONING - COMPRESSOR MOUNTING
AIR CONDITIONING - CONDENSER
HEATER SYSTEM
AIR CONDITIONING - CLIMATE CONTROL UNIT, WITHOUT AUTO TEMP CONTROL
AIR CONDITIONING - CLIMATE CONTROL UNIT, WITH AUTO TEMP CONTROL
AIR CONDITIONING - AIR FILTER
AIR CONDITIONING - DUCTS
CAB - INSULATION
DRAWBAR AND HAMMERSTRAP - STANDARD
DRAWBAR AND HAMMERSTRAP - HIGH CAPACITY, CAT III
DRAWBAR AND HAMMERSTRAP - HIGH CAPACITY, CAT 1V
HITCH - SUPPORTS AND ROCKSHAFT
HITCH - TOP LINK
HITCH - TOP LINK
HITCH - LIFT LINKS
CYLINDER ASSEMBLY - HYDRAULIC LIFT LINK - HITCH, RIGHT HAND
HITCH - LOWER LIFT LINKS - MX215, MX245, MX275, MX305, MAGNUM 215, 245, 275 AND 305
HITCH - LOWER LIFT LINKS - MX215, MX245, MX275, MX305, MAGNUM 215, 245, 275 AND 305
HITCH - SWAY LIMITER
HITCH - POSITION SENSOR
HITCH - DRAFT CONTROL PINS
QUICK HITCH COUPLER - CONVERTIBLE, CATEGORY III / III-N, BSN Z6RZ02099
QUICK HITCH COUPLER - CONVERTIBLE, CATEGORY III / III-N, ASN Z6RZ02099
QUICK HITCH COUPLER - CONVERTIBLE, CATEGORY III / IV-N
DECALS, BSN Z6RZ04001
DECALS
DECALS
VALVE ASSEMBLY - TRANSMISSION CONTROL (87323842)
PEDAL - INCHING
LEVER ASSEMBLY - TRANSMISSION CONTROL
REAR AXLE - HOUSING
REAR AXLE - PLANETARY, MX305 AND MAGNUM 305
REAR AXLE - 4 X 120 INCH
REAR AXLE - 4-1/2 X 120 INCH
TRANSMISSION - PUMP DRIVE
POWER TAKE OFF ASSEMBLY - INPUT SHAFT
POWER TAKE OFF ASSEMBLY - REDUCTION GEAR, DUAL SPEED
POWER TAKE OFF ASSEMBLY - OUTPUT SHAFT, DUAL SPEED
POWER TAKE OFF ASSEMBLY - OUTPUT SHAFT, SINGLE SPEED
POWER TAKE OFF ASSEMBLY - OUTPUT SHAFT, SINGLE SPEED REVERSIBLE SHAFT
POWER TAKE OFF ASSEMBLY - SHIELDS
SOLID STEEL REAR WHEELS
HUB ASSEMBLY - REAR WHEEL
SPACER - DUAL REAR WHEELS
REAR WHEEL WEIGHTS
BRAKES - PEDAL BRAKE
BRAKES - HYDRAULIC SYSTEM, WITHOUT TRAILER BRAKES
BRAKES - HYDRAULIC SYSTEM, WITH HYDRAULIC TRAILER BRAKES
BRAKES - HYDRAULIC SYSTEM, WITH PNEUMATIC TRAILER BRAKES
BRAKES - CONTROL VALVE
BRAKES - DIFFERENTIAL
PARK BRAKE - HYDRAULIC SYSTEM
PARK BRAKE - RELEASE
TRAILER BRAKES - HYDRAULIC - BSN Z7RZ01521
TRAILER BRAKES - HYDRAULIC - ASN Z7RZ01521
TRAILER BRAKES - HYDRAULIC - ACCUGUIDE
VALVE - HYDRAULIC TRAILER BRAKE
TRAILER BRAKES - PNEUMATIC, AIR COMPRESSOR MOUNTING AND DRIVE
TRAILER BRAKES - PNEUMATIC, RESERVOIR
TRAILER BRAKES - PNEUMATIC, VALVES
TRAILER BRAKES - PNEUMATIC, COUPLERS, DUAL LINE
TRAILER BRAKES - PNEUMATIC, COUPLERS, SINGLE LINE
TRAILER BRAKES - PNEUMATIC, HAND CONTROL VALVE
HYDRAULIC SYSTEM - OIL COOLER STANDARD PERFORMANCE
HYDRAULIC SYSTEM - OIL COOLER WITH SUSPENDED AXLE, 50KPH & TWINFLOW
HYDRAULIC SYSTEM - CHARGE PUMP
HYDRAULIC SYSTEM - PISTON PUMP AND FILTER, STANDARD FLOW CAPACITY & TWINFLOW
HYDRAULIC SYSTEM - TWINFLOW PUMP
HYDRAULIC SYSTEM - PISTON PUMP AND FILTER, HIGH FLOW CAPACITY
HYDRAULIC SYSTEM - REGULATED PRESSURE
HYDRAULIC SYSTEM - CREEP SPEED OR 50 KPH TRANSMISSION
HYDRAULIC SYSTEM - TRANSMISSION LUBE
HYDRAULIC SYSTEM - HITCH
WORK LAMPS - ROOF AND REAR FENDERS
C - POST ROOF LIGHTS
LAMP - BEACON
RADIOS, SPEAKERS AND ANTENNAS
GROUND SPEED SENSOR
IMPLEMENT CONNECTORS AND MOUNTING
MODULE, TRACTOR MULTIFUNCTION
ISO 11783 HARNESS AND MONITOR
ACCUGUIDE - HARNESS AND MONITOR - BSN Z6RZ04001
ACCUGUIDE - HARNESS AND MONITOR - BTW Z6RZ04001 AND Z7RZ01521
ACCUGUIDE - HARNESS AND MONITOR - ASN Z7RZ01521
REMOTE DATA LOGGER
ACCUGUIDE CONTROL MODULE AND MOUNTING
ACCUGUIDE HARNESSES
ACCUGUIDE RADIO AND ANTENNA
ACCUGUIDE BASE STATION
STEERING WHEEL AND COLUMN
STEERING COLUMN ASSEMBLY
STEERING SYSTEM - MFD - MX215, 245, 275, 305, MAGNUM 215, 245, 275, AND 305
STEERING SYSTEM - MFD WITH ACCUGUIDE
HYDRAULIC SYSTEM - MFD DIFFERENTIAL LOCK - MX215, 245, 275, 305, MAGNUM 215, 245, 275, AND 305
HYDRAULIC SYSTEM - SUSPENDED MFD AXLE, BSN Z7RZ05179
HYDRAULIC SYSTEM - SUSPENDED MFD AXLE, ASN Z7RZ05179
VALVE ASSY - SUSPENDED MFD AXLE, BSN Z7RZ05179
VALVE ASSY - SUSPENDED MFD AXLE, ASN Z7RZ05179
FRONT AXLE - MOUNTING, MFD
FRONT AXLE - SUSPENSION, SUSPENDED MFD
MFD AXLE HOUSING ASSEMBLY - STANDARD WITH 12 BOLT HUB, WITHOUT DIFFERENTIAL LOCK
MFD AXLE HOUSING ASSEMBLY - STANDARD WITH 12 BOLT HUB, WITH DIFFERENTIAL LOCK
MFD AXLE HOUSING ASSEMBLY - SUSPENDED WITH 12 BOLT HUB, WITHOUT DIFFERENTIAL LOCK
MFD AXLE HOUSING ASSEMBLY - SUSPENDED WITH 12 BOLT HUB, WITH DIFFERENTIAL LOCK
FRONT AXLE KING PIN WITH ACCUGUIDE
FRONT AXLE DRIVE SHAFT - MFD, WITHOUT DIFFERENTIAL LOCK
FRONT AXLE DRIVE SHAFT - MFD, WITH DIFFERENTIAL LOCK
CARRIER AND DIFFERENTIAL - MFD, 12 BOLT HUB, WITHOUT DIFFERENTIAL LOCK
CARRIER AND DIFFERENTIAL - MFD, 12 BOLT HUB, WITH DIFFERENTIAL LOCK
FRONT AXLE PLANETARIES AND HUB - MFD, 12 BOLT HUB
STEERING CYLINDER ASSEMBLY - MFD, 12 BOLT HUB
FRONT WHEELS - MFD, 12 BOLT HUB
DUAL FRONT WHEELS
TRANSMISSION DRIVE SHAFT
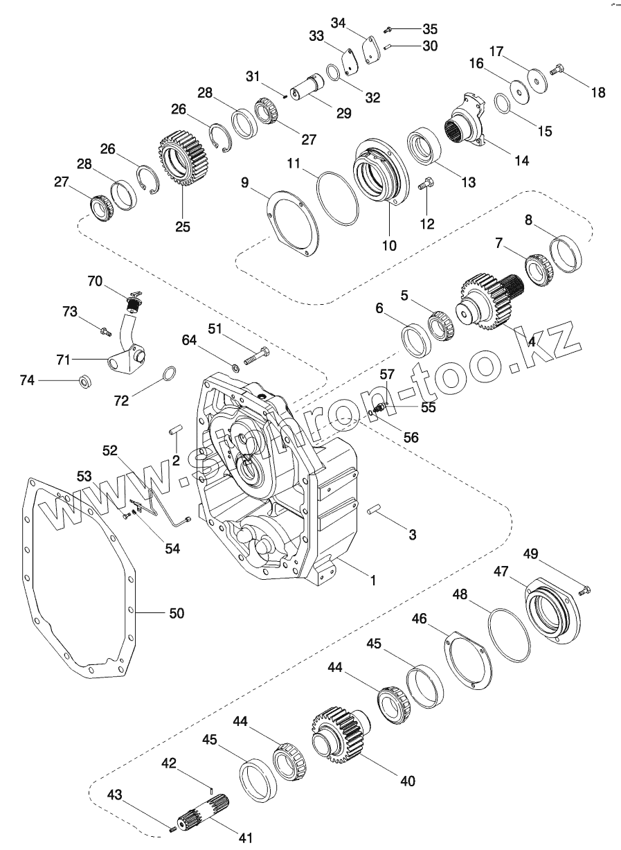
TRANSMISSION DROP BOX
SPEED TRANSMISSION - HOUSING
PLATE ASSEMBLY - VALVE MOUNTING, LEFT HAND SIDE
PLATE ASSEMBLY - VALVE MOUNTING, TOP
SPEED TRANSMISSION - INPUT SHAFT WITHOUT CREEP OR 19 SPEED
SPEED TRANSMISSION - INPUT SHAFT WITH CREEP/19 SPEED OR 50 KPH TRANSMISSION
SPEED TRANSMISSION - COUNTERSHAFT WITHOUT CREEP OR 19 SPEED
SPEED TRANSMISSION - COUNTERSHAFT WITH CREEP/19 SPEED OR 50 KPH TRANSMISSION
SPEED TRANSMISSION - OUTPUT SHAFT FRONT CLUTCH
SPEED TRANSMISSION - OUTPUT SHAFT REAR CLUTCH
RANGE TRANSMISSION - HOUSING
VALVE ASSY - INCHING
RANGE TRANSMISSION - INPUT SHAFT
RANGE TRANSMISSION - MASTER CLUTCH
RANGE TRANSMISSION - COUNTERSHAFT
TRANSMISSION - PINION SHAFT AND GEARS
TRANSMISSION - DIFFERENTIA
RANGE TRANSMISSION - MFD CLUTCH AND PARK BRAKE - TRANSMISSION BSN AJB367211
RANGE TRANSMISSION - MFD CLUTCH AND PARK BRAKE - TRANSMISSION ASN AJB367211
MFD AXLE - DRIVE SHAFT
TRANSMISSION CONTROL VALVE LOCATION
VALVE ASSEMBLY - TRANSMISSION CONTROL (450729A2)
VALVE ASSEMBLY - TRANSMISSION CONTROL (450724A2)
VALVE ASSEMBLY - TRANSMISSION CONTROL (450728A2)
RADIATOR AND FAN SHROUD
RADIATOR ASSEMBLY
DEAERATION SYSTEM
AIR INDUCTION SYSTEM - STANDARD DUTY
AFTERCOOLER
EXHAUST SYSTEM
ENGINE MOUNTING - STANDARD AXLE
FLYWHEEL SHIELDS, BSN Z6RZ02948
FLYWHEEL SHIELDS, ASN Z6RZ02948
WATER PUMP SYSTEM
FRONT GEAR COVER
MANIFOLDS
TURBOCHARGER SYSTEM
FILTER AND COOLER - OIL
OIL PUMP AND OIL PAN
CYLINDER HEAD - COVER
CYLINDER HEAD - VALVE MECHANISM, MX275, 305, MAGNUM 275, 305, AND 335
THERMOSTAT - FILTER, WATER
CRANKCASE, BREATHER
CAMSHAFT
CYLINDER BLOCK - ENGINE BLOCK HEATERS
KIT ENGINE OVERHAUL, MX275, MX305, MAGNUM 275, 305 AND 335
CRANKSHAFT
FLYWHEEL
PISTONS AND CONNECTING RODS
GASKET KIT - VALVE GRIND
GASKET KIT - CYLINDER BLOCK
GASKET KIT - BASIC SERVICE ENGINE
FUEL INJECTION SYSTEM
FUEL DRAIN
PUMP, FUEL TRANSFER
FUEL FILTER AND CONNECTIONS
FUEL INJECTION - PUMP AND DRIVE
HAND THROTTLE
FOOT THROTTLE
FUEL TANKS
FUEL LINES
FUEL SEPARATOR FILTER
HARNESS - ENGINE
POWER DISTRIBUTION
MODULE, ENGINE CONTROL
HARNESS, ENGINE CONTROL MODULE
MODULES- CHASSIS
HARNESS-CHASSIS
SOLENOID AND CABLES - GRID HEATER
HARNESS - REMOTE HYDRAULIC VALVE
HARNESS - CAB
HARNESS - CAB ROOF, SHELF AND CD CHANGER
HARNESS - SUSPENDED AXLE
HARNESS - EGRESS LIGHTING
ELECTRICAL COMPONENT MOUNTING - BSN Z7RZ05917
ELECTRICAL COMPONENT MOUNTING - ASN Z7RZ05917
ELECTRICAL COMPONENT MOUNTING - FUSES
A-POST COVER - INSTRUMENT CLUSTER
CONTROLS - FRONT CONSOLE
CONTROLS - RIGHT HAND CONSOLE
CONTROLS - RIGHT FENDER CONSOLE, WITHOUT ATC
CONTROLS - RIGHT FENDER CONSOLE, WITH ATC
ALTERNATOR - MOUNTING
STARTER - MOUNTING
SOLENOID - STARTER
BATTERY, BATTERY BOX AND CABLES
WINDSHIELD WIPER ASSEMBLY - FRONT AND REAR
RIGHT HAND WINDOW WIPER
WINDSHIELD WASHER
HEADLAMPS, BSN Z6RZ02943
HEADLAMPS, ASN Z6RZ02943
LAMPS - WIDE TRANSPORT, ADJUSTABLE
LAMPS - WIDE TRANSPORT, FIXED
LAMPS - FRONT WORK
LAMPS - CAB ROOF
LAMPS - REAR FENDER AND REMOTE HITCH SWITCH
1
2
3
4
5
6
7
8
9
9
9
9
9
10
11
12
13
14
14
15
16
16
16
16
16
17
18
25
26
26
27
27
28
28
29
30
31
32
33
33
33
33
33
34
35
40
41
41
42
43
44
44
45
45
46
46
46
46
46
47
48
49
50
51
52
53
54
55
56
57
64
70
71
72
73
74
Позиция на иллюстрации
Заводской номер детали
Название детали
275217A2
275217A2
KIT
276639A1
276639A1
KIT
275219A2
275219A2
KIT
275216A2
275216A2
KIT
1
225171A6
HOUSING
2
375362R1
PIN
3
837-20040
DOWEL
4
302553A1
SHAFT
5
105503H
BEARING
6
105496H
BEARING
7
659458R1
BEARING
8
105497H
BEARING
9
341206A1
SHIM
9
341205A1
SHIM
9
275214A1
SHIM
9
228267A1
SHIM
9
228270A1
SHIM
10
221240A4
CAGE
11
238-5161
O-RING
12
339770A1
SCREW
13
225820A1
SEAL
14
301843A1
YOKE
14
259188A1
YOKE
15
238-5225
O-RING
16
230488A1
SHIM
16
230490A1
SHIM
16
230487A1
SHIM
16
276638A1
SHIM
16
230486A1
SHIM
17
230497A1
WASHER
18
628-16035
BOLT
25
302554A1
SHAFT
26
101-21325
RING
27
364463C91
BEARING
28
364462C1
BEARING
29
228304A2
SHAFT ASSY
30
837-8020
DOWEL
31
1342851C1
PLUG
32
238-5140
O-RING
33
341208A1
SHIM
33
228303A1
SHIM
33
275215A1
SHIM
33
228300A1
SHIM
33
341207A1
SHIM
34
258469A1
PLATE
35
339770A1
SCREW
40
302555A1
SHAFT
41
282726A1
SHAFT
41
282724A1
SHAFT
42
38-3605
PIN
43
284151A1
SCREW
44
105503H
BEARING
45
105496H
BEARING
46
341210A1
SHIM
46
341209A1
SHIM
46
275213A1
SHIM
46
228261A1
SHIM
46
228265A1
SHIM
47
226188A3
CAGE
48
238-5157
O-RING
49
339770A1
SCREW
50
230760A2
GASKET
51
828-20110
BOLT
52
259979A2
TUBE
53
614-10020
BOLT
54
892-11010
WASHER
55
93105C1
UNION
56
237-6008
O-RING
57
238-6014
O-RING
64
896-12020
WASHER
70
279640A1
CAP
71
295087A1
TUBE
72
238-5222
O-RING
73
614-10020
BOLT
74
248-2181
GROMMET
75
353-402
PLUG
Содержащиеся в справочниках-каталогах запасные части и детали не предлагаются к продаже, а носят исключительно информационный характер
Дополнительная информация
×
Название:
Номер:
Примечание: