Вернуться на главную
Поиск
Каталоги запчастей к технике
Сельхозтехника
CASE IH
MX-285 Magnum
FUEL INJECTION PUMP, MX255 AND MX285
Каталог запасных частей к технике: CASE IH MX-285 Magnum. FUEL INJECTION PUMP, MX255 AND MX285
zoom-in
zoom-out
enlarge
shrink
circle-right
circle-left
file-text2
info
cart
Тип техники
Не выбрано
Легковые автомобили
Грузовые автомобили и прицепы
Автобусы
Сельхозтехника
Спецтехника
Двигатели
Мототехника
Марка
Не выбрано
AGCO
Amity
CASE IH
DongFeng
Fortschritt
Foton
Franz Kleine
Gaspardo
Great Plains
KRONE
KUHN
Lemken
Lovol
MacDon
Massey Ferguson
New Holland
TIGARBO
Vaderstad
Versatile
Wirax
Агро
Агротехмаш
Бобруйскагромаш (ОАО «УКХ «Бобруйскагромаш»)
БЭМЗ
ВгТЗ
Воронежсельмаш
ВТЗ
Гомсельмаш
ДКЗ
ЗАО "Техника-сервис"
ЗиД
КЗК
Кировец-Ландтехник
Клевер
Красная Звезда
Лидагропроммаш
Лидсельмаш
ЛТЗ
Машстройхолдинг
Минитракторы
Мордовагромаш
МТЗ
Навигатор-Новое машиностроение
Нефтекамский автозавод
ПТЗ
Ремком
РСМ
Сибсельмаш
ТеКЗ
ТКЗ
ХЗТСШ
ХТЗ
ЮМЗ
Модель
Не выбрано
430 Steiger 4WD (2010)
Axial Flow 2388 (2010)
MRX-690 (2012)
MX-240 Magnum (2007)
MX-255 Magnum (2006)
MX-285 Magnum (2007)
MX-305 Magnum (2007)
Puma-210 (2010)
STX-530 Steiger (2010)
Жатка-2030 (RIGID) (2010)
Жатка-2152 (2010)
Культиватор-Tigermate 2 DMI (2010)
Схема
>
Не выбрано
RADIATOR AND FAN SHROUD
RADIATOR ASSEMBLY
DEAERATION SYSTEM
AIR INDUCTION SYSTEM - STANDARD DUTY
AIR INDUCTION SYSTEM - SEVERE DUTY
AFTERCOOLER
ETHER START SYSTEM
EXHAUST SYSTEM
ENGINE MOUNTING
FLYWHEEL SHIELDS
WATER PUMP SYSTEM, MX255 AND MX285
FRONT GEAR COVER, MX255 AND MX285
MANIFOLDS, MX255 AND MX285
TURBOCHARGER SYSTEM, MX255 AND MX285
TURBOCHARGER ASSEMBLY, MX255 AND MX285
WASTEGATE ACTUATOR, MX255 AND MX285
FILTER AND COOLER - OIL, MX255 AND MX285
OIL PUMP AND OIL PAN
CYLINDER HEAD - COVER, MX255 AND MX285
CYLINDER HEAD - VALVE MECHANISM, MX255 AND MX285
THERMOSTAT - FILTER, WATER
CRANKCASE, BREATHER, MX255 AND MX285
CAMSHAFT, MX255 AND MX285
CYLINDER BLOCK, MX255 AND MX285
KIT ENGINE OVERHAUL, MX255 AND MX285
CRANKSHAFT
FLYWHEEL
PISTONS - CONNECTING RODS, MX255 AND MX285
GASKET KIT - VALVE GRIND, MX255 AND MX285
GASKET KIT - CYLINDER BLOCK, MX255 AND MX285
GASKET KIT - BASIC SERVICE ENGINE, MX255 AND MX285
FUEL INJECTION SYSTEM, MX255 AND MX285
PUMP, FUEL TRANSFER, MX255 AND MX285
FUEL FILTER AND CONNECTIONS, MX255 AND MX285
FUEL INJECTION PUMP, MX255 AND MX285
FUEL INJECTION PUMP, MX255 AND MX285
FUEL INJECTION PUMP, MX255 AND MX285
FUEL INJECTION PUMP, MX255 AND MX285
FUEL INJECTION PUMP, MX255 AND MX285
FUEL INJECTION PUMP - GEAR AND MOUNTING BRACKETS, MX255 AND MX285
FUEL INJECTION - NOZZLE , MX255 AND MX285
HAND THROTTLE, MX255 AND MX285
FOOT THROTTLE, MX255 AND MX285
FUEL TANKS
FUEL LINES WITH INLINE FILTER, MX255 AND MX285
FUEL LINES WITH SEPARATOR FILTER, MX255 AND MX285
FUEL SEPARATOR FILTER
HARNESS - ENGINE, MX255 AND MX285
POWER DISTRIBUTION
MODULE, ENGINE CONTROL, MX255 AND MX285
HARNESS - CHASSIS
HARNESS - REMOTE HYDRAULIC VALVE
HARNESS - CAB
HARNESS - CAB ROOF, SHELF AND CD CHANGER
HARNESS - SUSPENDED AXLE
ELECTRICAL COMPONENT MOUNTING
ELECTRICAL COMPONENT MOUNTING - FUSES
A-POST COVER - INSTRUMENT CLUSTER, BSN JAZ137282
A-POST COVER - INSTRUMENT CLUSTER, ASN JAZ137282
CONTROLS - FRONT CONSOLE
CONTROLS - RIGHT HAND CONSOLE
CONTROLS - RIGHT FENDER CONSOLE, WITHOUT ATC
CONTROLS - RIGHT FENDER CONSOLE, WITH ATC
ALTERNATOR - MOUNTING, BSN JAZ135316
ALTERNATOR - MOUNTING, ASN JAZ135316
ALTERNATOR ASSEMBLY - 135 AMPERE
STARTER - MOUNTING
STARTER ASSEMBLY
SOLENOID - STARTER
BATTERY, BATTERY BOX AND CABLES
WINDSHIELD WIPER ASSEMBLY - FRONT AND REAR
WINDSHIELD WASHER FRONT AND REAR
HEADLAMPS
HEADLAMPS - AUXILIARY
ISO 11783 HARNESS AND MONITOR
LAMPS - WIDE TRANSPORT, FIXED
LAMPS - WIDE TRANSPORT, ADJUSTABLE
LAMPS - FRONT POSITION AND WORK
LAMPS - CAB ROOF
LAMPS - REAR FENDER AND REMOTE HITCH SWITCH
WORK LAMPS - ROOF AND REAR FENDERS
LAMP - BEACON
RADIOS, SPEAKERS AND ANTENNAS
GROUND SPEED SENSOR
IMPLEMENT CONNECTORS AND MOUNTING
ACCUGUIDE RADIO AND ANTENNA
STEERING WHEEL AND COLUMN
STEERING COLUMN ASSEMBLY
STEERING SYSTEM - MFD, BSN JAZ126070
STEERING SYSTEM - MFD, ASN JAZ126070
HYDRAULIC SYSTEM - MFD DIFFERENTIAL LOCK
HYDRAULIC SYSTEM - SUSPENDED MFD AXLE, BSN JAZ135174
HYDRAULIC SYSTEM - SUSPENDED MFD AXLE, ASN JAZ135174
VALVE ASSY - SUSPENDED MFD AXLE, BSN JAZ135174
VALVE ASSY - SUSPENDED MFD AXLE, ASN JAZ135174
FRONT AXLE - MOUNTING, MFD
FRONT AXLE - SUSPENSION, SUSPENDED MFD
MFD AXLE HOUSING ASSEMBLY - STANDARD WITH 10 BOLT HUB, WITHOUT DIFFERENTIAL LOCK, BSN MY00181734
MFD AXLE HOUSING ASSEMBLY - STANDARD WITH 10 BOLT HUB, WITHOUT DIFFERENTIAL LOCK, ASN MY00193724
MFD AXLE HOUSING ASSEMBLY - STANDARD WITH 12 BOLT HUB, WITHOUT DIFFERENTIAL LOCK, BSN MY00184570
MFD AXLE HOUSING ASSEMBLY - STANDARD WITH 12 BOLT HUB, WITHOUT DIFFERENTIAL LOCK, ASN MY00195744
MFD AXLE HOUSING ASSEMBLY - STANDARD WITH 10 BOLT HUB, WITH DIFFERENTIAL LOCK, BSN MY00164725
MFD AXLE HOUSING ASSEMBLY - STANDARD WITH 10 BOLT HUB, WITH DIFFERENTIAL LOCK, ASN MY00195879
MFD AXLE HOUSING ASSEMBLY - STANDARD WITH 12 BOLT HUB, WITH DIFFERENTIAL LOCK, BSN MY00182905
MFD AXLE HOUSING ASSEMBLY - STANDARD WITH 12 BOLT HUB, WITH DIFFERENTIAL LOCK, ASN MY00193740
FRONT AXLE KING PIN WITH ACCUGUIDE
MFD AXLE HOUSING ASSEMBLY - SUSPENDED WITH 12 BOLT HUB, WITHOUT DIFFERENTIAL LOCK, BSN MY00136378
MFD AXLE HOUSING ASSEMBLY - SUSPENDED WITH 12 BOLT HUB, WITHOUT DIFFERENTIAL LOCK, ASN MY00195684
MFD AXLE HOUSING ASSEMBLY - SUSPENDED WITH 10 BOLT HUB, WITH DIFFERENTIAL LOCK, BSN MY00182861
MFD AXLE HOUSING ASSEMBLY - SUSPENDED WITH 10 BOLT HUB, WITH DIFFERENTIAL LOCK, ASN MY00183034
MFD AXLE HOUSING ASSEMBLY - SUSPENDED WITH 12 BOLT HUB, WITH DIFFERENTIAL LOCK, BSN MY00178966
MFD AXLE HOUSING ASSEMBLY - SUSPENDED WITH 12 BOLT HUB, WITH DIFFERENTIAL LOCK, ASN MY00184588
FRONT AXLE DRIVE SHAFT - MFD, WITHOUT DIFFERENTIAL LOCK
FRONT AXLE DRIVE SHAFT - MFD, WITH DIFFERENTIAL LOCK, BSN
FRONT AXLE DRIVE SHAFT - MFD, WITH DIFFERENTIAL LOCK, ASN
CARRIER AND DIFFERENTIAL - MFD, 10 BOLT HUB, WITHOUT DIFFERENTIAL LOCK, BSN
CARRIER AND DIFFERENTIAL - MFD, 10 BOLT HUB, WITHOUT DIFFERENTIAL LOCK, ASN
CARRIER AND DIFFERENTIAL - MFD, 12 BOLT HUB, WITHOUT DIFFERENTIAL LOCK, BSN
CARRIER AND DIFFERENTIAL - MFD, 12 BOLT HUB, WITHOUT DIFFERENTIAL LOCK, ASN
CARRIER AND DIFFERENTIAL - MFD, 10 BOLT HUB, WITH DIFFERENTIAL LOCK, BSN
CARRIER AND DIFFERENTIAL - MFD, 10 BOLT HUB, WITH DIFFERENTIAL LOCK, ASN
CARRIER AND DIFFERENTIAL - MFD, 12 BOLT HUB, WITH DIFFERENTIAL LOCK, BSN
CARRIER AND DIFFERENTIAL - MFD, 12 BOLT HUB, WITH DIFFERENTIAL LOCK, ASN
FRONT AXLE PLANETARIES AND HUB - MFD, 10 BOLT HUB
FRONT AXLE PLANETARIES AND HUB - MFD, 12 BOLT HUB
STEERING CYLINDER ASSEMBLY - MFD, 10 BOLT HUB, BSN
STEERING CYLINDER ASSEMBLY - MFD, 10 BOLT HUB, ASN
STEERING CYLINDER ASSEMBLY - MFD, 12 BOLT HUB, BSN
STEERING CYLINDER ASSEMBLY - MFD, 12 BOLT HUB, ASN
FRONT WHEELS - MFD, 10 BOLT HUB
FRONT WHEELS - MFD, 12 BOLT HUB
SPACER - DUAL FRONT WHEELS
TRANSMISSION DRIVE SHAFT
TRANSMISSION DROP BOX
SPEED TRANSMISSION - HOUSING, TRANSMISSION BSN AJB0355338
SPEED TRANSMISSION - HOUSING, TRANSMISSION SN BTW AJB0355338 & AJB0355923
SPEED TRANSMISSION - HOUSING, TRANSMISSION ASN AJB0355923
PLATE ASSEMBLY - VALVE MOUNTING, LEFT HAND SIDE
PLATE ASSEMBLY - VALVE MOUNTING, TOP
SPEED TRANSMISSION - INPUT SHAFT WITHOUT CREEP SPEED, TRANSMISSION BSN AJB0361241
SPEED TRANSMISSION - INPUT SHAFT WITHOUT CREEP SPEED, TRANSMISSION ASN AJB0361241
SPEED TRANSMISSION - INPUT SHAFT WITH CREEP SPEED, TRANSMISSION BSN AJB0361241
SPEED TRANSMISSION - INPUT SHAFT WITH CREEP SPEED, TRANSMISSION ASN AJB0361241
SPEED TRANSMISSION - COUNTERSHAFT WITHOUT CREEP SPEED
SPEED TRANSMISSION - COUNTERSHAFT WITH CREEP SPEED
SPEED TRANSMISSION - OUTPUT SHAFT FRONT CLUTCH, TRANSMISSION BSN AJB0361241
SPEED TRANSMISSION - OUTPUT SHAFT FRONT CLUTCH, TRANSMISSION ASN AJB0361241
SPEED TRANSMISSION - OUTPUT SHAFT REAR CLUTCH, TRANSMISSION BSN AJB0361241
SPEED TRANSMISSION - OUTPUT SHAFT REAR CLUTCH, TRANSMISSION ASN AJB0361241
RANGE TRANSMISSION - HOUSING, TRANSMISSION BSN AJB0355338
RANGE TRANSMISSION - HOUSING, TRANSMISSION SN BTW AJB0355338 & AJB0355923
RANGE TRANSMISSION - HOUSING, TRANSMISSION ASN AJB0355923
VALVE ASSY - INCHING
RANGE TRANSMISSION - INPUT SHAFT, TRANSMISSION BSN AJB0361241
RANGE TRANSMISSION - INPUT SHAFT, TRANSMISSION ASN AJB0361241
RANGE TRANSMISSION - MASTER CLUTCH
RANGE TRANSMISSION - COUNTERSHAFT
TRANSMISSION - PINION SHAFT AND GEARS
TRANSMISSION - DIFFERENTIAL
RANGE TRANSMISSION - MFD CLUTCH
MFD AXLE - DRIVE SHAFT
TRANSMISSION CONTROL VALVE LOCATION
VALVE ASSEMBLY - TRANSMISSION CONTROL (450729A2)
VALVE ASSEMBLY - TRANSMISSION CONTROL (450721A2)
VALVE ASSEMBLY - TRANSMISSION CONTROL (450726A2)
VALVE ASSEMBLY - TRANSMISSION CONTROL (450728A2)
PEDAL - INCHING
LEVER ASSEMBLY - TRANSMISSION CONTROL
REAR AXLE - HOUSING
BREATHER - TRANSMISSION
REAR AXLE - PLANETARY, MX285
REAR AXLE - 4 X 98 INCH, MX255 AND MX285
TRANSMISSION - PUMP DRIVE
POWER TAKE OFF ASSEMBLY - INPUT SHAFT, TRANSMISSION BSN AJB0356850
POWER TAKE OFF ASSEMBLY - INPUT SHAFT, TRANSMISSION ASN AJB0356850
POWER TAKE OFF ASSEMBLY - REDUCTION GEAR, DUAL SPEED
POWER TAKE OFF ASSEMBLY - OUTPUT SHAFT, DUAL SPEED
POWER TAKE OFF ASSEMBLY - OUTPUT SHAFT, SINGLE SPEED - TRANSMISSION BSN AJB0356850
POWER TAKE OFF ASSEMBLY - OUTPUT SHAFT, SINGLE SPEED, TRANSMISSION ASN AJB0356850
POWER TAKE OFF ASSEMBLY - SHIELDS
SOLID STEEL REAR WHEELS
HUB ASSEMBLY - REAR WHEEL
SPACER - DUAL REAR WHEELS
REAR WHEEL WEIGHTS
BRAKES - PEDAL BRAKE
BRAKES - HYDRAULIC SYSTEM, WITHOUT TRAILER BRAKES
BRAKES - HYDRAULIC SYSTEM, WITH HYDRAULIC TRAILER BRAKES
BRAKES - HYDRAULIC SYSTEM, WITH PNEUMATIC TRAILER BRAKES
BRAKES - CONTROL VALVE
BRAKES - DIFFERENTIAL
PARK AND EMERGENCY BRAKE - LEVER AND LINKAGE
PARK AND EMERGENCY BRAKE - HYDRAULIC SYSTEM
PARK AND EMERGENCY BRAKE - VALVE ASSEMBLY
PARK AND EMERGENCY BRAKE - BRAKE ASSEMBLY
PARK BRAKE - RELEASE, BSN AJB035592
PARK BRAKE - RELEASE, ASN AJB0355923
TRAILER BRAKES - HYDRAULIC, EXCEPT ITALY
TRAILER BRAKES - HYDRAULIC, ITALY ONLY
TRAILER BRAKES - PNEUMATIC, AIR COMPRESSOR MOUNTING AND DRIVE
TRAILER BRAKES - PNEUMATIC, RESERVOIR, EXCEPT ITALY
TRAILER BRAKES - PNEUMATIC, RESERVOIR, ITALY ONLY
TRAILER BRAKES - PNEUMATIC, VALVES
TRAILER BRAKES - PNEUMATIC, COUPLERS, EXCEPT ITALY
TRAILER BRAKES - PNEUMATIC, COUPLERS, ITALY ONLY
HYDRAULIC SYSTEM - OIL COOLER
HYDRAULIC SYSTEM - 3RD OIL COOLER
HYDRAULIC SYSTEM - CHARGE PUMP
HYDRAULIC SYSTEM - PISTON PUMP AND FILTER, STANDARD FLOW CAPACITY
HYDRAULIC SYSTEM - PISTON PUMP AND FILTER, HIGH FLOW CAPACITY
HYDRAULIC SYSTEM - REGULATED PRESSURE
HYDRAULIC SYSTEM - CREEP SPEED
HYDRAULIC SYSTEM - TRANSMISSION LUBE
HYDRAULIC SYSTEM - HITCH
HYDRAULIC TOP LINK - HITCH
HYDRAULIC LIFT LINK - HITCH, RIGHT HAND
HYDRAULIC SYSTEM - FRONT HITCH
HYDRAULIC SYSTEM - PTO/DIFFERENTIAL LOCK VALVE
HYDRAULIC SYSTEM - REMOTE COUPLERS
HYDRAULIC SYSTEM - POWER BEYOND
HYDRAULIC SYSTEM - MOTOR RETURN
PRIORITY AND REGULATOR VALVE ASSEMBLY
PTO AND DIFFERENTIAL LOCK VALVE ASSEMBLY
REMOTE HYDRAULIC VALVE STACK
MANIFOLD VALVE ASSEMBLY
REMOTE HYDRAULIC CONTROL VALVE
HITCH VALVE ASSEMBLY - BSN AJB0362561
HITCH VALVE ASSEMBLY - ASN AJB0362562
REMOTE HYDRAULIC COUPLING MOUNTING
REMOTE HYDRAULIC COUPLINGS
CYLINDER ASSEMBLY - HITCH (88.9 MM)
CYLINDER ASSEMBLY - HITCH (90 MM)
CYLINDER ASSEMBLY - HITCH (95 MM)
CYLINDER ASSEMBLY - HITCH (105 MM) - MX255, MX285
POWER BEYOND VALVE ASSEMBLY
FRONT FRAME
FRONT TOW CLEVIS
FRONT WEIGHTS
FRONT WEIGHTS
FRONT HITCH
FENDERS - FRONT, NARROW
FENDERS - FRONT, WIDE
FENDERS - REAR
FENDERS - REAR, EXTRA WIDE
HOOD TILTING
FRONT NUMBER PLATE
FAN SHIELDS
HOOD FIXED
CAB - MOUNTING AND FRAME, BSN AJB0355923
CAB - MOUNTING AND FRAME, ASN AJB0355923
CAB - ROOF
CAB - EXTERIOR TRIM
CAB - STEPS
CAB - FRONT WINDOW STEP
CAB - DOOR
CAB - REAR WINDOW
CAB - FIXED GLASS
MIRRORS - BSN Z7RZ01152
MIRRORS - ASN Z7RZ01152
CAB - HEADLINER, STANDARD TRIM
CAB - HEADLINER, DELUXE AND LUXURY TRIM
CAB - FLOOR MAT AND INSULATION
CAB - TRIM, FENDERS
CAB - TRIM, CAB POSTS
CAB - INSTRUMENT PANEL
SEAT ASSEMBLY
CASE IH MAGNUM TRACTOR (EUROPE)
CUSHION ASSEMBLY - SEAT
CUSHION ASSEMBLY - SEAT
SUSPENSION ASSEMBLY - SEAT
SUSPENSION ASSEMBLY - SEAT
POSITIVE RESPONSE SUSPENSION ASSEMBLY - SEAT
POSITIVE RESPONSE SUSPENSION ASSEMBLY - SEAT
SEAT - INSTRUCTIONAL
CONSOLE, RIGHT HAND, STANDARD CAB
ONSOLE, RIGHT HAND, DELUXE AND LUXURY CAB
MONITOR MOUNTING - CAB ROOF
MONITOR MOUNTING - CAB A POST
AIR CONDITIONING - COMPRESSOR MOUNTING
AIR CONDITIONING - CONDENSER
HEATER SYSTEM
AIR CONDITIONING - CLIMATE CONTROL UNIT, WITHOUT AUTO TEMP CONTROL
AIR CONDITIONING - CLIMATE CONTROL UNIT, WITH AUTO TEMP CONTROL
AIR CONDITIONING - AIR FILTER
AIR CONDITIONING - DUCTS
CAB - INSULATION
DRAWBAR AND HAMMERSTRAP
DRAWBAR AND HAMMERSTRAP - HIGH CAPACITY
DRAWBAR AND HAMMERSTRAP - ITALY ONLY
HITCH - SUPPORTS AND ROCKSHAFT
HITCH - TOP LINK
CYLINDER ASSEMBLY - HYDRAULIC TOP LINK - HITCH
HITCH - LIFT LINKS
CYLINDER ASSEMBLY - HYDRAULIC LIFT LINK - HITCH, RIGHT HAND
HITCH - LOWER LIFT LINKS
HITCH - SWAY LIMITER
HITCH - POSITION SENSOR
HITCH - DRAFT CONTROL PINS
TRAILER HITCH - MANUAL PIN, FRANCE ONLY (CRAMER)
TRAILER HITCH - MANUAL PIN, FRANCE ONLY (CBM)
TRAILER HITCH - AUTO CLEVIS, GERMANY ONLY (CRAMER)
TRAILER HITCH - AUTO CLEVIS, 32MM, GERMANY ONLY (CRAMER)
TRAILER HITCH - AUTO CLEVIS, 38 MM, GERMANY ONLY (CBM) BSN Z7RZ05509
TRAILER HITCH - AUTO CLEVIS, 38 MM, GERMANY ONLY (CBM) ASN Z7RZ05509
TRAILER HITCH - MANUAL PIN, ITALY ONLY (CBM)
DECALS
DECALS
DECALS
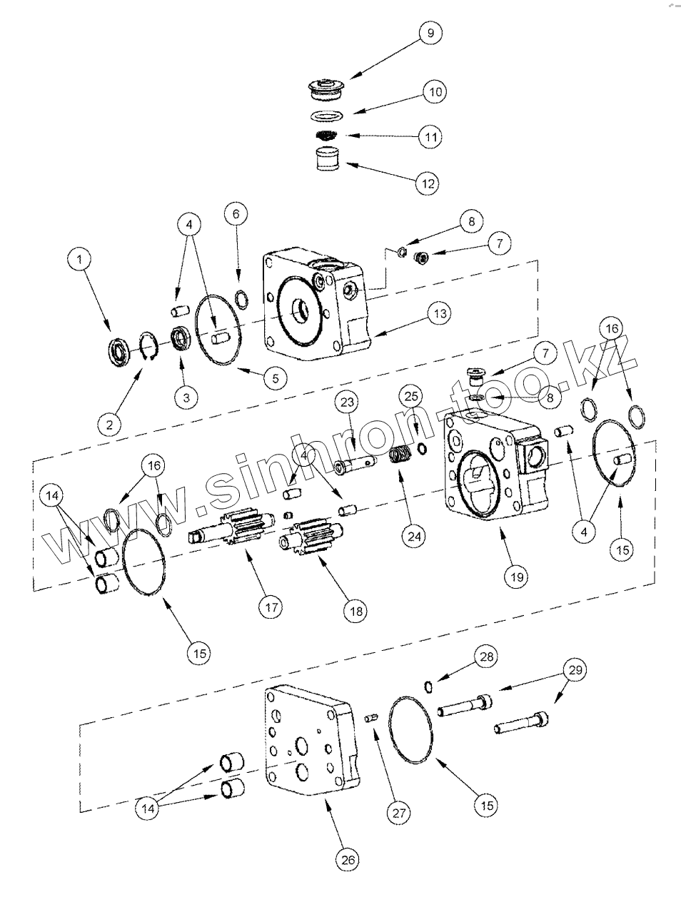
1
2
3
4
4
4
5
6
7
7
8
8
9
10
11
12
13
14
14
15
15
15
16
16
17
18
19
23
24
25
26
27
28
29
Позиция на иллюстрации
Заводской номер детали
Название детали
J4089074
J4089074
KIT
A77972
A77972
KIT
1
NSS
NOT SERVICED SEPARATELY
2
NSS
NOT SERVICED SEPARATELY
3
NSS
NOT SERVICED SEPARATELY
4
NSS
NOT SERVICED SEPARATELY
5
J867642
O-RING
6
J867641
O-RING
7
J678610
PLUG
8
J678603
O-RING
9
J4009979
CAP
10
237-8012
O-RING
11
J70700
SPRING
12
J146483
SCREEN
13
NSS
NOT SERVICED SEPARATELY
14
NSS
NOT SERVICED SEPARATELY
15
J867645
O-RING
16
J3066914
O-RING
17
NSS
NOT SERVICED SEPARATELY
18
NSS
NOT SERVICED SEPARATELY
19
NSS
NOT SERVICED SEPARATELY
23
NSS
NOT SERVICED SEPARATELY
24
NSS
NOT SERVICED SEPARATELY
25
NSS
NOT SERVICED SEPARATELY
26
NSS
NOT SERVICED SEPARATELY
27
NSS
NOT SERVICED SEPARATELY
28
J867480
O-RING
29
NSS
NOT SERVICED SEPARATELY
Содержащиеся в справочниках-каталогах запасные части и детали не предлагаются к продаже, а носят исключительно информационный характер
Дополнительная информация
×
Название:
Номер:
Примечание: