Вернуться на главную
Поиск
Каталоги запчастей к технике
Сельхозтехника
CASE IH
MX-255 Magnum
CYLINDER BLOCK
Каталог запасных частей к технике: CASE IH MX-255 Magnum. CYLINDER BLOCK
zoom-in
zoom-out
enlarge
shrink
circle-right
circle-left
file-text2
info
cart
Тип техники
Не выбрано
Легковые автомобили
Грузовые автомобили и прицепы
Автобусы
Сельхозтехника
Спецтехника
Двигатели
Мототехника
Марка
Не выбрано
AGCO
Amity
CASE IH
DongFeng
Fortschritt
Foton
Franz Kleine
Gaspardo
Great Plains
KRONE
KUHN
Lemken
Lovol
MacDon
Massey Ferguson
New Holland
TIGARBO
Vaderstad
Versatile
Wirax
Агро
Агротехмаш
Бобруйскагромаш (ОАО «УКХ «Бобруйскагромаш»)
БЭМЗ
ВгТЗ
Воронежсельмаш
ВТЗ
Гомсельмаш
ДКЗ
ЗАО "Техника-сервис"
ЗиД
КЗК
Кировец-Ландтехник
Клевер
Красная Звезда
Лидагропроммаш
Лидсельмаш
ЛТЗ
Машстройхолдинг
Минитракторы
Мордовагромаш
МТЗ
Навигатор-Новое машиностроение
Нефтекамский автозавод
ПТЗ
Ремком
РСМ
Сибсельмаш
ТеКЗ
ТКЗ
ХЗТСШ
ХТЗ
ЮМЗ
Модель
Не выбрано
430 Steiger 4WD (2010)
Axial Flow 2388 (2010)
MRX-690 (2012)
MX-240 Magnum (2007)
MX-255 Magnum (2006)
MX-285 Magnum (2007)
MX-305 Magnum (2007)
Puma-210 (2010)
STX-530 Steiger (2010)
Жатка-2030 (RIGID) (2010)
Жатка-2152 (2010)
Культиватор-Tigermate 2 DMI (2010)
Схема
>
Не выбрано
RADIATOR AND FAN SHROUD
RADIATOR ASSEMBLY
DEAERATION SYSTEM
AIR INDUCTION SYSTEM - STANDARD DUTY
AFTERCOOLER
ETHER START SYSTEM
EXHAUST SYSTEM
ENGINE MOUNTING
FLYWHEEL SHIELDS
WATER PUMP SYSTEM
FRONT GEAR COVER
MANIFOLDS
TURBOCHARGER SYSTEM
TURBOCHARGER ASSEMBLY
WASTEGATE ACTUATOR
FILTER AND COOLER - OIL
OIL PUMP AND OIL PAN
CYLINDER HEAD - COVER
CYLINDER HEAD - VALVE MECHANISM
THERMOSTAT - FILTER, WATER
CAMSHAFT
CYLINDER BLOCK
KIT ENGINE OVERHAUL
CRANKSHAFT
FLYWHEEL
PISTONS - CONNECTING RODS
GASKET KIT - VALVE GRIND
GASKET KIT - CYLINDER BLOCK
GASKET KIT - BASIC SERVICE ENGINE
FUEL INJECTION SYSTEM
ANEROID AND WASTEGATE SYSTEM
FUEL FILTER - PUMP, TRANSFER
FUEL INJECTION - PUMP AND DRIVE
FUEL INJECTION - NOZZLE
HAND THROTTLE
FOOT THROTTLE
FUEL TANKS
FUEL LINES
FUEL SEPARATOR FILTER
HARNESS - ENGINE
POWER DISTRIBUTION
MODULES- CHASSIS
HARNESS-CHASSIS
SOLENOID AND CABLES - GRID HEATER
HARNESS - REMOTE HYDRAULIC VALVE
HARNESS - CAB
HARNESS - CAB ROOF, SHELF AND CD CHANGER
ELECTRICAL COMPONENT MOUNTING
ELECTRICAL COMPONENT MOUNTING - FUSES
A-POST COVER - INSTRUMENT CLUSTER
CONTROLS - FRONT CONSOLE
CONTROLS - RIGHT HAND CONSOLE
CONTROLS - RIGHT FENDER CONSOLE, WITHOUT ATC
CONTROLS - RIGHT FENDER CONSOLE, WITH ATC
ALTERNATOR - MOUNTING
STARTER - MOUNTING
SOLENOID - STARTER
BATTERY, BATTERY BOX AND CABLES
WINDSHIELD WIPER ASSEMBLY - FRONT AND REAR
RIGHT HAND WINDOW WIPER
WINDSHIELD WASHER - FRONT AND REAR
HEADLAMPS
LAMPS - WIDE TRANSPORT, ADJUSTABLE
LAMPS - FRONT WORK
LAMPS - CAB ROOF
LAMPS - REAR FENDER AND REMOTE HITCH SWITCH
WORK LAMPS - ROOF AND REAR FENDERS
C-POST ROOF LIGHTS
LAMP - BEACON
RADIOS, SPEAKERS AND ANTENNAS
GROUND SPEED SENSOR
IMPLEMENT CONNECTORS AND MOUNTING
MODULE, TRACTOR MULTIFUNCTION
ISO 11783 HARNESS AND MONITOR
MONITOR - ACCUGUIDE
REMOTE DATA LOGGER
ACCUGUIDE CONTROL MODULE AND MOUNTING
ACCUGUIDE HARNESSES
ACCUGUIDE RADIO AND ANTENNA
ACCUGUIDE BASE STATION
STEERING WHEEL AND COLUMN
STEERING COLUMN ASSEMBLY
STEERING SYSTEM - MFD
FRONT AXLE - MOUNTING, MFD
MFD AXLE HOUSING ASSEMBLY - STANDARD WITH 10 BOLT HUB, WITHOUT DIFFERENTIAL LOCK
MFD AXLE HOUSING ASSEMBLY - STANDARD WITH 12 BOLT HUB, WITHOUT DIFFERENTIAL LOCK
FRONT AXLE DRIVE SHAFT - MFD, WITHOUT DIFFERENTIAL LOCK
CARRIER AND DIFFERENTIAL - MFD, 10 BOLT HUB, WITHOUT DIFFERENTIAL LOCK
CARRIER AND DIFFERENTIAL - MFD, 12 BOLT HUB, WITHOUT DIFFERENTIAL LOCK
FRONT AXLE PLANETARIES AND HUB - MFD, 10 BOLT HUB
FRONT AXLE PLANETARIES AND HUB - MFD, 12 BOLT HUB
STEERING CYLINDER ASSEMBLY - MFD, 10 BOLT HUB
STEERING CYLINDER ASSEMBLY - MFD, 12 BOLT HUB
FRONT WHEELS - MFD, 10 BOLT HUB
FRONT WHEELS - MFD, 12 BOLT HUB
SPACER - DUAL FRONT WHEELS
TRANSMISSION DRIVE SHAFT
TRANSMISSION DROP BOX
SPEED TRANSMISSION - HOUSING
PLATE ASSEMBLY - VALVE MOUNTING, LEFT HAND SIDE
PLATE ASSEMBLY - VALVE MOUNTING, TOP
SPEED TRANSMISSION - INPUT SHAFT WITHOUT CREEP OR 19 SPEED
SPEED TRANSMISSION - INPUT SHAFT WITH CREEP/19 SPEED OR 50 KPH TRANSMISSION
SPEED TRANSMISSION - COUNTERSHAFT WITHOUT CREEP OR 19 SPEED
SPEED TRANSMISSION - COUNTERSHAFT WITH CREEP/19 SPEED OR 50 KPH TRANSMISSION
SPEED TRANSMISSION - OUTPUT SHAFT FRONT CLUTCH
SPEED TRANSMISSION - OUTPUT SHAFT REAR CLUTCH
RANGE TRANSMISSION - HOUSING
VALVE ASSY - INCHING
RANGE TRANSMISSION - INPUT SHAFT
RANGE TRANSMISSION - MASTER CLUTCH
RANGE TRANSMISSION - COUNTERSHAFT
TRANSMISSION - PINION SHAFT AND GEARS
TRANSMISSION - DIFFERENTIAL
RANGE TRANSMISSION - MFD CLUTCH AND PARK BRAKE - TRANSMISSION BSN AJB367211
RANGE TRANSMISSION - MFD CLUTCH AND PARK BRAKE - TRANSMISSION ASN AJB367211
MFD AXLE - DRIVE SHAFT
TRANSMISSION CONTROL VALVE LOCATION
VALVE ASSEMBLY - TRANSMISSION CONTROL (450729A2)
VALVE ASSEMBLY - TRANSMISSION CONTROL (450724A2)
VALVE ASSEMBLY - TRANSMISSION CONTROL (450728A2)
VALVE ASSEMBLY - TRANSMISSION CONTROL (87323842)
PEDAL - INCHING
LEVER ASSEMBLY - TRANSMISSION CONTROL
REAR AXLE - HOUSING
REAR AXLE - PLANETARY
REAR AXLE - 4 X 98 INCH
REAR AXLE - 4 X 120 INCH
TRANSMISSION - PUMP DRIVE
POWER TAKE OFF ASSEMBLY - INPUT SHAFT
POWER TAKE OFF ASSEMBLY - REDUCTION GEAR, DUAL SPEED
POWER TAKE OFF ASSEMBLY - OUTPUT SHAFT, DUAL SPEED
POWER TAKE OFF ASSEMBLY - OUTPUT SHAFT, SINGLE SPEED
POWER TAKE OFF ASSEMBLY - OUTPUT SHAFT, SINGLE SPEED REVERSIBLE SHAFT
POWER TAKE OFF ASSEMBLY - SHIELDS
SOLID STEEL REAR WHEELS
HUB ASSEMBLY - REAR WHEEL
SPACER - DUAL REAR WHEELS
REAR WHEEL WEIGHTS
BRAKES - PEDAL BRAKE
BRAKES - HYDRAULIC SYSTEM, WITHOUT TRAILER BRAKES
BRAKES - HYDRAULIC SYSTEM, WITH PNEUMATIC TRAILER BRAKES
BRAKES - CONTROL VALVE
BRAKES - DIFFERENTIAL
PARK BRAKE - HYDRAULIC SYSTEM
PARK AND EMERGENCY BRAKE - LEVER AND LINKAGE
PARK BRAKE - RELEASE
TRAILER BRAKES - PNEUMATIC, AIR COMPRESSOR MOUNTING AND DRIVE
TRAILER BRAKES - PNEUMATIC, RESERVOIR
TRAILER BRAKES - PNEUMATIC, VALVES
TRAILER BRAKES - PNEUMATIC, COUPLERS
TRAILER BRAKES - PNEUMATIC, HAND CONTROL VALVE
HYDRAULIC SYSTEM - OIL COOLER STANDARD PERFORMANCE
HYDRAULIC SYSTEM - CHARGE PUMP
HYDRAULIC SYSTEM - PISTON PUMP AND FILTER, STANDARD FLOW CAPACITY
HYDRAULIC SYSTEM - REGULATED PRESSURE
HYDRAULIC SYSTEM - CREEP SPEED OR 50 KPH TRANSMISSION
HYDRAULIC SYSTEM - TRANSMISSION LUBE
HYDRAULIC SYSTEM - HITCH
HYDRAULIC TOP LINK - HITCH, SHORT ARMS
HYDRAULIC TOP LINK - HITCH, LONG ARMS
HYDRAULIC LIFT LINK - HITCH, RIGHT HAND
HYDRAULIC SYSTEM - PTO/DIFFERENTIAL LOCK VALVE
HYDRAULIC SYSTEM - REMOTE COUPLERS
HYDRAULIC SYSTEM - COUPLER SPILLAGE
HYDRAULIC SYSTEM - POWER BEYOND
HYDRAULIC SYSTEM - MOTOR RETURN
PRIORITY AND REGULATOR VALVE ASSEMBLY
PTO AND DIFFERENTIAL LOCK VALVE ASSEMBLY
REMOTE HYDRAULIC VALVE STACK
MANIFOLD VALVE ASSEMBLY
REMOTE HYDRAULIC CONTROL VALVE, BSN AJB363596
REMOTE HYDRAULIC CONTROL VALVE, ASN AJB363596
HITCH VALVE ASSEMBLY
REMOTE HYDRAULIC COUPLING MOUNTING
REMOTE HYDRAULIC COUPLINGS
CYLINDER ASSEMBLY - HITCH (95 MM)
POWER BEYOND VALVE ASSEMBLY
FRONT FRAME
FRONT WEIGHTS - 45 KG (100 LB)
FRONT WEIGHTS - 450 KG (1000 LB)
FENDERS - FRONT, NARROW
FENDERS - FRONT, WIDE
FENDERS - REAR
FENDERS - REAR, EXTRA WIDE
HOOD - TILTING
HOOD - TILTING
FAN SHIELDS
CAB - MOUNTING AND FRAME
CAB - ROOF
CAB - EXTERIOR TRIM
CAB - STEPS
CAB - FRONT WINDOW STEP
CAB - DOOR
CAB - REAR WINDOW
CAB - FIXED GLASS
MIRRORS - BSN Z7RZ01152
MIRRORS - ASN Z7RZ01152
CAB - HEADLINER, STANDARD TRIM
CAB - FLOOR MAT AND INSULATION
CAB - TRIM, FENDERS
CAB - TRIM, CAB POSTS
CAB - INSTRUMENT PANEL
SEAT ASSEMBLY
CUSHION ASSEMBLY - SEAT
SUSPENSION ASSEMBLY - SEAT
SEAT - INSTRUCTIONAL
CONSOLE, RIGHT HAND, STANDARD CAB
MONITOR MOUNTING - CAB ROOF
MONITOR MOUNTING - CAB A POST
AIR CONDITIONING - COMPRESSOR MOUNTING
AIR CONDITIONING - CONDENSER
HEATER SYSTEM
AIR CONDITIONING - CLIMATE CONTROL UNIT, WITHOUT AUTO TEMP CONTROL
AIR CONDITIONING - CLIMATE CONTROL UNIT, WITH AUTO TEMP CONTROL
AIR CONDITIONING - AIR FILTER
AIR CONDITIONING - DUCTS
CAB - INSULATION
DRAWBAR AND HAMMERSTRAP - STANDARD
HITCH - SUPPORTS AND ROCKSHAFT
HITCH - TOP LINK
HITCH - TOP LINK BALL END
CYLINDER ASSEMBLY - HYDRAULIC TOP LINK - HITCH, SHORT ARMS
CYLINDER ASSEMBLY - HYDRAULIC TOP LINK - HITCH, LONG ARMS
HITCH - LIFT LINKS
CYLINDER ASSEMBLY - HYDRAULIC LIFT LINK - HITCH, RIGHT HAND
HITCH - LOWER LIFT LINKS
HITCH - LOWER LIFT LINKS
HITCH - POSITION SENSOR
HITCH - DRAFT CONTROL PINS
QUICK HITCH COUPLER - CONVERTIBLE, CATEGORY III/III-N, BSN Z6RZ02099
QUICK HITCH COUPLER - CONVERTIBLE, CATEGORY III/III-N, ASN Z6RZ02099
DECALS
DECALS
DECALS
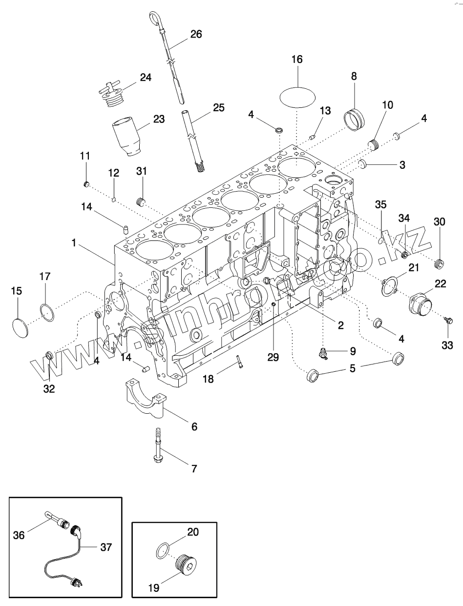
1
2
3
4
4
4
4
5
6
7
8
9
10
11
12
13
14
14
15
16
17
18
19
20
21
22
22
23
24
25
26
29
30
31
32
33
34
35
36
37
Позиция на иллюстрации
Заводской номер детали
Название детали
87401152
87401152
ENGINE
86993060
86993060
ENGINE
87444569
87444569
KIT
87411285
87411285
BLOCK
1
87444562
BASIC BLOCK
2
J920706
PLUG
3
A77586
PLUG
4
A77506
PLUG
5
J905401
PLUG
6
87444056
CAP
7
87444059
BOLT
8
J945329
BEARING
9
217-103
COCK
10
217-443
PLUG
11
J678923
PLUG
12
637-72081
O-RING
13
J900257
PIN
14
J901846
PIN
15
41-3044
PLUG
16
J907177
O-RING
17
J926048
O-RING
18
J928031
NOZZLE
19
J678921
PLUG
20
J678912
O-RING
21
J945603
GASKET
22
J944720
CONNECTOR
22
87415507
TUBE ASSY
23
J905408
TUBE
24
J934480
CAP
25
87366160
TUBE
26
J937417
DIPSTICK
29
J943808
PLUG
30
217-441
PLUG
31
217-438
PLUG
32
J920443
PLUG
33
845-8020
BOLT
34
313244A1
PLUG
35
313246A1
O-RING
36
310494A1
KIT
37
J913112
HARNESS
38
369929A1
FASTENER
Содержащиеся в справочниках-каталогах запасные части и детали не предлагаются к продаже, а носят исключительно информационный характер
Дополнительная информация
×
Название:
Номер:
Примечание: