Вернуться на главную
Поиск
Каталоги запчастей к технике
Сельхозтехника
CASE IH
MX-255 Magnum
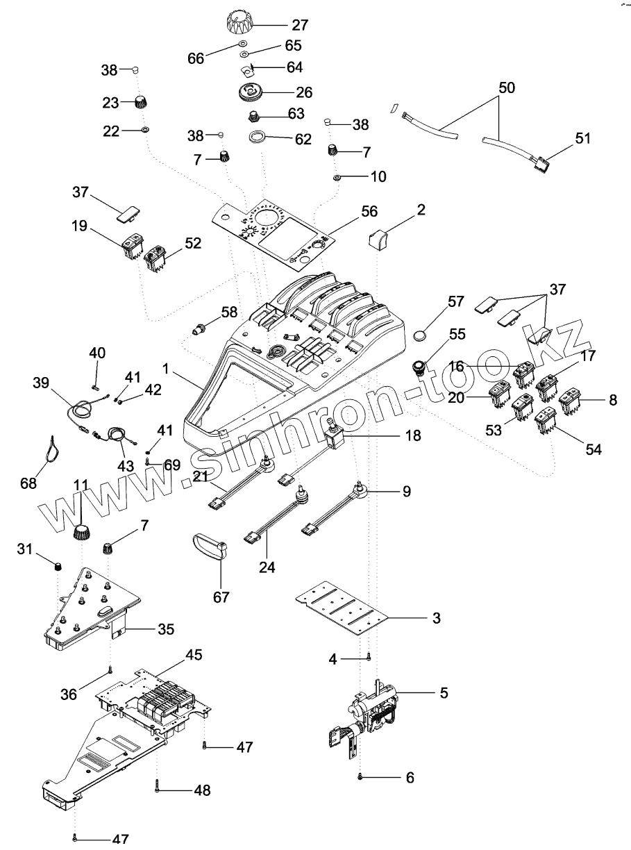
CONTROLS - RIGHT HAND CONSOLE
Каталог запасных частей к технике: CASE IH MX-255 Magnum. CONTROLS - RIGHT HAND CONSOLE
zoom-in
zoom-out
enlarge
shrink
circle-right
circle-left
file-text2
info
cart
Тип техники
Не выбрано
Легковые автомобили
Грузовые автомобили и прицепы
Автобусы
Сельхозтехника
Спецтехника
Двигатели
Мототехника
Марка
Не выбрано
AGCO
Amity
CASE IH
DongFeng
Fortschritt
Foton
Franz Kleine
Gaspardo
Great Plains
KRONE
KUHN
Lemken
Lovol
MacDon
Massey Ferguson
New Holland
TIGARBO
Vaderstad
Versatile
Wirax
Агро
Агротехмаш
Бобруйскагромаш (ОАО «УКХ «Бобруйскагромаш»)
БЭМЗ
ВгТЗ
Воронежсельмаш
ВТЗ
Гомсельмаш
ДКЗ
ЗАО "Техника-сервис"
ЗиД
КЗК
Кировец-Ландтехник
Клевер
Красная Звезда
Лидагропроммаш
Лидсельмаш
ЛТЗ
Машстройхолдинг
Минитракторы
Мордовагромаш
МТЗ
Навигатор-Новое машиностроение
Нефтекамский автозавод
ПТЗ
Ремком
РСМ
Сибсельмаш
ТеКЗ
ТКЗ
ХЗТСШ
ХТЗ
ЮМЗ
Модель
Не выбрано
430 Steiger 4WD (2010)
Axial Flow 2388 (2010)
MRX-690 (2012)
MX-240 Magnum (2007)
MX-255 Magnum (2006)
MX-285 Magnum (2007)
MX-305 Magnum (2007)
Puma-210 (2010)
STX-530 Steiger (2010)
Жатка-2030 (RIGID) (2010)
Жатка-2152 (2010)
Культиватор-Tigermate 2 DMI (2010)
Схема
>
Не выбрано
RADIATOR AND FAN SHROUD
RADIATOR ASSEMBLY
DEAERATION SYSTEM
AIR INDUCTION SYSTEM - STANDARD DUTY
AFTERCOOLER
ETHER START SYSTEM
EXHAUST SYSTEM
ENGINE MOUNTING
FLYWHEEL SHIELDS
WATER PUMP SYSTEM
FRONT GEAR COVER
MANIFOLDS
TURBOCHARGER SYSTEM
TURBOCHARGER ASSEMBLY
WASTEGATE ACTUATOR
FILTER AND COOLER - OIL
OIL PUMP AND OIL PAN
CYLINDER HEAD - COVER
CYLINDER HEAD - VALVE MECHANISM
THERMOSTAT - FILTER, WATER
CAMSHAFT
CYLINDER BLOCK
KIT ENGINE OVERHAUL
CRANKSHAFT
FLYWHEEL
PISTONS - CONNECTING RODS
GASKET KIT - VALVE GRIND
GASKET KIT - CYLINDER BLOCK
GASKET KIT - BASIC SERVICE ENGINE
FUEL INJECTION SYSTEM
ANEROID AND WASTEGATE SYSTEM
FUEL FILTER - PUMP, TRANSFER
FUEL INJECTION - PUMP AND DRIVE
FUEL INJECTION - NOZZLE
HAND THROTTLE
FOOT THROTTLE
FUEL TANKS
FUEL LINES
FUEL SEPARATOR FILTER
HARNESS - ENGINE
POWER DISTRIBUTION
MODULES- CHASSIS
HARNESS-CHASSIS
SOLENOID AND CABLES - GRID HEATER
HARNESS - REMOTE HYDRAULIC VALVE
HARNESS - CAB
HARNESS - CAB ROOF, SHELF AND CD CHANGER
ELECTRICAL COMPONENT MOUNTING
ELECTRICAL COMPONENT MOUNTING - FUSES
A-POST COVER - INSTRUMENT CLUSTER
CONTROLS - FRONT CONSOLE
CONTROLS - RIGHT HAND CONSOLE
CONTROLS - RIGHT FENDER CONSOLE, WITHOUT ATC
CONTROLS - RIGHT FENDER CONSOLE, WITH ATC
ALTERNATOR - MOUNTING
STARTER - MOUNTING
SOLENOID - STARTER
BATTERY, BATTERY BOX AND CABLES
WINDSHIELD WIPER ASSEMBLY - FRONT AND REAR
RIGHT HAND WINDOW WIPER
WINDSHIELD WASHER - FRONT AND REAR
HEADLAMPS
LAMPS - WIDE TRANSPORT, ADJUSTABLE
LAMPS - FRONT WORK
LAMPS - CAB ROOF
LAMPS - REAR FENDER AND REMOTE HITCH SWITCH
WORK LAMPS - ROOF AND REAR FENDERS
C-POST ROOF LIGHTS
LAMP - BEACON
RADIOS, SPEAKERS AND ANTENNAS
GROUND SPEED SENSOR
IMPLEMENT CONNECTORS AND MOUNTING
MODULE, TRACTOR MULTIFUNCTION
ISO 11783 HARNESS AND MONITOR
MONITOR - ACCUGUIDE
REMOTE DATA LOGGER
ACCUGUIDE CONTROL MODULE AND MOUNTING
ACCUGUIDE HARNESSES
ACCUGUIDE RADIO AND ANTENNA
ACCUGUIDE BASE STATION
STEERING WHEEL AND COLUMN
STEERING COLUMN ASSEMBLY
STEERING SYSTEM - MFD
FRONT AXLE - MOUNTING, MFD
MFD AXLE HOUSING ASSEMBLY - STANDARD WITH 10 BOLT HUB, WITHOUT DIFFERENTIAL LOCK
MFD AXLE HOUSING ASSEMBLY - STANDARD WITH 12 BOLT HUB, WITHOUT DIFFERENTIAL LOCK
FRONT AXLE DRIVE SHAFT - MFD, WITHOUT DIFFERENTIAL LOCK
CARRIER AND DIFFERENTIAL - MFD, 10 BOLT HUB, WITHOUT DIFFERENTIAL LOCK
CARRIER AND DIFFERENTIAL - MFD, 12 BOLT HUB, WITHOUT DIFFERENTIAL LOCK
FRONT AXLE PLANETARIES AND HUB - MFD, 10 BOLT HUB
FRONT AXLE PLANETARIES AND HUB - MFD, 12 BOLT HUB
STEERING CYLINDER ASSEMBLY - MFD, 10 BOLT HUB
STEERING CYLINDER ASSEMBLY - MFD, 12 BOLT HUB
FRONT WHEELS - MFD, 10 BOLT HUB
FRONT WHEELS - MFD, 12 BOLT HUB
SPACER - DUAL FRONT WHEELS
TRANSMISSION DRIVE SHAFT
TRANSMISSION DROP BOX
SPEED TRANSMISSION - HOUSING
PLATE ASSEMBLY - VALVE MOUNTING, LEFT HAND SIDE
PLATE ASSEMBLY - VALVE MOUNTING, TOP
SPEED TRANSMISSION - INPUT SHAFT WITHOUT CREEP OR 19 SPEED
SPEED TRANSMISSION - INPUT SHAFT WITH CREEP/19 SPEED OR 50 KPH TRANSMISSION
SPEED TRANSMISSION - COUNTERSHAFT WITHOUT CREEP OR 19 SPEED
SPEED TRANSMISSION - COUNTERSHAFT WITH CREEP/19 SPEED OR 50 KPH TRANSMISSION
SPEED TRANSMISSION - OUTPUT SHAFT FRONT CLUTCH
SPEED TRANSMISSION - OUTPUT SHAFT REAR CLUTCH
RANGE TRANSMISSION - HOUSING
VALVE ASSY - INCHING
RANGE TRANSMISSION - INPUT SHAFT
RANGE TRANSMISSION - MASTER CLUTCH
RANGE TRANSMISSION - COUNTERSHAFT
TRANSMISSION - PINION SHAFT AND GEARS
TRANSMISSION - DIFFERENTIAL
RANGE TRANSMISSION - MFD CLUTCH AND PARK BRAKE - TRANSMISSION BSN AJB367211
RANGE TRANSMISSION - MFD CLUTCH AND PARK BRAKE - TRANSMISSION ASN AJB367211
MFD AXLE - DRIVE SHAFT
TRANSMISSION CONTROL VALVE LOCATION
VALVE ASSEMBLY - TRANSMISSION CONTROL (450729A2)
VALVE ASSEMBLY - TRANSMISSION CONTROL (450724A2)
VALVE ASSEMBLY - TRANSMISSION CONTROL (450728A2)
VALVE ASSEMBLY - TRANSMISSION CONTROL (87323842)
PEDAL - INCHING
LEVER ASSEMBLY - TRANSMISSION CONTROL
REAR AXLE - HOUSING
REAR AXLE - PLANETARY
REAR AXLE - 4 X 98 INCH
REAR AXLE - 4 X 120 INCH
TRANSMISSION - PUMP DRIVE
POWER TAKE OFF ASSEMBLY - INPUT SHAFT
POWER TAKE OFF ASSEMBLY - REDUCTION GEAR, DUAL SPEED
POWER TAKE OFF ASSEMBLY - OUTPUT SHAFT, DUAL SPEED
POWER TAKE OFF ASSEMBLY - OUTPUT SHAFT, SINGLE SPEED
POWER TAKE OFF ASSEMBLY - OUTPUT SHAFT, SINGLE SPEED REVERSIBLE SHAFT
POWER TAKE OFF ASSEMBLY - SHIELDS
SOLID STEEL REAR WHEELS
HUB ASSEMBLY - REAR WHEEL
SPACER - DUAL REAR WHEELS
REAR WHEEL WEIGHTS
BRAKES - PEDAL BRAKE
BRAKES - HYDRAULIC SYSTEM, WITHOUT TRAILER BRAKES
BRAKES - HYDRAULIC SYSTEM, WITH PNEUMATIC TRAILER BRAKES
BRAKES - CONTROL VALVE
BRAKES - DIFFERENTIAL
PARK BRAKE - HYDRAULIC SYSTEM
PARK AND EMERGENCY BRAKE - LEVER AND LINKAGE
PARK BRAKE - RELEASE
TRAILER BRAKES - PNEUMATIC, AIR COMPRESSOR MOUNTING AND DRIVE
TRAILER BRAKES - PNEUMATIC, RESERVOIR
TRAILER BRAKES - PNEUMATIC, VALVES
TRAILER BRAKES - PNEUMATIC, COUPLERS
TRAILER BRAKES - PNEUMATIC, HAND CONTROL VALVE
HYDRAULIC SYSTEM - OIL COOLER STANDARD PERFORMANCE
HYDRAULIC SYSTEM - CHARGE PUMP
HYDRAULIC SYSTEM - PISTON PUMP AND FILTER, STANDARD FLOW CAPACITY
HYDRAULIC SYSTEM - REGULATED PRESSURE
HYDRAULIC SYSTEM - CREEP SPEED OR 50 KPH TRANSMISSION
HYDRAULIC SYSTEM - TRANSMISSION LUBE
HYDRAULIC SYSTEM - HITCH
HYDRAULIC TOP LINK - HITCH, SHORT ARMS
HYDRAULIC TOP LINK - HITCH, LONG ARMS
HYDRAULIC LIFT LINK - HITCH, RIGHT HAND
HYDRAULIC SYSTEM - PTO/DIFFERENTIAL LOCK VALVE
HYDRAULIC SYSTEM - REMOTE COUPLERS
HYDRAULIC SYSTEM - COUPLER SPILLAGE
HYDRAULIC SYSTEM - POWER BEYOND
HYDRAULIC SYSTEM - MOTOR RETURN
PRIORITY AND REGULATOR VALVE ASSEMBLY
PTO AND DIFFERENTIAL LOCK VALVE ASSEMBLY
REMOTE HYDRAULIC VALVE STACK
MANIFOLD VALVE ASSEMBLY
REMOTE HYDRAULIC CONTROL VALVE, BSN AJB363596
REMOTE HYDRAULIC CONTROL VALVE, ASN AJB363596
HITCH VALVE ASSEMBLY
REMOTE HYDRAULIC COUPLING MOUNTING
REMOTE HYDRAULIC COUPLINGS
CYLINDER ASSEMBLY - HITCH (95 MM)
POWER BEYOND VALVE ASSEMBLY
FRONT FRAME
FRONT WEIGHTS - 45 KG (100 LB)
FRONT WEIGHTS - 450 KG (1000 LB)
FENDERS - FRONT, NARROW
FENDERS - FRONT, WIDE
FENDERS - REAR
FENDERS - REAR, EXTRA WIDE
HOOD - TILTING
HOOD - TILTING
FAN SHIELDS
CAB - MOUNTING AND FRAME
CAB - ROOF
CAB - EXTERIOR TRIM
CAB - STEPS
CAB - FRONT WINDOW STEP
CAB - DOOR
CAB - REAR WINDOW
CAB - FIXED GLASS
MIRRORS - BSN Z7RZ01152
MIRRORS - ASN Z7RZ01152
CAB - HEADLINER, STANDARD TRIM
CAB - FLOOR MAT AND INSULATION
CAB - TRIM, FENDERS
CAB - TRIM, CAB POSTS
CAB - INSTRUMENT PANEL
SEAT ASSEMBLY
CUSHION ASSEMBLY - SEAT
SUSPENSION ASSEMBLY - SEAT
SEAT - INSTRUCTIONAL
CONSOLE, RIGHT HAND, STANDARD CAB
MONITOR MOUNTING - CAB ROOF
MONITOR MOUNTING - CAB A POST
AIR CONDITIONING - COMPRESSOR MOUNTING
AIR CONDITIONING - CONDENSER
HEATER SYSTEM
AIR CONDITIONING - CLIMATE CONTROL UNIT, WITHOUT AUTO TEMP CONTROL
AIR CONDITIONING - CLIMATE CONTROL UNIT, WITH AUTO TEMP CONTROL
AIR CONDITIONING - AIR FILTER
AIR CONDITIONING - DUCTS
CAB - INSULATION
DRAWBAR AND HAMMERSTRAP - STANDARD
HITCH - SUPPORTS AND ROCKSHAFT
HITCH - TOP LINK
HITCH - TOP LINK BALL END
CYLINDER ASSEMBLY - HYDRAULIC TOP LINK - HITCH, SHORT ARMS
CYLINDER ASSEMBLY - HYDRAULIC TOP LINK - HITCH, LONG ARMS
HITCH - LIFT LINKS
CYLINDER ASSEMBLY - HYDRAULIC LIFT LINK - HITCH, RIGHT HAND
HITCH - LOWER LIFT LINKS
HITCH - LOWER LIFT LINKS
HITCH - POSITION SENSOR
HITCH - DRAFT CONTROL PINS
QUICK HITCH COUPLER - CONVERTIBLE, CATEGORY III/III-N, BSN Z6RZ02099
QUICK HITCH COUPLER - CONVERTIBLE, CATEGORY III/III-N, ASN Z6RZ02099
DECALS
DECALS
DECALS
1
2
3
4
5
6
7
7
7
8
8
9
10
11
16
17
18
19
20
21
22
23
24
26
27
31
35
35
36
37
37
38
38
38
39
40
41
41
42
43
45
47
47
48
50
51
52
52
53
53
54
55
56
56
57
58
58
62
63
64
65
66
67
68
69
Позиция на иллюстрации
Заводской номер детали
Название детали
1
REF
INSTRUCTION
2
406962A1
KNOB
3
230098A1
PLATE
4
368048A1
SCREW
5
87395299
VALVE
6
281-3446
SCREW
7
276797A1
KNOB
8
87414463
SWITCH
8
87347179
SWITCH
9
256305A2
POTENTIOMETER
10
A39888
NUT
11
187820A1
KNOB
16
87414464
SWITCH
17
87414328
SWITCH
18
409603A2
SWITCH
19
86990406
SWITCH
20
87414327
SWITCH
21
87399300
POTENTIOMETER
22
A39888
NUT
23
314601A1
BUTTON
24
87399301
POTENTIOMETER
26
87435194
KNOB
27
87434770
KNOB
31
223433A1
KNOB
35
87365723
PANEL
35
87382886
PANEL
36
760-14316
SCREW
37
406324A2
PLUG
38
87570112
PLUG
38
353-401
PLUG
39
87518589
CABLE
40
844-8016
BOLT
41
893-11008
WASHER
42
825-5148
NUT
43
87704091
CABLE
45
87524858
CONTROL
47
864-4012
SCREW
48
864-4025
SCREW
50
258010A2
SWITCH
51
235676A1
CONNECTOR
52
86989945
SWITCH
52
87422017
SWITCH
53
87414465
SWITCH
53
87538596
SWITCH
54
87414467
SWITCH
55
411705A3
KNOB
56
87350580
DECAL
56
87453893
DECAL
57
82031549
PLATE
58
87330047
PUSH BUTTON
58
87327317
PLASTIC PLUG
59
406324A2
PLUG
60
296781A1
CONNECTOR
61
87342542
DECAL
62
87435852
SPACER
63
87435853
RING
64
87435947
SPRING
65
87436077
WASHER
66
87435946
WASHER
67
L11541
CABLE TIE
68
291207C1
CLAMP
69
781-24820
SCREW
Содержащиеся в справочниках-каталогах запасные части и детали не предлагаются к продаже, а носят исключительно информационный характер
Дополнительная информация
×
Название:
Номер:
Примечание: