Вернуться на главную
Поиск
Каталоги запчастей к технике
Сельхозтехника
CASE IH
MX-240 Magnum
BREATHER - TRANSMISSION
Каталог запасных частей к технике: CASE IH MX-240 Magnum. BREATHER - TRANSMISSION
zoom-in
zoom-out
enlarge
shrink
circle-right
circle-left
file-text2
info
cart
Тип техники
Не выбрано
Легковые автомобили
Грузовые автомобили и прицепы
Автобусы
Сельхозтехника
Спецтехника
Двигатели
Мототехника
Марка
Не выбрано
AGCO
Amity
CASE IH
DongFeng
Fortschritt
Foton
Franz Kleine
Gaspardo
Great Plains
KRONE
KUHN
Lemken
Lovol
MacDon
Massey Ferguson
New Holland
TIGARBO
Vaderstad
Versatile
Wirax
Агро
Агротехмаш
Бобруйскагромаш (ОАО «УКХ «Бобруйскагромаш»)
БЭМЗ
ВгТЗ
Воронежсельмаш
ВТЗ
Гомсельмаш
ДКЗ
ЗАО "Техника-сервис"
ЗиД
КЗК
Кировец-Ландтехник
Клевер
Красная Звезда
Лидагропроммаш
Лидсельмаш
ЛТЗ
Машстройхолдинг
Минитракторы
Мордовагромаш
МТЗ
Навигатор-Новое машиностроение
Нефтекамский автозавод
ПТЗ
Ремком
РСМ
Сибсельмаш
ТеКЗ
ТКЗ
ХЗТСШ
ХТЗ
ЮМЗ
Модель
Не выбрано
430 Steiger 4WD (2010)
Axial Flow 2388 (2010)
MRX-690 (2012)
MX-240 Magnum (2007)
MX-255 Magnum (2006)
MX-285 Magnum (2007)
MX-305 Magnum (2007)
Puma-210 (2010)
STX-530 Steiger (2010)
Жатка-2030 (RIGID) (2010)
Жатка-2152 (2010)
Культиватор-Tigermate 2 DMI (2010)
Схема
>
Не выбрано
RADIATOR AND FAN SHROUD
RADIATOR ASSEMBLY
DEAERATION SYSTEM
AIR INDUCTION SYSTEM - STANDARD DUTY
AIR INDUCTION SYSTEM - SEVERE DUTY
AFTERCOOLER
ETHER START SYSTEM
EXHAUST SYSTEM
ENGINE MOUNTING
FLYWHEEL SHIELDS
WATER PUMP SYSTEM
FRONT GEAR COVER
MANIFOLDS
TURBOCHARGER SYSTEM
TURBOCHARGER ASSEMBLY
WASTEGATE ACTUATOR, MX240 AND MX255
FILTER AND COOLER - OIL
OIL PUMP AND OIL PAN
CYLINDER HEAD - COVER
CYLINDER HEAD - VALVE MECHANISM
FILTER, WATER
CRANKCASE, BREATHER
CAMSHAFT
CYLINDER BLOCK
KIT ENGINE OVERHAUL, MX240 AND MX255
CRANKSHAFT
FLYWHEEL
PISTONS - CONNECTING RODS, MX240 AND MX255
GASKET KIT - VALVE GRIND
GASKET KIT - CYLINDER BLOCK
GASKET KIT - BASIC SERVICE ENGINE
FUEL SYSTEM
ANEROID AND WASTEGATE SYSTEM
FUEL FILTER - PUMP, TRANSFER
FUEL INJECTION - PUMP AND DRIVE
FUEL INJECTION - NOZZLE
HAND THROTTLE
FOOT THROTTLE
FUEL TANKS
FUEL LINES
FUEL FILTER
HARNESS - ENGINE
POWER DISTRIBUTION
HARNESS - CHASSIS
HARNESS - REMOTE HYDRAULIC VALVE
HARNESS - CAB
HARNESS - CAB ROOF, SHELF AND CD CHANGER
ELECTRICAL COMPONENT MOUNTING
ELECTRICAL COMPONENT MOUNTING - FUSES
A-POST COVER - INSTRUMENT CLUSTER
CONTROLS - FRONT CONSOLE
CONTROLS - RIGHT HAND CONSOLE
CONTROLS - RIGHT FENDER CONSOLE, WITHOUT ATC
ALTERNATOR - MOUNTING
ALTERNATOR ASSEMBLY - 135 AMPERE
STARTER - MOUNTING
STARTER ASSEMBLY
SOLENOID - STARTER
BATTERY, BATTERY BOX AND CABLES
WINDSHIELD WIPER ASSEMBLY - FRONT AND REAR
WINDSHIELD WASHER - FRONT AND REAR
HEADLAMPS
LAMPS - WIDE TRANSPORT
LAMPS - FRONT WORK
LAMPS - CAB ROOF
LAMPS - REAR FENDER AND REMOTE HITCH SWITCH
WORK LAMPS - ROOF AND REAR FENDERS
LAMP - STROBE
LAMP - BEACON
RADIOS, SPEAKERS AND ANTENNAS
GROUND SPEED SENSOR
IMPLEMENT CONNECTORS AND MOUNTING
HARNESS AND MONITOR
STEERING WHEEL AND COLUMN
STEERING COLUMN ASSEMBLY
STEERING SYSTEM - MFD
FRONT AXLE - MOUNTING, MFD
FRONT AXLE DRIVE SHAFT - MFD, WITHOUT DIFFERENTIAL LOCK
MFD AXLE HOUSING ASSEMBLY - STANDARD WITH 10 BOLT HUB, WITHOUT DIFFERENTIAL LOCK
MFD AXLE HOUSING ASSEMBLY - STANDARD WITH 12 BOLT HUB, WITHOUT DIFFERENTIAL LOCK
CARRIER AND DIFFERENTIAL - MFD, 10 BOLT HUB, WITHOUT DIFFERENTIAL LOCK
CARRIER AND DIFFERENTIAL - MFD, 12 BOLT HUB, WITHOUT DIFFERENTIAL LOCK
FRONT AXLE PLANETARIES AND HUB - MFD, 10 BOLT HUB
FRONT AXLE PLANETARIES AND HUB - MFD, 12 BOLT HUB
STEERING CYLINDER ASSEMBLY - MFD, 10 BOLT HUB
STEERING CYLINDER ASSEMBLY - MFD, 12 BOLT HUB
FRONT WHEELS - MFD, 10 BOLT HUB
FRONT WHEELS - MFD, 12 BOLT HUB
TRANSMISSION DRIVE SHAFT
TRANSMISSION DROP BOX
SPEED TRANSMISSION - HOUSING
PLATE ASSEMBLY - VALVE MOUNTING, LEFT HAND SIDE
PLATE ASSEMBLY - VALVE MOUNTING, TOP
SPEED TRANSMISSION - INPUT SHAFT WITHOUT CREEP SPEED
SPEED TRANSMISSION - INPUT SHAFT WITH CREEP SPEED
SPEED TRANSMISSION - COUNTERSHAFT WITHOUT CREEP SPEED
SPEED TRANSMISSION - COUNTERSHAFT WITH CREEP SPEED
SPEED TRANSMISSION - OUTPUT SHAFT FRONT CLUTCH
SPEED TRANSMISSION - OUTPUT SHAFT REAR CLUTCH
RANGE TRANSMISSION - HOUSING
VALVE ASSY - INCHING
RANGE TRANSMISSION - INPUT SHAFT
RANGE TRANSMISSION - MASTER CLUTCH
RANGE TRANSMISSION - COUNTERSHAFT
TRANSMISSION - PINION SHAFT AND GEARS
TRANSMISSION - DIFFERENTIAL
RANGE TRANSMISSION - MFD CLUTCH
MFD AXLE - DRIVE SHAFT
TRANSMISSION CONTROL VALVE LOCATION
VALVE ASSEMBLY - TRANSMISSION CONTROL (450729A2)
VALVE ASSEMBLY - TRANSMISSION CONTROL (450724A2)
VALVE ASSEMBLY - TRANSMISSION CONTROL (450728A2)
PEDAL - INCHING
LEVER ASSEMBLY - TRANSMISSION CONTROL
REAR AXLE - HOUSING
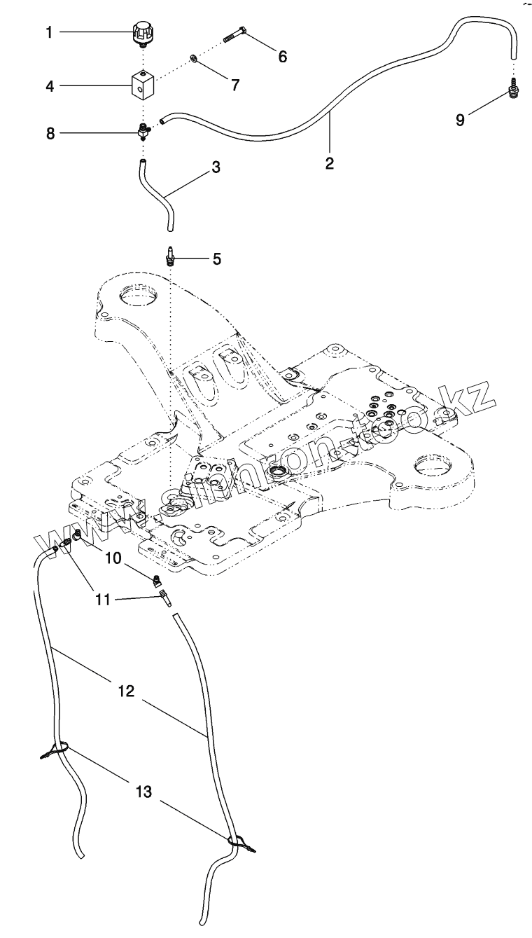
BREATHER - TRANSMISSION
REAR AXLE - PLANETARY
REAR AXLE - 4 X 98 INCH, MX240 AND MX255
REAR AXLE - 4 X 120 INCH
TRANSMISSION - PUMP DRIVE
POWER TAKE OFF ASSEMBLY - INPUT SHAFT
POWER TAKE OFF ASSEMBLY - REDUCTION GEAR, DUAL SPEED
POWER TAKE OFF ASSEMBLY - OUTPUT SHAFT, DUAL SPEED
POWER TAKE OFF ASSEMBLY - OUTPUT SHAFT, SINGLE SPEED
POWER TAKE OFF ASSEMBLY - SHIELDS
SOLID STEEL REAR WHEELS
HUB ASSEMBLY - REAR WHEEL
SPACER - DUAL REAR WHEELS
REAR WHEEL WEIGHTS
BRAKES - PEDAL BRAKE
BRAKES - HYDRAULIC SYSTEM
BRAKES - CONTROL VALVE
BRAKES - DIFFERENTIAL
PARK BRAKE - HYDRAULIC SYSTEM
PARK BRAKE - BRAKE ASSEMBLY
PARK BRAKE - RELEASE
HYDRAULIC SYSTEM - OIL COOLER
HYDRAULIC SYSTEM - 3RD OIL COOLER
HYDRAULIC SYSTEM - CHARGE PUMP
HYDRAULIC SYSTEM - PISTON PUMP AND FILTER, STANDARD FLOW CAPACITY
HYDRAULIC SYSTEM - PISTON PUMP AND FILTER, HIGH FLOW CAPACITY
HYDRAULIC SYSTEM - REGULATED PRESSURE
HYDRAULIC SYSTEM - CREEP SPEED
HYDRAULIC SYSTEM - TRANSMISSION LUBE
HYDRAULIC SYSTEM - HITCH
HYDRAULIC SYSTEM - FRONT HITCH
HYDRAULIC SYSTEM - PTO/DIFFERENTIAL LOCK VALVE
HYDRAULIC SYSTEM - REMOTE COUPLERS
HYDRAULIC SYSTEM - POWER BEYOND
HYDRAULIC SYSTEM - MOTOR RETURN
PRIORITY AND REGULATOR VALVE ASSEMBLY
PTO AND DIFFERENTIAL LOCK VALVE ASSEMBLY
REMOTE HYDRAULIC VALVE STACK
MANIFOLD VALVE ASSEMBLY
REMOTE HYDRAULIC CONTROL VALVE
HITCH VALVE ASSEMBLY
REMOTE HYDRAULIC COUPLING MOUNTING
REMOTE HYDRAULIC COUPLING ASSEMBLY
CYLINDER ASSEMBLY - HITCH (88.9 MM)
CYLINDER ASSEMBLY - HITCH (90 MM)
CYLINDER ASSEMBLY - HITCH (95 MM)
CYLINDER ASSEMBLY - HITCH (105 MM)
POWER BEYOND VALVE ASSEMBLY
FRONT FRAME
FRONT WEIGHTS - 45 KG (100 LB)
FRONT WEIGHTS - 450 KG (1000 LB)
FRONT HITCH
FENDERS - FRONT, NARROW
FENDERS - FRONT, WIDE
FENDERS - REAR
FENDERS - REAR, EXTRA WIDE
HOOD - TILTING
FAN SHIELDS
HOOD - FIXED
CAB - MOUNTING AND FRAME
CAB - ROOF
CAB - EXTERIOR TRIM
CAB - STEPS
CAB - FRONT WINDOW STEP
CAB - DOOR
CAB - REAR WINDOW
CAB - FIXED GLASS
MIRRORS - BSN Z7RZ01152
MIRRORS - ASN Z7RZ01152
CAB - HEADLINER
CAB - FLOOR MAT AND INSULATION
CAB - TRIM, FENDERS
CAB - TRIM, CAB POSTS
CAB - INSTRUMENT PANEL
SEAT ASSEMBLY
CUSHION ASSEMBLY - SEAT
SUSPENSION ASSEMBLY - SEAT
SEAT - INSTRUCTIONA
CONSOLE, RIGHT HAND
MONITOR MOUNTING - CAB ROOF
MONITOR MOUNTING - CAB A POST
AIR CONDITIONING - COMPRESSOR MOUNTING
AIR CONDITIONING - CONDENSER
HEATER SYSTEM
AIR CONDITIONING - CLIMATE CONTROL UNIT, WITHOUT AUTO TEMP CONTROL
AIR CONDITIONING - AIR FILTER
AIR CONDITIONING - DUCTS
CAB - INSULATION
DRAWBAR AND HAMMERSTRAP
HITCH - SUPPORTS AND ROCKSHAFT
HITCH - TOP LINK, CLAW TYPE
HITCH - TOP LINK, SOLID BALL TYPE
HITCH - LIFT LINKS
HITCH - LOWER LIFT LINKS, CLAW TYPE
HITCH - LOWER LIFT LINKS, SOLID BALL TYPE
HITCH - SWAY LIMITER
HITCH - POSITION SENSOR
HITCH - DRAFT CONTROL PINS
DECALS
DECALS
DECALS
1
2
3
4
5
6
7
8
9
10
11
12
13
Позиция на иллюстрации
Заводской номер детали
Название детали
1
1971726C1
BREATHER
2
359116A1
HOSE
3
359117A1
HOSE
4
132093A2
BLOCK
5
220-502
COUPLING
6
814-8050
BOLT
7
895-15008
WASHER
8
369378A1
TEE
9
369941A1
COUPLING
10
217-15
ELBOW
11
217-120
ELBOW
12
413825A1
HOSE
13
L11541
CABLE TIE
Содержащиеся в справочниках-каталогах запасные части и детали не предлагаются к продаже, а носят исключительно информационный характер
Дополнительная информация
×
Название:
Номер:
Примечание: