Вернуться на главную
Поиск
Каталоги запчастей к технике
Сельхозтехника
CASE IH
Axial Flow 2388
PUMP, AUXILIARY - MOUNTING AND DRIVE
Каталог запасных частей к технике: CASE IH Axial Flow 2388. PUMP, AUXILIARY - MOUNTING AND DRIVE
zoom-in
zoom-out
enlarge
shrink
circle-right
circle-left
file-text2
info
cart
Тип техники
Не выбрано
Легковые автомобили
Грузовые автомобили и прицепы
Автобусы
Сельхозтехника
Спецтехника
Двигатели
Мототехника
Марка
Не выбрано
AGCO
Amity
CASE IH
DongFeng
Fortschritt
Foton
Franz Kleine
Gaspardo
Great Plains
KRONE
KUHN
Lemken
Lovol
MacDon
Massey Ferguson
New Holland
TIGARBO
Vaderstad
Versatile
Wirax
Агро
Агротехмаш
Бобруйскагромаш (ОАО «УКХ «Бобруйскагромаш»)
БЭМЗ
ВгТЗ
Воронежсельмаш
ВТЗ
Гомсельмаш
ДКЗ
ЗАО "Техника-сервис"
ЗиД
КЗК
Кировец-Ландтехник
Клевер
Красная Звезда
Лидагропроммаш
Лидсельмаш
ЛТЗ
Машстройхолдинг
Минитракторы
Мордовагромаш
МТЗ
Навигатор-Новое машиностроение
Нефтекамский автозавод
ПТЗ
Ремком
РСМ
Сибсельмаш
ТеКЗ
ТКЗ
ХЗТСШ
ХТЗ
ЮМЗ
Модель
Не выбрано
430 Steiger 4WD (2010)
Axial Flow 2388 (2010)
MRX-690 (2012)
MX-240 Magnum (2007)
MX-255 Magnum (2006)
MX-285 Magnum (2007)
MX-305 Magnum (2007)
Puma-210 (2010)
STX-530 Steiger (2010)
Жатка-2030 (RIGID) (2010)
Жатка-2152 (2010)
Культиватор-Tigermate 2 DMI (2010)
Схема
>
Не выбрано
RADIATOR - FAN SHROUD
WATER PUMP SYSTEM
DEAERATION SYSTEM
COOLER BOX ASSY
COOLER BOX ASSY
METAL DOOR ASSY - ROTARY AIR SCREEN
METAL ROTARY AIR SCREEN ASSY
PLASTIC DOOR ASSY - ROTARY AIR SCREEN
PLASTIC ROTARY AIR SCREEN ASSY, WITH DIRT DROP BOX AND BRUSHES
ROTARY AIR SCREEN VACUUM SYSTEM
NON ROTARY AIR SCREEN VACUUM SHIELDS
INTAKE SYSTEM, CHARGE AIR COOLER
AIR CLEANER - AIR INDUCTION SYSTEM
EXHAUST SYSTEM - MUFFLER
MANIFOLDS
TURBOCHARGER SYSTEM
TURBOCHARGER ASSY
WASTEGATE ACTUATOR
CYLINDER BLOCK - ENGINE BLOCK HEATERS
OIL PUMP, PAN - OIL PAN HEATER KIT
CYLINDER HEAD, COVER AND BREATHER
CYLINDER HEAD - VALVE MECHANISM
FRONT GEAR COVER
WATER FILTER AND THERMOSTAT
OIL FILTER AND COOLER
CAMSHAFT
CRANKSHAFT
PISTONS - CONNECTING RODS
FLYWHEEL AND BACKING PLATE
OIL SYSTEM ENGINE - OIL FILL TUBE - OIL DRAIN SYSTEM
GASKET KIT - CYLINDER BLOCK
GASKET KIT - VALVE GRIND
KIT, GASKET - BASIC ENGINE SERVICE
KIT ENGINE OVERHAUL
ETHER START SYSTEM
MOUNTING, ENGINE - BSN HAJ331
MOUNTING, ENGINE - ASN HAJ331
FUEL INJECTION SYSTEM
WASTEGATE SYSTEM
FUEL FILTER - PUMP, TRANSFER
FUEL INJECTION - PUMP AND DRIVE
FUEL INJECTION - NOZZLE
FUEL, SUPPLY
FUEL, RETURN
FUEL TANK
THROTTLE CONTROL
HARNESS - FRONT
POTENTIOMETER, CONCAVE POSITION - MOUNTING
HARNESS, CENTER
HARNESSES - STEERING CONSOLE AND PLATFORM
HARNESS, ENGINE
HARNESS, CONSOLE
LEVER ASSY - PROPULSION CONTROLS
HARNESS - CAB, OVERHEAD
RADIO
HARNESS - CAB, LOWER REAR
HARNESS - CAB, RELAY AND FUSE
INSTRUMENT PANEL ASSY
HARNESS, LOWER
HARNESS, LEFT HAND SIDE
HARNESS, REAR
HARNESS - GRAIN TANK AND UNLOADER LAMP
HARNESS - ROTOR LIMIT SWITCH
HARNESS - FAN AND ROTOR SPEED
HARNESS - TAILINGS MONITOR
HARNESS - FEEDER REVERSER
POTENTIOMETER, FEEDER POSITION - MOUNTING
POTENTIOMETER, FEEDER POSITION - MOUNTING - YIELD MONITOR
POTENTIOMETER, FEEDER POSITION - MOUNTING - RETURN TO CUT
HARNESS - CHAFFER AND ROTOR
HARNESS - FIELD TRACKER
HARNESS - ROTOR MOTOR CONTROL - ASN HAJ331
FIELD TRACKER® - MOUNTING, POTENTIOMETER
LAMP ASSY - DRIVE AND FLOOD
LAMP ASSY - DRIVE AND FLOOD - HALOGEN
LAMP ASSYS, WARNING LAMP
MOUNTING, LAMP - GRAIN TANK
LAMP ASSY - SIEVE
BATTERY - CABLES
BATTERY - BOX
ALTERNATOR - MOUNTING
STARTER ASSY - MOUNTING
STARTER ASSY - ISKRA
ALTERNATOR ASSY
MOTOR ASSY - WIPER, WINDSHIELD
WINDSHIELD WASHER
LAMP ASSY - FLASHERS, SIDE
LAMP ASSY - GRAIN TANK
PACKAGE, AFS DISPLAY BATTERY BACKUP
AFS PRO 6 DISPLAY
HARNESS, YIELD MONITOR CAB DISPLAY, AFS
HEADER HEIGHT POTENTIOMETER AND MOUNTING, AFS
AFS YIELD MONITOR INTERFACE UNIT PACKAGE
BEACON, ROTATING
COMBINE HEADER ADAPTER, ELECTRICAL
AFS - ANTENNA UNIT
HARNESSES, AUTO GUIDANCE - ASN HAJ331
STEERING SENSOR BRACKET, AUTO GUIDANCE, POWER GUIDE AXLE - ASN HAJ331
STEERING SENSOR BRACKET, AUTO GUIDANCE, NON-POWER GUIDE AXLE - ASN HAJ331
STEERING COLUMN - WHEEL
HYDRAULICS - STEERING SUPPLY AND RETURN
HYDRAULICS - STEERING PUMP TO CYLINDER
AXLE, STEERING - SUPPORT - ADJUSTABLE AXLE
AXLE, ADJUSTABLE STEERING, SINGLE CYLINDER
AXLE, ADJUSTABLE STEERING, DUAL CYLINDER
AXLE, ADJUSTABLE - STEERING KNUCKLE, HUB AND WHEELS
REAR WHEEL WEIGHT
AXLE, ADJUSTABLE - TIE ROD, STEERING
AXLE, ADJUSTABLE - TIE ROD, WITH DUAL STEERING CYLINDERS
AXLE, STEERING SUPPORT - POWER GUIDE AXLE
AXLE, STEERING - EXTENSIONS - POWER GUIDE AXLE - SINGLE STEERING CYLINDER
AXLE, STEERING - EXTENSIONS - POWER GUIDE AXLE - DUAL STEERING CYLINDER
MOTOR, WHEEL - KING PIN - POWER GUIDE AXLE - AXLE DRIVE WHEEL
MOTOR ASSY - WHEEL DRIVE - POWER GUIDE AXLE - CORN AND GRAIN COMBINE
HYDRAULICS - MOTOR, DRIVE - POWER GUIDE AXLE
HYDRAULICS - WHEEL MOTOR FLUSH - POWER GUIDE AXLE
STEERING CYLINDER AND TIE ROD - POWER GUIDE AXLE - SINGLE STEERING CYLINDER
STEERING CYLINDER AND TIE ROD - POWER GUIDE AXLE - DUAL STEERING CYLINDER
CYLINDER ASSY - STEERING
CYLINDER ASSY - STEERING - POWER GUIDE AXLE- 12 ROW READY
VALVE, SELECTOR CONTROL - MOUNTING - POWER GUIDE AXLE
VALVE, SELECTOR CONTROL - POWER GUIDE AXLE - CORN AND GRAIN COMBINE
VALVE ASSY - STEERING PRIORITY
AXLE, STEERING - SHIELD
AXLE, STEERING - WEIGHTS - 16 WEIGHTS
HITCH, TRAILER
VALVE, SELECTOR CONTROL - POWER GUIDE AXLE - RICE COMBINE
MOTOR ASSY - WHEEL DRIVE - POWER GUIDE AXLE - RICE COMBINE
POWER TAKE OFF DRIVE
HYDROSTATICS - PUMP AND MOTOR - SINGLE SPEED MOTOR
HYDROSTATICS - PUMP AND MOTOR - TWO SPEED MOTOR
PEDAL-FOOT-N-INCH
HYDRAULICS - FOOT-N-INCH VALVE
VALVE ASSY - FOOT-N-INCH
CONTROLS - PROPULSION
PUMP ASSY - HYDROSTATIC
PUMP ASSY - HYDROSTATIC - CONTROL VALVE
PUMP ASSY - HYDROSTATIC - CHARGE PUMP - CORN AND GRAIN COMBINE
PUMP ASSY - HYDROSTATIC - CHARGE PUMP - RICE COMBINE
MOTOR ASSY - HYDROSTATIC - SINGLE SPEED
MOTOR ASSY - HYDROSTATIC - RELIEF VALVE BLOCK
MOTOR ASSY - HYDROSTATIC - TWO SPEED
MOTOR ASSY - HYDROSTATIC - TWO SPEED
MOTOR ASSY - HYDROSTATIC - CONTROL VALVE - TWO SPEED
CONTROLS - TRANSMISSION UPPER SHIFT
CONTROLS - TRANSMISSION LOWER SHIFT
TRANSMISSION ASSY - HOUSING AND DIFFERENTIAL
TRANSMISSION ASSY - DIFFERENTIAL PINION SHAFT AND GEARS
TRANSMISSION ASSY - INPUT SHAFT, GEARS AND SHIFTER RAILS
AXLE ASSY - DRIVE, WITHOUT EXTENSIONS
AXLE - EXTENSIONS
FINAL DRIVE ASSY
WHEELS - DRIVE - SINGLE
WHEELS - DRIVE- DUAL
CONTROLS - BRAKES, MASTER
HYDRAULICS - BRAKES, MASTER
BRAKES, MASTER
VALVE ASSY - BRAKES, MASTER
HYDRAULICS - BRAKE, PARKING AND TOW VALVE
RESERVOIR - OIL, HYDRAULIC
HYDRAULICS - RESERVOIR TO HYDROSTATIC PUMP
FILTER ASSY - OIL, RETURN - RETURN FILTER MOUNTING
HYDROSTATIC - FILTER, PUMP SUCTION - SUCTION FILTER MOUNTING
OIL COOLER SYSTEM
HYDRAULICS - AUXILIARY PUMP SUPPLY
HYDRAULICS - AUXILIARY PUMP RETURN
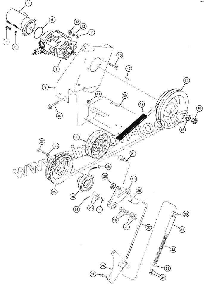
PUMP, AUXILIARY - MOUNTING AND DRIVE
HYDRAULICS - HEADER LIFT VALVE SUPPLY
HYDRAULICS - HEADER LIFT
VALVE, CONTROL - MOUNTING
VALVE ASSY - CONTROL - HEADER LIFT VALVE ASSY
VALVE ASSY - CONTROL - 4-WAY, 3 POSITION
VALVE ASSY - CONTROL - HEADER LIFT WITH FORE AND AFT VALVE ASSY
VALVE ASSY - CONTROL - HEADER LIFT WITH REEL FORE AND AFT AND FIELD TRACKER
VALVE ASSY - HEADER HEIGHT
VALVE ASSY - PARKING BRAKE AND FEEDER CLUTCH
HYDRAULICS - REEL DRIVE
REEL DRIVE - COUPLING MOUNTING
VALVE ASSY - REEL DRIVE
HYDRAULICS - REEL LIFT AND FORE/AFT
HYDRAULICS - FEEDER CLUTCH
HYDRAULICS - ROTARY AIR SCREEN CIRCUIT (PLASTIC SCREEN)
HYDRAULICS - ROTARY AIR SCREEN VACUUM
HYDRAULICS - UNLOADER CLUTCH
HYDRAULICS - SEPARATOR CLUTCH - PTO CIRCUIT
HYDRAULICS - SEPARATOR CLUTCH
VALVE ASSY - CLUTCH, SEPARATOR/UNLOADER
VALVE ASSY - ROTARY SCREEN BYPASS
CYLINDER ASSYS - FEEDER CLUTCH
ACCUMULATOR - MOUNTING AND SYSTEM
HYDRAULICS - UNLOADER TUBE SWING CYLINDER
HYDRAULICS - FIELD TRACKER
CYLINDER ASSY - FIELD TRACKER, TILT
HYDRAULICS - FEEDER REVERSER
FEEDER REVERSER MOTOR - HYDRAULIC
VALVE ASSY - FEEDER REVERSER
COMBINE HEADER ADAPTER, HOSES AND COUPLINGS
HYDRAULICS - AUTO GUIDANCE - ASN HAJ331
VALVE, AUTO GUIDANCE - ASN HAJ331
BELT DRIVE - JACKSHAFT, FAN
BELT DRIVE - RIGHT-HAND SIDE
SEPARATOR SHIELD, DRIVE
SEPARATOR - JACKSHAFT DRIVE
SEPARATOR - JACKSHAFT SUPPORT
SEPARATOR DRIVE PULLEY AND IDLER
JACKSHAFT BEARING BLOCK - FOR USE WITH DISCHARGE BEATER
FEEDER - HOUSING, DRIVE AND FAN GEAR
FEEDER - MOUNTING, DRIVE AND FAN GEAR
FEEDER - DRIVE
FEEDER - SHIELDS, DRIVE
FEEDER - JACKSHAFT DRIVE
FEEDER - JACKSHAFT IDLER PIVOT
FEEDER - SHIELDS, JACKSHAFT DRIVE
FEEDER - HOUSING AND ADAPTER
FEEDER - SUPPORTS AND LIFT BRACKET
FEEDER - COVERS
FEEDER - CONVEYOR - 3 STRAND CONVEYOR CHAIN
ROCK TRAP
ROCK TRAP DRIVE
GEARBOX ASSY - FEEDER REVERSER
GEARBOX - FEEDER REVERSER
FIELD TRACKER® - SUPPORT, FEEDER PIVOT
FIELD TRACKER® - SUPPORT, HEADER PIVOT
ROTOR DRIVE - GEARBOX MOUNTING
ROTOR DRIVE - MOUNTING SUPPORTS
ROTOR DRIVE - PULLEY AND CAM
ROTOR DRIVE - HOUSING, GEAR
ROTOR DRIVE - SPEED ADJUSTMENT
ROTOR ASSY - CORN AND GRAIN
ROTOR ASSY - SPECIALTY
ROTOR ASSY - SPECIALTY AFX - BSN HAJ331
ROTOR ASSY - SPECIALTY AFX - ASN HAJ331
ROTOR INSTALLATION PARTS - BSN HAJ331
ROTOR INSTALLATION PARTS - ASN HAJ331
CONE
VANE - EXTENDED WEAR/STANDARD WEAR
VANE - AFX WITH EXTENDED WEAR
CAGE - FRONT
CAGE - REAR
CONCAVES - GRATES AND CONCAVES
CONCAVES - ANCHOR SUPPORTS
CONCAVES - CONTROL
AUGER BED
DRIVE - SHAKER SHAFT AND AUGER
CHAFFER - DRIVE HANGER
SIEVE, SHOE
CHAFFER - SIEVE
GRAIN PAN SIDE HILL DIVIDERS
SIEVE ADJUSTMENT
BEATER - DISCHARGE
BEATER PAN - DISCHARGE - CORN AND GRAIN - FIXED
BEATER PAN - DISCHARGE - RICE - SPRING LOADED
CLEANING FAN - HOUSING
CLEANING FAN - SHAFT AND SUPPORTS
CLEANING FAN - DRIVE
CLEANING FAN - DRIVE SPEED CONTROL
SHIELD, FAN INLET - DOOR - RIGHT-HAND
CLEANING FAN - SHIELDS
SHIELDS, INLET AND SEPARATOR - LEFT HAND
SHIELDS, INLET AND SEPARATOR - RIGHT HAND REAR
GRAIN AUGER TROUGH
GRAIN ELEVATOR - HOUSING AND BOOT
GRAIN ELEVATOR HEAD, INCLINED
GRAIN ELEVATOR HEAD, INCLINED - AFS FLOW SENSOR
GRAIN ELEVATOR HEAD, INCLINED - AFS MOISTURE SENSOR
GRAIN ELEVATOR, OUTER BOOT AND ELEVATOR SLIDE ADJUSTER
GRAIN ELEVATOR DRIVE
AUGER ASSEMBLY - TAILINGS DELIVERY
INCLINED DELIVERY - AUGER
TAILINGS AUGER TROUGH
TAILINGS AUGER TROUGH PANEL AND GATE - MODELS WITH STRAW SPREADER
CLEANING SHOE DOOR - SHIELD - MODELS WITH STRAW AND CHAFF SPREADER
TAILINGS - ELEVATOR HOUSING AND CONVEYOR
TAILINGS - ELEVATOR HEAD
TAILINGS - ELEVATOR DRIVE
ELEVATOR - JACKSHAFT, DRIVE
GRAIN TANK ASSEMBLY
GRAIN TANK - SUPPORTS, UPPER
GRAIN TANK - SUPPORTS, LOWER
GRAIN TANK EXTENSIONS
AUGERS - GRAIN TANK, LOWER
GRAIN TANK - STEPS AND SAMPLE TROUGH
UNLOADER, BELT DRIVE
UNLOADER, CHAIN DRIVE
AUGER, UNLOADER - GRAIN TANK, LOWER
UNLOADER HOUSING - GRAIN TANK, LOWER
UNLOADER - TUBE, UPPER
UNLOADER - AUGER, UPPER
UNLOADER - SUPPORTS
UNLOADER - SUPPORTS, SWING CYLINDER
UNLOADER - TUBE SADDLE
UNLOADER - UPPER GEAR HOUSING
STRAW SPREADER
STRAW SPREADER - DRIVE
STRAW SPREADER - SHIELDS
STRAW CHOPPER - DRIVE
STRAW CHOPPER - HOUSING, GEAR
STRAW CHOPPER - ROTOR AND CONCAVE
CAB - FRAME AND WINDSHIELD
CAB - DOOR ASSY, LEFT HAND
CAB - DOOR ASSY, RIGHT HAND
CAB - WINDOW, REAR - OPENABLE
CAB - FLOOR MAT AND INSULATION
CAB - HEADLINER
CAB - INTERIOR
CAB - CONSOLE, RIGHT HAND
SEAT, INSTRUCTIONAL - STORAGE TRAY
SEAT, INSTRUCTIONAL - BELTS
SEAT, OPERATOR - AIR SUSPENSION - CUSHIONS AND KNOBS
SEAT, OPERATOR - AIR SUSPENSION - PLATE AND SLIDES
SEAT, OPERATOR - SUSPENSION
HEATER - AIR CONDITIONING - LOUVERS AND AIR DUCTS
HEATER - AIR CONDITIONING - CAB AIR CONDITIONING, EXTERIOR
HEATER - AIR CONDITIONING
BOX ASSY - AIR CONDITIONING
HEATING SYSTEM - CAB/CHASSIS CONNECTIONS TO ENGINE
HEATER - AIR CONDITIONING - COMPRESSOR TO CONDENSER AND CAB/CHASSIS CONNECTIONS
AIR CONDITIONING - COMPRESSOR MOUNTING AND DRIVE
CAB - MIRROR, REAR VIEW WITH WARNING LAMP - BSN HAJ3229
CAB - MIRROR, REAR VIEW WITH WARNING LAMP - ASN HAJ3229
CAB - MIRROR, REAR VIEW - INTERIOR
FIRE EXTINGUISHER
SUNVISOR
ENGINE SHIELDS AND SERVICE DECK
ENGINE SHIELDS AND SERVICE DECK SUPPORTS
SEPARATOR - DOORS - LEFT HAND
SEPARATOR - DOORS - RIGHT HAND
SEPARATOR - HOOD
DOOR - SHIELD - RIGHT HAND
DOOR - SHIELDS - LEFT HAND
GRAIN TANK, CORNER COVER PARTS
DEFLECTORS - SUPPORTS
LADDER, SERVICE
HAND RAILS - DECK, SERVICE
LADDER - RADIATOR ACCESS
LADDER, OPERATORS
PLATFORM, OPERATORS - LEFT HAND
PLATFORM SUPPORT - LADDER PIVOT
PLATFORM, OPERATORS - EXTENSION
PLATFORM - LADDER, RIGHT HAND
DECALS
DECALS - WARNING AND DANGER
DECALS - INFORMATION DECALS WITH READ OPERATORS MANUAL SYMBOL
DECALS - INFORMATION DECALS WITH READ OPERATORS MANUAL SYMBOL
DECALS - IMPORTANT INSTRUCTIONS, DECAL KITS
DECALS - CAB
1
4
6
7
8
9
9
10
11
12
13
14
15
16
17
18
19
20
21
22
23
23
24
25
26
27
28
29
30
31
32
33
34
35
36
36A
37
38
39
39
40
40
40
41
41
42
Позиция на иллюстрации
Заводской номер детали
Название детали
Pump
Pump
Pump
1
87338787
PUMP
2
87510575
KIT
3
87510576
COMPENSATOR
3A
87510577
KIT
4
375147A1
PUMP
5
291744A1
KIT
6
238-6042
O-RING
7
413-620
BOLT
8
495-81265
WASHER
8A
62-32520
SCREW
8B
238-6042
O-RING
9
443255A1
SUPPORT
9
87635893
SUPPORT ASSY
10
413-824
BOLT
11
86624146
WASHER
12
80679
WASHER
13
425-108
NUT
14
122948A1
PULLEY
15
496-21081
WASHER
16
231-46112
NUT
17
440498A3
BELT
18
1330517C1
LEVER
19
188068C1
BUSHING
20
219-90
NIPPLE
21
274844R91
BEARING
22
192865C1
PULLEY
23
495-81073
WASHER
24
432-1624
PIN
25
194729C2
SUPPORT
26
413-828
BOLT
27
191823C2
ROD
28
495-11053
WASHER
29
432-1216
PIN
30
194652C1
PIVOT
31
87331922
SPACER
32
V368
SPRING
33
495-81287
WASHER
34
425-108
NUT
35
1330488C1
PULLEY
36
196482C3
HUB
36A
219-87
NIPPLE
37
426-840
BOLT
38
495-11053
WASHER
39
112454A5
SUPPORT
39
87642895
SUPPORT ASSY
40
87302717
SCREW
40
87302717
SCREW
40
409-7824
BOLT
41
87301492
NUT
41
87301492
NUT
42
194022A1
NIPPLE
Содержащиеся в справочниках-каталогах запасные части и детали не предлагаются к продаже, а носят исключительно информационный характер
Дополнительная информация
×
Название:
Номер:
Примечание: