Вернуться на главную
Поиск
Каталоги запчастей к технике
Сельхозтехника
CASE IH
430 Steiger 4WD
STEPS, QUADTRAC TRACTOR
Каталог запасных частей к технике: CASE IH 430 Steiger 4WD. STEPS, QUADTRAC TRACTOR
zoom-in
zoom-out
enlarge
shrink
circle-right
circle-left
file-text2
info
cart
Тип техники
Не выбрано
Легковые автомобили
Грузовые автомобили и прицепы
Автобусы
Сельхозтехника
Спецтехника
Двигатели
Мототехника
Марка
Не выбрано
AGCO
Amity
CASE IH
DongFeng
Fortschritt
Foton
Franz Kleine
Gaspardo
Great Plains
KRONE
KUHN
Lemken
Lovol
MacDon
Massey Ferguson
New Holland
TIGARBO
Vaderstad
Versatile
Wirax
Агро
Агротехмаш
Бобруйскагромаш (ОАО «УКХ «Бобруйскагромаш»)
БЭМЗ
ВгТЗ
Воронежсельмаш
ВТЗ
Гомсельмаш
ДКЗ
ЗАО "Техника-сервис"
ЗиД
КЗК
Кировец-Ландтехник
Клевер
Красная Звезда
Лидагропроммаш
Лидсельмаш
ЛТЗ
Машстройхолдинг
Минитракторы
Мордовагромаш
МТЗ
Навигатор-Новое машиностроение
Нефтекамский автозавод
ПТЗ
Ремком
РСМ
Сибсельмаш
ТеКЗ
ТКЗ
ХЗТСШ
ХТЗ
ЮМЗ
Модель
Не выбрано
430 Steiger 4WD (2010)
Axial Flow 2388 (2010)
MRX-690 (2012)
MX-240 Magnum (2007)
MX-255 Magnum (2006)
MX-285 Magnum (2007)
MX-305 Magnum (2007)
Puma-210 (2010)
STX-530 Steiger (2010)
Жатка-2030 (RIGID) (2010)
Жатка-2152 (2010)
Культиватор-Tigermate 2 DMI (2010)
Схема
>
Не выбрано
RADIATOR AND HOSES, STX AND STEIGER 380/430
RADIATOR MOUNTING AND FAN SHROUD, STX AND STEIGER 380/430
AIR INDUCTION SYSTEM, STX AND STEIGER 380/430
AIR CLEANER ASSEMBLY
AIR COOLER MOUNTING, STX AND STEIGER 380/430
BLOCK HEATER
ENGINE MOUNTING AND ATTACHING PARTS, STX AND STEIGER 380/430
EXHAUST SYSTEM - QUADTRAC TRACTOR, STX AND STEIGER 380/430
EXHAUST SYSTEM - WHEEL TRACTOR, STX AND STEIGER 380/430
ENGINE ASSY., STX AND STEIGER 380/430
CYLINDER BLOCK AND RELATED PARTS, STX AND STEIGER 380/430
OIL SUMP AND RELATED PARTS, STX AND STEIGER 380/430
FLYWHEEL CASE, STX AND STEIGER 380/430
ENGINE BLOCK FRONT COVER, STX AND STEIGER 380/430
ENGINE MOUNTING, STX AND STEIGER 380/430
ENGINE BREATHERS, STX AND STEIGER 380/430
CYLINDER BARREL LUBRICATION NOZZLE, STX AND STEIGER 380/430
CYLINDER HEAD AND RELATED PARTS, STX AND STEIGER 380/430
HEAD COVER, STX AND STEIGER 380/430
SHAFT AND ROCKER ARMS, STX AND STEIGER 380/430
EXHAUST MANIFOLD, STX AND STEIGER 380/430
CRANKSHAFT AND RELATED PARTS, STX AND STEIGER 380/430
CONNECTING ROD, STX AND STEIGER 380/430
PISTON - ENGINE, STX AND STEIGER 380/430
FLYWHEEL, STX AND STEIGER 380/430
PULLEY - CRANKSHAFT, STX AND STEIGER 380/430
DAMPER, STX AND STEIGER 380/430
INTERMEDIATE CONTROLS, STX AND STEIGER 380/430
CAMSHAFT, STX AND STEIGER 380/430
AIR LINES, STX AND STEIGER 380/430
TURBOCHARGER MOUINTING, STX AND STEIGER 380/430
TURBOBLOWER PIPES, STX AND STEIGER 380/430
OIL DIPSTICK, STX AND STEIGER 380/430
OIL DIPSTICK, STX AND STEIGER 380/430
PUMP, ENGINE OIL AND RELATED PARTS, STX AND STEIGER 380/430
PUMP, ENGINE OIL AND RELATED PARTS, STX AND STEIGER 380/430
FILTER ENGINE OIL, STX AND STEIGER 380/430
OIL PRESSURE REGULATION VALVE, STX AND STEIGER 380/430
OIL PUMP PIPING, STX AND STEIGER 380/430
HEAT EXCHANGER, STX AND STEIGER 380/430
WATER PUMP AND RELATED PARTS, STX AND STEIGER 380/430
WATER PUMP PIPES, STX AND STEIGER 380/430
PIPING - ENGINE COOLING SYSTEM, STX AND STEIGER 380/430
TEMPERATURE CONTROL (THERMOSTAT), STX AND STEIGER 380/430
BELT PULLEY DRIVE AND COVER, STX AND STEIGER 380/430
STARTER MOTOR, STX AND STEIGER 380/430
INTAKE MANIFOLD, STX AND STEIGER 380/430
ENGINE EXHAUST BRAKE, STX AND STEIGER 380/430
HOOKS - ENGINE, STX AND STEIGER 380/430
ENGINE CONTROL UNIT, STX AND STEIGER 380/430
MOTOR SENSORS, STX AND STEIGER 380/430
MOTOR ELECTRIC INSTALLATION, STX AND STEIGER 380/430
THROTTLE
THROTTLE - DECELARATOR CONTROL, ASN Z6F105037
FUEL LINES, STX AND STEIGER 380/430
INJECTOR AND RELATED PARTS, STX AND STEIGER 380/430
FUEL FILTER AND RELATED PARTS, STX AND STEIGER 380/430
FUEL PUMP AND RELATED PARTS, STX AND STEIGER 380/430
FUEL LINES AND RELATED PARTS, STX AND STEIGER 380/430
CONTROLS - RIGHT HAND ARMREST CONSOLE
CONTROL PANEL - COMPONENTS
RADIO AND SPEAKERS
INSTRUMENT CLUSTER AND ROPS POST CONTROLS
WIPER, WINDSHIELD - MOUNTING
WINDSHIELD WASHER
ALTERNATOR - MOUNTING, STX AND STEIGER 380/430
GROUND SPEED SENSOR
ALARM - BACK-UP
ELECTRONIC - TRANSMISSION, POWER SHIFT
HARNESS - ENGINE, STX AND STEIGER 380/430
HARNESS - MAIN CAB, DELUXE AND LUXURY CABS
HARNESS - CAB ROOF
HARNESS - FRONT FRAME
HARNESS - REAR FRAME, WITH ELECTRONIC REMOTE, WITHOUT THREE POINT HITCH
HARNESS - REAR FRAME, WITH ELECTRONIC REMOTE AND THREE POINT HITCH
HARNESS - FRONT CONSOLE
HARNESS - ADVANCED FARMING SYSTEMS
BATTERIES
ELECTRONIC MODULE ASSEMBLY
LAMPS - REAR FRAME, H.I.D.
LAMPS - REAR FRAME AND FIELD, NORTH AMERICA
LAMPS - REAR FRAME AND FIELD, EUROPE
HEADLAMPS - NORTH AMERICA
HEADLAMPS - EUROPE
LAMPS - MARKER
LAMPS - SIDE MARKER WARNING
LAMP - STROBE
WIRING - TWIN FLOW HYDRAULIC CONTROLS
TWIN FLOW HYDRAULIC CONTROLS
MOUNTING - ADVANCED FARMING SYSTEMS
ACCUGUIDE, GPS - MOUNTING
ACCUGUIDE - AFS 200 PRO MOUNTING AND RELATED PARTS
ACCUGUIDE - AFS 600 PRO MOUNTING AND RELATED PARTS, ASN Z7F105571
SENSOR - HITCH POSITION
HARNESS - ISO IMPLEMENT
STEERING WHEEL AND COLUMN
TRANSMISSION CONTROL ASSEMBLY, WITH MANUAL SHIFT TRANSMISSION
TRANSMISSION CONTROL ASSEMBLY, WITH POWER SHIFT TRANSMISSION
STEERING COLUMN ASSEMBLY
HYDRAULICS - STEERING
CYLINDER ASSEMBLY - ARTICULATION
ARTICULATION LOCKS
STEERING CONTROL VALVE
ACCUGUIDE - HYDRAULIC, STEERING
ACCUGUIDE - CYLINDER ASSY., ARTICULATION W/ SENSOR, ASN Z7F105338
TRANSMISSION SHIFTER AND THROTTLE CONTROL
TRANSMISSION SHIFT CONTROLS, MANUAL SHIFT TRANSMISSION
SHIFTING UNIT ASSEMBLY, WITH MANUAL SHIFT TRANSMISSION
CLUTCH PEDAL, MANUAL SHIFT TRANSMISSION
CLUTCH PEDAL, POWER SHIFT TRANSMISSION
WHEELS SINGLE AND DUALS WITH SPACERS
WHEELS TRIPLES WITH SPACERS
HUB ASSEMBLY MOUNTING
TRACKS, QUADTRAC TRACTOR
YOKE MOUNTING, QUADTRAC TRACTOR
UNDERCARRIAGE - MOUNTING, QUADTRAC TRACTOR
AXLE ASSEMBLY - FRONT IDLER, QUADTRAC TRACTOR
AXLE ASSEMBLY - REAR IDLER, QUADTRAC TRACTOR
AXLE ASSEMBLY - ROLLER SHAFT
DRIVE WHEEL, QUADTRAC TRACTOR
TRACK TENSIONING, QUADTRAC TRACTOR
DRIVE SHAFT - MOUNTING
DRIVE SHAFT
POWER TAKEOFF - CLUTCH LUBRICATION, WITH MANUAL SHIFT TRANSMISSION
POWER TAKEOFF - CLUTCH LUBRICATION, WITH POWER SHIFT TRANSMISSION
VALVE ASSEMBLY - POWER TAKE OFF
POWER TAKEOFF - LUBRICATION
POWER TAKEOFF - DRIVE SHAFT MOUNTING
POWER TAKEOFF - DRIVE SHAFT ASSEMBLIES
POWER TAKEOFF - SAFETY SHIELDS
POWER TAKEOFF - TRANSFER CASE ASSEMBLY
POWER TAKEOFF - CLUTCH ASSEMBLY
POWER TAKEOFF - INPUT SHAFT ASSEMBLY
TRANSMISSION MOUNTING, MANUAL SHIFT TRANSMISSION
TRANSMISSION MOUNTING, POWER SHIFT TRANSMISSION
TRANSMISSION - LUBRICATION, WITH MANUAL SHIFT TRANSMISSION
TRANSMISSION - LUBRICATION, WITH POWER SHIFT TRANSMISSION
MANUAL SHIFT TRANSMISSION - VALVE ASSEMBLY MOUNTING
MANUAL SHIFT TRANSMISSION - COVERS AND YOKES
MANUAL SHIFT TRANSMISSION - REAR HOUSING
MAUAL SHIFT TRANSMISSION - FRONT HOUSING
MANUAL SHIFT TRANSMISSION - SHAFT ASSEMBLIES AND SHIFTER FORKS
MANUAL SHIFT TRANSMISSION - SHIFTER FORKS
MANUAL SHIFT TRANSMISSION - INPUT SHAFT ASSEMBLY
MANUAL SHIFT TRANSMISSION - INPUT SHAFT ASSEMBLY
MANUAL SHIFT TRANSMISSION - SECOND SHAFT ASSEMBLY
MANUAL SHIFT TRANSMISSION - THIRD SHAFT ASSEMBLY
MANUAL SHIFT TRANSMISSION - FOURTH SHAFT ASSEMBLY
MANUAL SHIFT TRANSMISSION - FIFTH SHAFT ASSEMBLY
MANUAL SHIFT TRANSMISSION - CONTROL VALVE ASSEMBLY
MANUAL SHIFT TRANSMISSION - LOCKOUT VALVE ASSEMBLY
MANUAL SHIFT TRANSMISSION - REGULATOR VALVE ASSEMBLY
POWER SHIFT TRANSMISSION - VALVE AND PUMP MOUNTING
POWER SHIFT TRANSMISSION - COVERS AND YOKES
POWER SHIFT TRANSMISSION - REAR HOUSING
POWER SHIFT TRANSMISSION - HOUSING AND CLUTCHES
POWER SHIFT TRANSMISSION - INPUT SHAFT ASSEMBLY
POWER SHIFT TRANSMISSION - INPUT SHAFT ASSEMBLY
POWER SHIFT TRANSMISSION - SECOND SHAFT ASSEMBLY
POWER SHIFT TRANSMISSION - THIRD SHAFT ASSEMBLY
POWER SHIFT TRANSMISSION - FOURTH SHAFT ASSEMBLY
POWER SHIFT TRANSMISSION - FOURTH SHAFT ASSEMBLY
POWER SHIFT TRANSMISSION - FIFTH SHAFT ASSEMBLY
POWER SHIFT TRANSMISSION - FIFTH SHAFT ASSEMBLY
POWER SHIFT TRANSMISSION - REGULATOR VALVE ASSEMBLY
POWER SHIFT TRANSMISSION - RANGE SELECTOR VALVE
AXLE MOUNTING, WHEEL TRACTOR
SERIES AXLE ASSEMBLY - FRONT COVER
SERIES AXLE ASSEMBLY - REAR COVER
SERIES AXLE ASSEMBLY - CENTER AND LEFT-HAND CARRIER
SERIES AXLE ASSEMBLY - DIFFERENTIAL, WITHOUT DIFFERENTIAL LOCKS
SERIES AXLE ASSEMBLY - DIFFERENTIAL, WITH DIFFERENTIAL LOCKS
SERIES AXLE ASSEMBLY - BRAKE AND RIGHT-HAND CARRIER
SERIES AXLE ASSEMBLY - FINAL DRIVE
SERIES AXLE ASSEMBLY - FRONT COVER
SERIES AXLE ASSEMBLY - REAR COVER
SERIES AXLE ASSEMBLY - CENTER AND LEFT-HAND CARRIER, WHEEL TRACTOR
SERIES AXLE ASSEMBLY - CENTER AND LEFT-HAND CARRIER, QUADTRAC TRACTOR
SERIES AXLE ASSEMBLY - DIFFERENTIAL, WITHOUT DIFFERENTIAL LOCKS
SERIES AXLE ASSEMBLY - DIFFERENTIAL, WITH DIFFERENTIAL LOCKS
SERIES AXLE ASSEMBLY - BRAKE AND RIGHT-HAND CARRIER
SERIES AXLE ASSEMBLY - OFFSET BEARING, QUADTRAC TRACTOR
SERIES AXLE ASSEMBLY - FINAL DRIVE, WHEELED TRACTOR
SERIES AXLE ASSEMBLY - FINAL DRIVE, QUADTRAC TRACTOR
AXLE ASSEMBLY - JET PUMP
BRAKE CONTROL
BRAKE VALVE ASSY
SERIES AXLE - SERVICE BRAKE CIRCUIT
SERIES AXLE - PARK BRAKE CIRCUIT, WITH DIFFERENTIAL LOCK
SERIES AXLE - PARK BRAKE CIRCUIT, WITHOUT DIFFERENTIAL LOCK
SERIES AXLE - SERVICE BRAKE CIRCUIT, WHEEL TRACTOR
SERIES AXLE - PARK BRAKE CIRCUIT, WITH DIFFERENTIAL LOCK, WHEEL TRACTOR
SERIES AXLE - PARK BRAKE CIRCUIT, WITHOUT DIFFERENTIAL LOCK, WHEEL TRACTOR
SERIES AXLE - SERVICE BRAKE CIRCUIT, QUADTRAC TRACTOR
SERIES AXLE - PARK BRAKE CIRCUIT, WITH DIFFERENTIAL LOCK, QUADTRAC TRACTOR
SERIES AXLE - PARK BRAKE CIRCUIT, WITHOUT DIFFERENTIAL LOCK, QUADTRAC TRACTOR
VALVE ASSEMBLY - DIFFERENTIAL LOCK
HYDRAULIC OIL COOLER, STX AND STEIGER 380/430
HYDRAULIC OIL COOLER MOUNTING, STX AND STEIGER 380/430
OIL FILTER - AXLE AND TRANSMISSION
OIL FILTER - MAIN HYDRAUIC (BELOW BATTERY)
SERIES AXLE HYDRAULICS - LUBRICATION CIRCUIT
SERIES AXLE HYDRAULICS - AIR AND LUBRICATON CIRCUIT
SERIES AXLE HYDRAULICS - LUBRICATION CIRCUIT, WHEEL TRACTOR
SERIES AXLE HYDRAULICS - AIR AND LUBRICATION CIRCUIT, WHEEL TRACTOR
SERIES AXLE HYDRAULICS - COOLING CIRCUIT, WHEEL TRACTOR
SERIES AXLE HYDRAULICS - LUBRICATION CIRCUIT, QUADTRAC TRACTOR
SERIES AXLE HYDRAULICS - AIR AND LUBRICATION CIRCUIT, QUADTRAC TRACTOR
SERIES AXLE HYDRAULICS - COOLING CIRCUIT, QUADTRAC TRACTOR
REGULATOR VALVE ASSEMBLY
PRIORITY/STEERING CONTROL VALVE
TOW BLOCK VALVE ASSEMBLY
CABLE - TOW VALVE
HYDRAULIC TANK, WHEEL TRACTOR
HYDRAULIC TANK, QUADTRAC TRACTOR
STANDARD HYDRAULICS - PUMP LUBRICATION CIRCUIT, WITH MANUAL SHIFT TRANSMISSION
STANDARD HYDRAULICS - PUMP LUBRICATION CIRCUIT, WITH POWER SHIFT TRANSMISSION
STANDARD HYDRAULICS - PUMP MOUNTING
STANDARD HYDRAULICS - PISTON PUMP ASSEMBLY
HIGH OUTPUT HYDRAULICS - PUMP LUBRICATION CIRCUIT, MANUAL SHIFT TRANSMISSION
HIGH OUTPUT HYDRAULICS - PUMP LUBRICATION CIRCUIT, POWER SHIFT TRANSMISSION
HIGH OUTPUT HYDRAULICS - PUMP MOUNTING
HIGH OUTPUT HYDRAULICS - PISTON PUMP ASSY
GEAR PUMP ASSEMBLY
HYDRAULIC REMOTE HOSES - ELECTRONIC REMOTE
HYDRAULIC REMOTE CONTROL VALVE
MANIFOLD VALVE ASSEMBLY
REMOTE VALVE ASSEMBLY - ELECTRONIC REMOTE
COUPLER VALVE ASSEMBLY
MAIN AND AUXILIARY VALVE ASSEMBLY - ELECTRONIC CONTROLLED
HITCH VALVE ASSEMBLY - ELECTRONIC CONTROLLED
MOTOR RETURN
COUPLERS - POWER BEYOND
COUPLER MOUNTS - WITHOUT POWER TAKEOFF AND THREE POINT HITCH
THREE POINT HITCH HYDRAULICS - ELECTRONIC CONTROLLED HITCH SYSTEM
CYLINDER ASSY - THREE POINT HITCH
HYDRAULICS - TWIN FLOW CIRCUITRY
TWIN FLOW HYDRAULICS - AUXILIARY REMOTE MOUNTING
TWIN FLOW HYDRAULIC MANIFOLD ASSY
TWIN FLOW HYDRAULIC PUMP ASSY
OIL FILTER - TWIN FLOW HYDRAULICS
TRAILER BRAKES - HYDRAULIC
VALVE - HYDRAULIC TRAILER BRAKE
HYDRAULICS - PARALLEL FLOW CIRCUITRY
THREE POINT HITCH
ROCKSHAFT
THREE POINT HITCH - UPPER LINK, WITHOUT POWER TAKEOFF
THREE POINT HITCH - UPPER LINK, WITH POWER TAKEOFF
LINK ASSEMBLY - UPPER
LINK ASSEMBLY - LIFT
QUICK HITCH
DRAWBAR - EXTENDABLE
DRAWBAR - HEAVY DUTY, WITHOUT THREE POINT HITCH
DRAWBAR - HEAVY DUTY, WITH THREE POINT HITCH
DRAWBAR - REYNOLDS
CAB MOUNTING
INTERIOR TRIM - DELUXE AND LUXURY CABS
CAB - FLOORMATS AND DOORS
DOOR ASSEMBLY
CAB - SKIRTS AND GLASS
ROOF
CAB - HEADLINER AND CONTROL PANEL, DELUXE AND LUXURY CAB
CONSOLE - RIGHT-HAND ARMREST, MANUAL
CONSOLE - RIGHT HAND ARMREST, ELECTRIC, BSN Z7F105745
CONSOLE - RIGHT HAND ARMREST, ELECTRIC, ASN Z7F105745
FRONT CONSOLE
MIRRORS
SEAT - NON-INSTRUCTIONAL
SEAT - INSTRUCTIONAL
SEAT - OPERATORS
SEAT - CUSHION ASSEMBLY
SUSPENSION ASSEMBLY - SEAT
POSITIVE RESPONSE SUSPENSION ASSEMBLY - SEAT
FRONT FRAME, WHEEL TRACTOR, STX AND STEIGER 380/430
BATTERY DOOR ASSEMBLY, WHEEL TRACTOR
FRONT FRAME, QUADTRAC TRACTOR, STEIGER 380/430
BATTERY DOOR ASSEMBLY, QUADTRAC TRACTOR
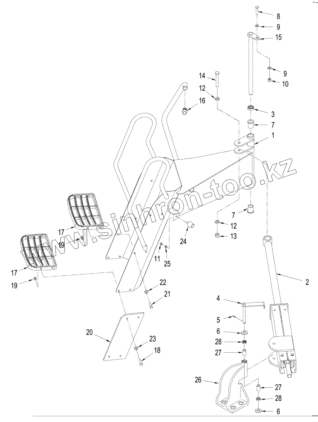
STEPS, QUADTRAC TRACTOR
PUSH ARM ASSEMBLY
BUMPER, STX AND STEIGER 380/430
GRILLE
HOOD AND SUPPORT, STX AND STEIGER 380/430
HOOD - LIFT ARM
CENTER LINK
REAR FRAME, QUADTRAC TRACTOR
REAR FRAME, WHEEL TRACTOR
HEATER - HOSES, STX AND STEIGER 380/430
AIR CONDITIONING SYSTEM, STX AND STEIGER 380/430
AIR CONDITIONING - DUCTS
AIR CONDITIONING - AIR FILTER HOUSING ASSEMBLY
AIR CONDITIONING - BLOWER ASSEMBLY
AIR CONDITIONING - CLIMATE CONTROL UNIT, WITH AUTO TEMP CONTROL
COMPRESSOR, AIRCOND., STX AND STEIGER 380/430
COMPRESSOR, AIRCOND. - COMPONENTS, STX AND STEIGER 380/430
MONITOR MOUNTING
STORAGE BOX
WEIGHTS - FRONT FRAME
WEIGHTS - REAR FRAME
WEIGHTS - WHEEL
TOW CABLE
FIRE EXTINGUISHER
DECALS, HOOD, WHEEL TRACTOR, ASN Z6F105001
DECALS, HOOD, QUADTRAC TRACTOR, ASN Z6F105001
DECALS
DECALS
DECALS
1
2
3
4
5
6
6
7
7
8
9
9
10
11
12
12
13
14
15
16
17
17
18
19
19
20
21
22
23
24
25
26
27
27
28
28
Позиция на иллюстрации
Заводской номер детали
Название детали
336017A1
336017A1
STEP
1
430792A1
STEP
2
NSS
NOT SERVICED SEPARATELY
3
D22200
BEARING
4
337099A4
PIN
5
733-3232
COTTER PIN
6
896-16018
WASHER
7
308473A2
BUSHING
8
828-12055
BOLT
9
896-11012
WASHER
10
832-10412
NUT
11
425-105
NUT
12
892-11016
WASHER
13
832-10416
NUT
14
827-16100
BOLT
15
382840A2
PIN
16
363226A1
BUMPER
17
87301185
STEP
18
827-10045
BOLT
19
832-10410
NUT
20
376530A1
SUPPORT
21
627-10035
BOLT
22
895-11010
WASHER
23
896-15010
WASHER
24
N7673
EMBLEM
25
895-11008
WASHER
26
87304082
CLEVIS COUPLING
27
336842A1
WIPER
28
336843A1
BUSHING
Содержащиеся в справочниках-каталогах запасные части и детали не предлагаются к продаже, а носят исключительно информационный характер
Дополнительная информация
×
Название:
Номер:
Примечание: