Каталог запасных частей к технике: Бобруйскагромаш (ОАО «УКХ «Бобруйскагромаш») ПРТ-10. Рычаг регулировочный
1
2
3
4
5
6
7
8
9
10
11
12
13
13
14
15
16
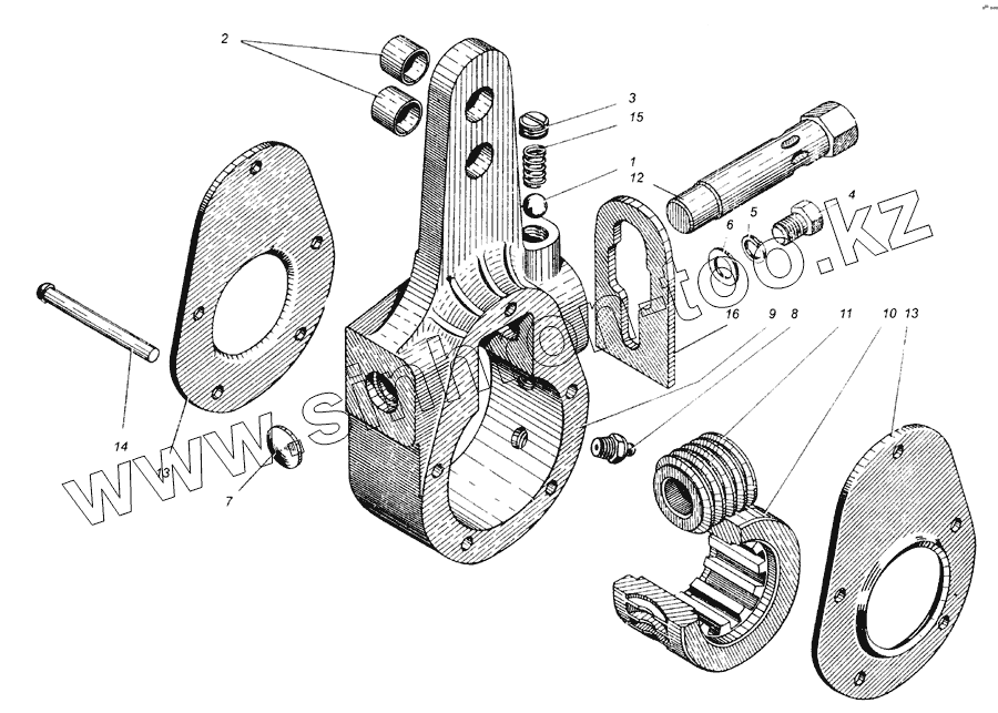
| Позиция на иллюстрации | Заводской номер детали | Название детали | |
|---|---|---|---|
| 1 | 200-1701168 | Шарик фиксатора | |
| 2 | 200-350.1139-Б | Втулка | |
| 3 | 200-350.1148-10 | Пробка фиксатора | |
| 4 | 201454-П29 | Болт | |
| 5 | 252005-П29 | Шайба 8 | |
| 6 | 252135-П2 | Шайба | |
| 7 | 260305-П29 | Заглушка | |
| 8 | 264020-П8 | Масленка | |
| 9 | 500-350.1138-10 | Корпус рычага | |
| 10 | 500-350.1140 | Шестерня рычага | |
| 11 | 500-350.1141 | Червяк рычага | |
| 12 | 500-350.1142-10 | Ось червяка | |
| 13 | 500-350.1143 | Крышка корпуса | |
| 14 | 500-350.1146 | Заклепка | |
| 15 | 500А-350.1153 | Пружина фиксатора | |
| 16 | 500-350.1154-10 | Пластина стопорная |
Содержащиеся в справочниках-каталогах запасные части и детали не предлагаются к продаже, а носят исключительно информационный характер