Каталог запасных частей к технике: Бобруйскагромаш (ОАО «УКХ «Бобруйскагромаш») ПРФ-110, ПРФ-145. Привод
1
2
3
4
5
6
7
8
8
9
10
10
11
11
12
13
14
15
16
17
18
19
20
21
22
23
24
24
25
26
27
28
29
30
31
31
32
33
34
35
35
36
37
38
39
40
41
41
42
42
42
42
43
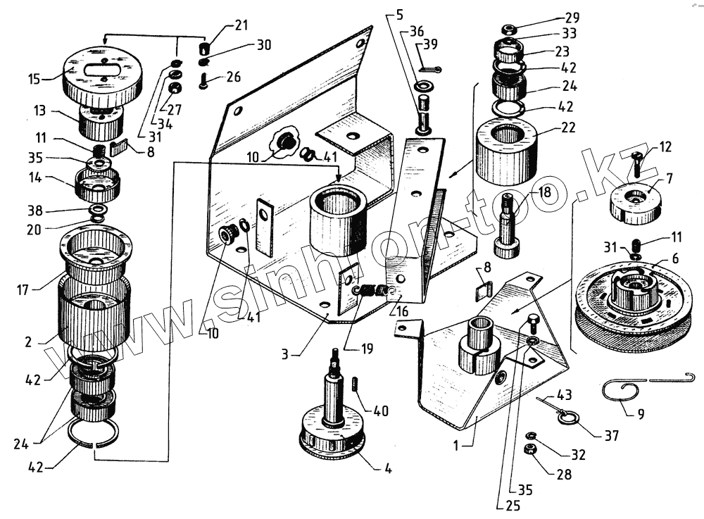
| Позиция на иллюстрации | Заводской номер детали | Название детали | |
|---|---|---|---|
| ПР13.030 | ПР13.030 | Привод | |
| 1 | ПР08.080А | Корпус возвратного механизма | |
| 2 | ПР13.060 | Ролик | |
| 3 | ПР13.040 | Кронштейн привода | |
| 4 | ПР13.00.290 | Ось привода | |
| 5 | МЖТ-10.00.00.616-06 | Ось | |
| 6 | ПР08.003А | Шкив малый | |
| 7 | ПР08.411 | Колпачок | |
| 8 | ПР08.415А | Язычок | |
| 9 | ПР08.501 | Пружина спиральная | |
| 10 | ПР08.609А | Глазок шпагата | |
| 11 | ПР08.614А | Пружина | |
| 12 | ПР08.615А | Спец. болт | |
| 13 | ПР13.002 | Каретка | |
| 14 | ПР13.405 | Колпачек | |
| 15 | ПР13.406 | Крышка | |
| 16 | ПР13.415 | Скоба | |
| 17 | ПР13.447 | Стакан | |
| 18 | ПР13.604 | Ось | |
| 19 | ПР13.633 | Пружина | |
| 20 | ПР13.636 | Кольцо | |
| 21 | ПР13.00.638 | Втулка | |
| 22 | ПР13.804 | Прижим | |
| 23 | ПРТ10.02.324-01 | Втулка | |
| 24 | 180204 | Подшипник | |
| 25 | М8х25 | Болт | |
| 26 | М5х20 | Винт | |
| 27 | М6 | Гайка | |
| 28 | М8 | Гайка | |
| 29 | М10 | Гайка | |
| 30 | 5.65Г | Шайба | |
| 31 | 6.65Г | Шайба | |
| 32 | 8.65Г | Шайба | |
| 33 | 10.65Г | Шайба | |
| 34 | Шайба6 | Шайба | |
| 35 | Шайба8 | Шайба | |
| 36 | Шайба12 | Шайба | |
| 37 | Шайба20 | Шайба | |
| 38 | Шайба24 | Шайба | |
| 39 | 3,2х25 | Шплинт | |
| 40 | 2-6х6х8 | Шпонка | |
| 41 | А20 | Кольцо | |
| 42 | А47 | Кольцо | |
| 43 | ПЭТ8 | Канат |
Содержащиеся в справочниках-каталогах запасные части и детали не предлагаются к продаже, а носят исключительно информационный характер