Каталог запасных частей к технике: Бобруйскагромаш (ОАО «УКХ «Бобруйскагромаш») МЖТ-6. Установка вакуумная
1
2
3
4
5
6
7
8
9
10
11
12
13
14
15
16
17
18
19
20
21
22
23
24
25
26
27
28
29
30
30
31
32
32
33
33
34
35
36
37
38
39
40
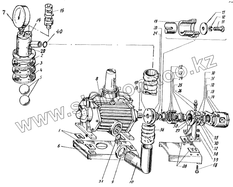
| Позиция на иллюстрации | Заводской номер детали | Название детали | |
|---|---|---|---|
| 1 | МЖТ-16.24.00.502 | Прокладка | |
| 2 | МЖТ-10.00.00.004 | Прокладка | |
| 3 | МЖТ-10.00.00.413 | Прокладка | |
| 4 | РЖТ 08.002 | Прокладка | |
| 5 | РЖТ 08.050 | Шар | |
| 6 | МЖТ-6.12.01.000 | Рама | |
| 7 | МВП-3.У ГОСТ 2405-88 | Мановакуумметр | |
| 8 | УВА12.000 | Насос вакуумный | |
| 9 | МЖТ-16.00.00.605 | Контргайка | |
| 10 | МЖТ-10.108.00.000 | Колено | |
| 11 | М8х30 ГОСТ 7796-70 | Болт | |
| 12 | 8 ГОСТ 6402-70 | Шайба | |
| 13 | УВА 01.401 | Шайба | |
| 14 | РЖТ-16.00.00.001 | Прокладка | |
| 15 | РЖТ-84.00.000 | Клапан предохранительный вакуумный | |
| 16 | МЖТ-16.24.00.308 | Крышка | |
| 17 | 8х7х32 ГОСТ 23380-78 | Шпонка | |
| 18 | 12х45 ГОСТ 7796-70 | Болт | |
| 19 | МЖТ-16.24.00.603 | Полумуфта | |
| 20 | 1.2-45х65-3 ГОСТ 8752-79 | Манжета | |
| 21 | МЖТ-16.24.00.003 | Прокладка | |
| 22 | МЖТ-16.24.00.602 | Муфта | |
| 23 | А-54.65Г ГОСТ 3940-86 | Кольцо | |
| 24 | МЖТ-16.24.00.601 | Полумуфта | |
| 25 | 013-016-19 ГОСТ 18829-73 | Кольцо | |
| 26 | РУ 03.01.000 | Сапун | |
| 27 | МЖТ-16.24.04.000 | Опора | |
| 28 | МЖТ-16.24.00.501 | Прокладка | |
| 29 | МЖТ-Ф-11.50.00.000-01 | Влагоотделитель | |
| 30 | М10х35 ГОСТ 7796-70 | Болт | |
| 31 | А-25.65Г ГОСТ 13940-86 | Кольцо | |
| 32 | 10 ГОСТ 6402-70 | Шайба | |
| 33 | М10 ГОСТ 5915-70 | Гайка | |
| 34 | ГМШ-32-3-Л | Гидромотор | |
| 35 | МЖТ-16.24.00.002 | Прокладка | |
| 36 | МЖТ-10.00.00.015 | Трубопровод | |
| 37 | 048-054-36 ГОСТ 18829-73 | Кольцо | |
| 38 | М12 ГОСТ 5915-70 | Гайка | |
| 39 | 12 ГОСТ 6402-70 | Шайба | |
| 40 | 053-063-58 ГОСТ 18829-73 | Кольцо |
Содержащиеся в справочниках-каталогах запасные части и детали не предлагаются к продаже, а носят исключительно информационный характер