Каталог запасных частей к технике: Бобруйскагромаш (ОАО «УКХ «Бобруйскагромаш») МЖТ-11. Масленка УВА12.100
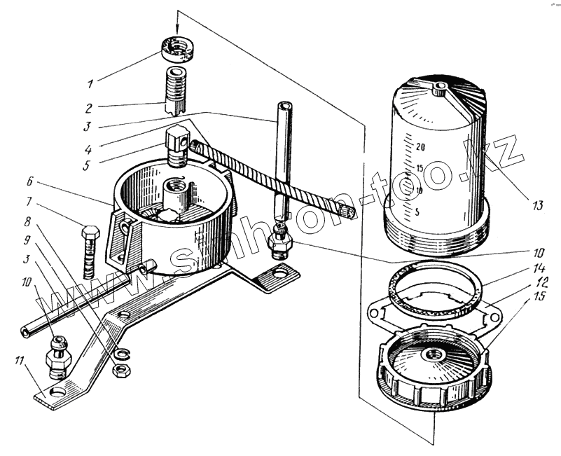
1
2
3
3
4
5
6
7
8
9
10
10
11
12
13
14
15
| Позиция на иллюстрации | Заводской номер детали | Название детали | |
|---|---|---|---|
| 1 | УВА 12.602 | Гайка | |
| 2 | УВА 12.801 | Трубка | |
| 3 | УВА 12.005 | Шланг | |
| 4 | УВА 01.040 | Фитиль | |
| 5 | УВА 12.011 | Гайка | |
| 6 | УВА 12.013 | Чашка | |
| 7 | МЖТ-Ф-11.27.01.000 | Болт | |
| 8 | 6 ГОСТ 6402-70 | Шайба | |
| 9 | М6 ГОСТ 5915-70 | Гайка | |
| 10 | УВА 12.603 | Штуцер | |
| 11 | УВА 12.413 | Кронштейн | |
| 12 | МЖТ-Ф-11.27.00.401 | Фланец | |
| 13 | УВА 12.001 | Стакан | |
| 14 | УВА 12.008 | Прокладка | |
| 15 | УВА 12.002 | Крышка |
Содержащиеся в справочниках-каталогах запасные части и детали не предлагаются к продаже, а носят исключительно информационный характер