Каталог запасных частей к технике: Бобруйскагромаш (ОАО «УКХ «Бобруйскагромаш») МЖТ-10. Тормоза
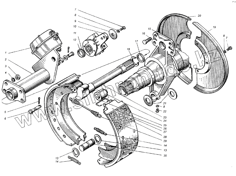
1
2
3
4
5
6
7
7
8
8
8
9
10
11
12
13
13
14
14
15
16
17
18
19
20
21
22
23
24
25
26
27
28
29
30
| Позиция на иллюстрации | Заводской номер детали | Название детали | |
|---|---|---|---|
| 1 | 500-3519110-02 | Камера тормозная | |
| 2 | Н129.00.050 | Кронштейн | |
| 3 | М14.5915 | Гайка | |
| 4 | 14.6402 | Шайба | |
| 5 | 3,2x20.297 | Шплинт | |
| 6 | Н 129.00.617 | Палец | |
| 7 | М10х20.7796 | Болт | |
| 8 | 10.6402 | Шайба | |
| 9 | Н 129.00.421 | Шайба | |
| 10 | 500-3501136-01 | Рычаг | |
| 11 | Н 129.00.419 | Прокладка | |
| 12 | Н 129.00.419-01 | Прокладка | |
| 13 | Б-32.13940 | Кольцо | |
| 14 | Н 129.00.616 | Пружина | |
| 15 | ПРТ 10.03.050 | Цапфа балансира | |
| 16 | М14х45.7796 | Болт | |
| 17 | 038-046-46.9833 | Кольцо | |
| 18 | Н 129.00.803 | Втулка распорная | |
| 19 | Н 129.00.418 | Щит | |
| 20 | Н 129.00.418-01 | Щит | |
| 21 | Н 129.00.421-01 | Шайба | |
| 22 | Н 129.00.615 | Болт стопорный | |
| 23 | 771Б-3502111 | Кулак правого тормоза разжимной | |
| 24 | Н 129.00.602 | Ролик | |
| 25 | Н 129.00.603 | Стопор | |
| 26 | Н 129.00.040 | Колодка | |
| 27 | Н 129.00.001 | Накладка | |
| 28 | 2-6х10-620.12643 | Заклепка | |
| 29 | Н 129.00.110 | Пружина | |
| 30 | Н 129.00.618 | Ось колодки |
Содержащиеся в справочниках-каталогах запасные части и детали не предлагаются к продаже, а носят исключительно информационный характер