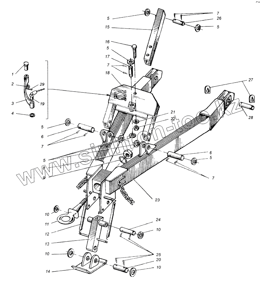
Каталог запасных частей к технике: Бобруйскагромаш (ОАО «УКХ «Бобруйскагромаш») МЖТ-10. Дышло в сборе
1
2
3
4
5
5
5
5
5
5
6
6
7
7
7
7
8
9
10
10
10
10
11
12
13
14
15
16
17
18
19
20
21
22
23
24
25
26
27
28
29
| Позиция на иллюстрации | Заводской номер детали | Название детали | |
|---|---|---|---|
| 1 | 6-16x60.9650 | Ось | |
| 2 | 16.11371 | Шайба | |
| 3 | КОД 00.415 | Хомут | |
| 4 | КОД 27.604 | Кольцо | |
| 5 | 30.11371 | Шайба | |
| 6 | МЖТ 10.00.00.601 | Ось | |
| 7 | 5x63.397 | Шплинт | |
| 8 | 375.112.П2 | Гайка 60X3 | |
| 9 | РЖТ 40.15.402 | Шайба стопорная | |
| 10 | 24.11371 | Шайба | |
| 11 | 771-2707042 | Петля сцепная | |
| 12 | МЖТ 10.00.00.602 | Пружина | |
| 13 | МЖТ 10.05.00.000 | Опора | |
| 14 | МЖТ 10 06.00.000 | Пята | |
| 15 | МЖТ 10.04.00.000 | Стойка | |
| 16 | МЖТ 10.00.00.604 | Болт | |
| 17 | МЖТ 10.00.00.601-04 | Ось | |
| 18 | МЖТ 10.03.00.00 | Упор | |
| 19 | КОД 27.000 | Палец с цепочкой | |
| 20 | МЖТ 10.00.00.601-05 | Ось | |
| 21 | 20.11371 | Шайба | |
| 22 | М20х1,5.5915 | Гайка | |
| 23 | МЖТ 10.02.00.000 | Дышло | |
| 24 | МЖТ 10.00.00.601-03 | Ось | |
| 25 | 5x50.397 | Шплинт | |
| 26 | МЖТ 10.00.00.601-01 | Ось | |
| 27 | МЖТ 10.00.00.404 | Шайба | |
| 28 | 3-36x130.9650 | Ось | |
| 29 | 4x28.397 | Шплинт |
Содержащиеся в справочниках-каталогах запасные части и детали не предлагаются к продаже, а носят исключительно информационный характер