Каталог запасных частей к технике: Бобруйскагромаш (ОАО «УКХ «Бобруйскагромаш») МТТ-4У. Перечень подшипников и манжет
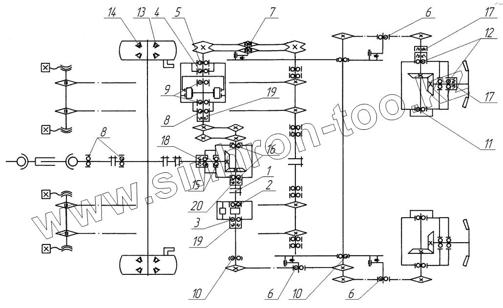
1
2
3
4
5
6
6
6
7
8
8
9
10
10
11
12
13
14
15
16
17
17
18
19
19
20
| Позиция на иллюстрации | Заводской номер детали | Название детали | |
|---|---|---|---|
| 1 | Ш35 ГОСТ 3635-75 | Подшипник | |
| 2 | 207 ГОСТ 8338-75 | Подшипник | |
| 3 | 209 ГОСТ 8338-75 | Подшипник | |
| 4 | 312А ГОСТ 8338-75 | Подшипник | |
| 5 | 53612 ГОСТ 24696-81 | Подшипник | |
| 6 | 180502 ГОСТ 8882-75 | Подшипник | |
| 7 | 180204 ГОСТ 8882-75 | Подшипник | |
| 8 | 80209 ГОСТ 7242-81 | Подшипник | |
| 9 | 80211 ГОСТ 7242-81 | Подшипник | |
| 10 | 1580209К1С17 ТУ37.006.162-89 | Подшипник | |
| 11 | 7506Н ТУ37.006.162-89 | Подшипник | |
| 12 | 7509Н ТУ37.006.162-89 | Подшипник | |
| 13 | 7515А ТУ37.006.162-89 | Подшипник | |
| 14 | 7516А ТУ37.006.162-89 | Подшипник | |
| 15 | 7512 ГОСТ 333-59 | Подшипник | |
| 16 | 7609 ГОСТ 333-59 | Подшипник | |
| 17 | 1.1-38х58-3 ГОСТ 8752-79 | Манжета | |
| 18 | -38 ГОСТ 8752-79 | Манжета | |
| 19 | 1.1-50х70-3 ГОСТ 8752-79 | Манжета | |
| 20 | -55 ГОСТ 8752-79 | Манжета |
Содержащиеся в справочниках-каталогах запасные части и детали не предлагаются к продаже, а носят исключительно информационный характер