Каталог запасных частей к технике: Amity Wic Harvester 8 row 22s. Центральный привод с автономной гидросистемой
1
1
2
3
4
5
6
7
8
9
9
9
10
10
11
11
12
12
13
13
14
15
16
17
18
19
20
21
21
21
22
23
23
24
25
26
27
28
28
29
29
30
30
30
30
31
31
32
33
34
35
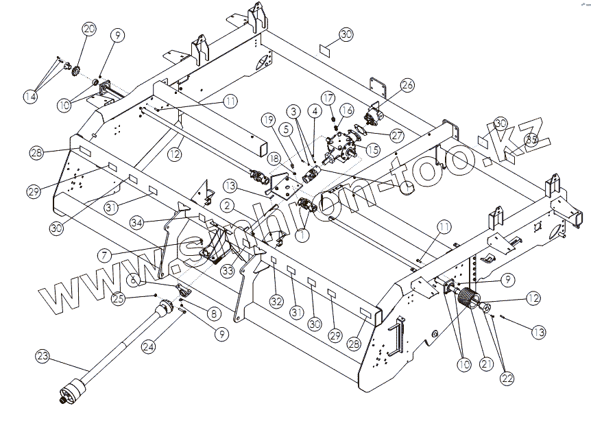
| Позиция на иллюстрации | Заводской номер детали | Название детали | |
|---|---|---|---|
| 1 | 53642 | Карданное соединение | |
| 2 | 56775 | Вал | |
| 3 | 1013519 | NUT-JAM: .38 NC GR2 ZP | |
| 4 | 1030708 | SCREW-SET: C-P .38 X .75 NC GR8 | |
| 5 | 1030709 | SCREW-SET: C-P .38 X 1.00 NC GR8 | |
| 6 | 52405 | BEARING-PILLOW 1-3/4 | |
| 7 | 1017708 | BOLT-HEX: .50 X 2.25 NC GR5 ZP | |
| 8 | 1014443 | WASHER-FLAT: .50 ZP | |
| 9 | 1027461 | NUT-TOPLOCK: .50 NC GR5 ZP | |
| 10 | 52404 | BEARING-FLANGE 1.75 | |
| 11 | 1011608 | BOLT-HEX: .50 X 1.75 NC GR5 ZP | |
| 12 | 56759 | SHAFT - DRIVE 8R | |
| 13 | 50152 | KEY .38 X .38 X 2.00 | |
| 14 | 53641 | Переходная коническая втулка | |
| 15 | 62396 | Редуктор | |
| 16 | 69128 | Сапун 1 | |
| 17 | 55730 | Сапун 2 | |
| 18 | 1011813 | WASHER-LOCK: .63 ZP | |
| 19 | 1032509 | BOLT-HEX: .63 X 1.25 NC GR5 ZP | |
| 20 | 62034 | Звездочка | |
| 21 | 57681 | SHEAVE 8B68Q | |
| 21 | 57679 | SHEAVE 8B56Q | |
| 21 | 57680 | SHEAVE 8B62Q | |
| 22 | 55123 | HUB Q2 175 | |
| 23 | 51481 | Карданный вал от BOM | |
| 23 | 51480 | Карданный вал от BOM | |
| 24 | 1030704 | Болт | |
| 25 | 1016595 | NUT-TOPLOCK: .63 NC GR5 ZP | |
| 26 | 62153 | PUMP - HYDRAULIC 53 | |
| 27 | 63702 | Кольцо пластина | |
| 28 | 64617 | DECAL-DANGER | |
| 29 | 52334 | DECAL-WARNING | |
| 30 | 52338 | DECAL DANGER | |
| 31 | 52329 | DECAL-DANGER | |
| 32 | 64616 | DECAL - ENGAGE PTO | |
| 33 | 62964 | DECAL-WARNING | |
| 34 | 53747 | DECAL - DANGER | |
| 35 | 59614 | DECAL - CAUTION |
Содержащиеся в справочниках-каталогах запасные части и детали не предлагаются к продаже, а носят исключительно информационный характер