Каталог запасных частей к технике: Amity Wic Harvester 8 row 22s. Привод заднего очистителя
1
2
3
4
5
6
6
6
6
7
8
9
10
11
12
13
14
15
16
17
18
18
19
20
21
22
23
24
25
25
26
26
27
28
29
30
31
32
33
34
34
35
36
36
37
38
39
40
41
42
43
44
45
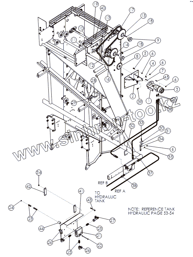
| Позиция на иллюстрации | Заводской номер детали | Название детали | |
|---|---|---|---|
| 1 | 58102 | WLDMT - MOTOR BRACKET | |
| 2 | 62103 | Коробка под редуктор | |
| 3 | 58987 | MOTOR - HYDRAULIC 206INA3/REV | |
| 4 | 1014443 | WASHER-FLAT: .50 ZP | |
| 5 | 1011606 | BOLT-HEX: .50 X 1.25 NC GR5 ZP | |
| 6 | 1027461 | NUT-TOPLOCK: .50 NC GR5 ZP | |
| 7 | 1011608 | BOLT-HEX: .50 X 1.75 NC GR5 ZP | |
| 8 | 62125 | SPROCKET - 8019X 125 BORE 313 KEY | |
| 9 | 50335 | Переходная коническая втулка | |
| 10 | 63876 | Шпилька | |
| 11 | 1011577 | NUT-HEX | |
| 12 | 56334 | Натяжная звездочка | |
| 13 | 58086 | Втулка | |
| 14 | 59051 | SPROCKET H80 - Q30 | |
| 15 | 59052 | SPROCKET H80 - Q32 | |
| 16 | 1012059 | BOLT-HEX: .75 X 3.00 NC GR5 ZP | |
| 17 | 68784 | CHAIN - ROLLER 80 - 1R - 114 | |
| 18 | 50152 | KEY .38 X .38 X 2.00 | |
| 19 | 1011620 | NUT-HEX: .75 NC GR2 ZP | |
| 20 | 59043 | FTG - ADAPTER: 10MB - 12MJ | |
| 21 | 58985 | VALVE - FLOW CONTROL - 3/4 FP | |
| 22 | 1030766 | ZERK-GREASE: .13 NPT | |
| 23 | 1020416 | WASHER-FLAT: .25 ZP | |
| 24 | 1030946 | NUT-TOPLOCK | |
| 25 | 59042 | FTG - ADAPTER: 12MP - 12MJ | |
| 26 | 59041 | FTG-ELBOW: 12MJ-12FJX-90 | |
| 27 | 59888 | FTG - TEE: 12MJ - 12FJX - 12MJ | |
| 28 | 59184 | BRACKET - HOSE ZP | |
| 29 | 65658 | U-BOLT .50 X 3 X 2.06 X 3 | |
| 30 | 63753 | CLAMP 75 ZP | |
| 31 | 59182 | BRACKET - HOSE ZP | |
| 32 | 54653 | Стремянка | |
| 33 | 59390 | BOLT-HEX: .38 X 2.25 NC G5 ZP | |
| 34 | 1016999 | NUT-TOPLOCK: .38 NC GR5 ZP | |
| 35 | 1011584 | WASHER-FLAT | |
| 36 | 59895 | HOSE: 75 X 173 12FJX - 12FJX | |
| 36 | 59036 | HOSE: 75 X 152 12FJX - 12FJX | |
| 37 | 59801 | HOSE: 75 X 74 12FJX - 12FJX | |
| 38 | 59035 | HOSE: 75 X 66 12FJX - 12FJX | |
| 39 | 1011607 | BOLT-HEX | |
| 40 | 1012061 | WASHER-LOCK: .75 ZP | |
| 41 | 69020 | WLDMT - BRACKET FLOW CONTROL | |
| 42 | 59881 | BRACKET - BOLT PLATE | |
| 43 | 58176 | Болт | |
| 44 | 59463 | SPACER | |
| 45 | 58396 | Шпонка |
Содержащиеся в справочниках-каталогах запасные части и детали не предлагаются к продаже, а носят исключительно информационный характер