Вернуться на главную
Поиск
Каталоги запчастей к технике
Сельхозтехника
Amity
Wic Harvester 8 row 22s
Гидрораспределитель копира-водителя
Каталог запасных частей к технике: Amity Wic Harvester 8 row 22s. Гидрораспределитель копира-водителя
zoom-in
zoom-out
enlarge
shrink
circle-right
circle-left
file-text2
info
cart
Тип техники
Не выбрано
Легковые автомобили
Грузовые автомобили и прицепы
Автобусы
Сельхозтехника
Спецтехника
Двигатели
Мототехника
Марка
Не выбрано
AGCO
Amity
CASE IH
DongFeng
Fortschritt
Foton
Franz Kleine
Gaspardo
Great Plains
KRONE
KUHN
Lemken
Lovol
MacDon
Massey Ferguson
New Holland
TIGARBO
Vaderstad
Versatile
Wirax
Агро
Агротехмаш
Бобруйскагромаш (ОАО «УКХ «Бобруйскагромаш»)
БЭМЗ
ВгТЗ
Воронежсельмаш
ВТЗ
Гомсельмаш
ДКЗ
ЗАО "Техника-сервис"
ЗиД
КЗК
Кировец-Ландтехник
Клевер
Красная Звезда
Лидагропроммаш
Лидсельмаш
ЛТЗ
Машстройхолдинг
Минитракторы
Мордовагромаш
МТЗ
Навигатор-Новое машиностроение
Нефтекамский автозавод
ПТЗ
Ремком
РСМ
Сибсельмаш
ТеКЗ
ТКЗ
ХЗТСШ
ХТЗ
ЮМЗ
Модель
Не выбрано
Air Double Disc Drill (2009)
Amity-2004 WIC 6 row (2004)
Amity-2007 WIC 6 row (2007)
Amity-2009 WIC 9 row (2009)
Amity-2011 WIC 12 row (2011)
Amity-2011 WIC 6 row (2011)
Amity-2011 WIC 8-6 row (2011)
Amity-2800 (3350) (2012)
Amity-5015/6015 (2012)
Amity-5250 (2012)
Single Disc Drill (2012)
Wic Harvester 12 row 22s (2011)
Wic Harvester 12 row 24s (2011)
Wic Harvester 6 row 22s (2011)
Wic Harvester 6 row 22w (2011)
Wic Harvester 6 row 24s (2011)
Wic Harvester 6 row 30s (2011)
Wic Harvester 6 row 30w (2011)
Wic Harvester 8 row 22s (2011)
Схема
>
Не выбрано
Сцепка
Копач
Копач
Определитель ряда
Защитные щитки и кожухи
Дверь в сборе
Продольный транспортер-очиститель
Продольный транспортер-очиститель
Биттерный вал
Пластиковая насадка
Вальцы шнекового очистителя
База очистных валов
Центральный привод
Центральный привод с автономной гидросистемой
Привод вальцов шнекового очистителя
Привод биттерного вала
Накопительный бункер
Элеватор, стрела, привод выгрузки
Стрела
Задний транспортер очиститель
Ременная цепь заднего очистителя
Ременная цепь заднего очистителя
Ременная цепь заднего очистителя
Ременная цепь заднего очистителя
Ременная цепь заднего очистителя
Ременная цепь
Привод заднего очистителя
Привод заднего очистителя
Привод заднего очистителя
Задняя стойка
Задняя стойка
Управляемые задние стойки
Гидросистема копира-водителя и сцепки
VALVE GROUP, DUAL MOTOR SCRUB
Гидравлика накопительного бункера
Гидравлический бак
Осветительные приборы
Карданный вал к ВОМ
Карданный вал к ВОМ
Компоненты карданных валов
Коробка передач
Коробка передач
Коробка передач
Коробка передач
Гидромотор
Гидромотор
Гидронасос
Гидроцилиндр
Гидроцилиндр
Гидроцилиндр
Гидроцилиндр
Регулятор
Селекторный клапан
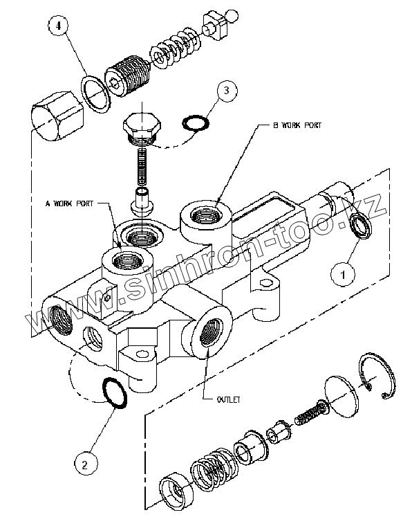
Гидрораспределитель копира-водителя
Звездочка
Ременной натяжитель
Предохранительная фрикционная муфта
Предохранительная фрикционная муфта
Предохранительная фрикционная муфта
Предохранительная фрикционная муфта
Холостой шкив
Паразитка
Ролики
Сборка карданных валов-приводов
Соединение звеньев ременной цепи
Ремкоплект ременной цепи
Ножницы для ремонта ременной цепи
REVERSE №4 CLEANING ROLL №62111 (OPTIONAL)
HARVESTER STAND №63397 (OPTIONAL)
1
2
3
4
Позиция на иллюстрации
Заводской номер детали
Название детали
62757
62757
Ремкомплект распределителя копира
1
U-CUP
U-CUP
2
O-RING
O-RING
3
O-RING
O-RING
4
WASHER
BACKUP WASHER - END CAP
Содержащиеся в справочниках-каталогах запасные части и детали не предлагаются к продаже, а носят исключительно информационный характер
Дополнительная информация
×
Название:
Номер:
Примечание: