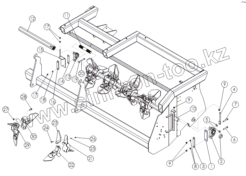
Каталог запасных частей к технике: Amity Wic Harvester 8 row 22s. Биттерный вал
1
2
3
4
5
6
7
8
9
9
9
10
11
12
13
14
15
16
17
17
18
19
20
21
22
23
24
25
26
27
28
29
30
| Позиция на иллюстрации | Заводской номер детали | Название детали | |
|---|---|---|---|
| 1 | 57996 | Пластина | |
| 2 | 57997 | Подшипник в сборе | |
| 3 | 57998 | Пластина | |
| 4 | 51365 | Натяжная шпилька | |
| 5 | 1013024 | WASHER-FLAT: .63 ZP | |
| 6 | 1014000 | BOLT-HEX .63 X 3.50 NC GR5 ZP | |
| 7 | 1016726 | Болт | |
| 8 | 1011813 | WASHER-LOCK: .63 ZP | |
| 9 | 1011578 | NUT-HEX: .63 NC GR2 ZP | |
| 10 | 58027 | WLDMT - PADDLE SHAFT LH | |
| 11 | 57196 | SHAFT - SPLINED 8R | |
| 12 | 58028 | WLDMT - PADDLE SHAFT RH | |
| 13 | 52405 | BEARING-PILLOW 1-3/4 | |
| 14 | 50564 | PLATE | |
| 15 | 56737 | WLDMT - ROD ZP | |
| 16 | 50305 | SPACER - BEARING | |
| 17 | 1011577 | NUT-HEX | |
| 18 | 1011581 | WASHER-LOCK | |
| 19 | 1014443 | WASHER-FLAT: .50 ZP | |
| 20 | 1011612 | BOLT-HEX: .50 X 3.50 NC GR5 ZP | |
| 21 | 50719 | Кронштейн двойной левый | |
| 22 | 50720 | Кронштейн одинарный левый | |
| 23 | 51562 | Лопасть | |
| 24 | 1030779 | Болт | |
| 25 | 1011586 | WASHER-LOCK: .38 ZP | |
| 26 | 1011576 | NUT-HEX: .38 NC GR2 ZP | |
| 27 | 1016595 | NUT-TOPLOCK: .63 NC GR5 ZP | |
| 28 | 1014349 | BOLT-HEX: .63 x 1.50 ND GR5 ZP | |
| 29 | 50722 | Кронштейн двойной правый | |
| 30 | 50721 | Кронштейн одинарный правый |
Содержащиеся в справочниках-каталогах запасные части и детали не предлагаются к продаже, а носят исключительно информационный характер