Вернуться на главную
Поиск
Каталоги запчастей к технике
Сельхозтехника
Amity
Wic Harvester 6 row 24s
ROW FINDER VALVE №62350
Каталог запасных частей к технике: Amity Wic Harvester 6 row 24s. ROW FINDER VALVE №62350
zoom-in
zoom-out
enlarge
shrink
circle-right
circle-left
file-text2
info
cart
Тип техники
Не выбрано
Легковые автомобили
Грузовые автомобили и прицепы
Автобусы
Сельхозтехника
Спецтехника
Двигатели
Мототехника
Марка
Не выбрано
AGCO
Amity
CASE IH
DongFeng
Fortschritt
Foton
Franz Kleine
Gaspardo
Great Plains
KRONE
KUHN
Lemken
Lovol
MacDon
Massey Ferguson
New Holland
TIGARBO
Vaderstad
Versatile
Wirax
Агро
Агротехмаш
Бобруйскагромаш (ОАО «УКХ «Бобруйскагромаш»)
БЭМЗ
ВгТЗ
Воронежсельмаш
ВТЗ
Гомсельмаш
ДКЗ
ЗАО "Техника-сервис"
ЗиД
КЗК
Кировец-Ландтехник
Клевер
Красная Звезда
Лидагропроммаш
Лидсельмаш
ЛТЗ
Машстройхолдинг
Минитракторы
Мордовагромаш
МТЗ
Навигатор-Новое машиностроение
Нефтекамский автозавод
ПТЗ
Ремком
РСМ
Сибсельмаш
ТеКЗ
ТКЗ
ХЗТСШ
ХТЗ
ЮМЗ
Модель
Не выбрано
Air Double Disc Drill (2009)
Amity-2004 WIC 6 row (2004)
Amity-2007 WIC 6 row (2007)
Amity-2009 WIC 9 row (2009)
Amity-2011 WIC 12 row (2011)
Amity-2011 WIC 6 row (2011)
Amity-2011 WIC 8-6 row (2011)
Amity-2800 (3350) (2012)
Amity-5015/6015 (2012)
Amity-5250 (2012)
Single Disc Drill (2012)
Wic Harvester 12 row 22s (2011)
Wic Harvester 12 row 24s (2011)
Wic Harvester 6 row 22s (2011)
Wic Harvester 6 row 22w (2011)
Wic Harvester 6 row 24s (2011)
Wic Harvester 6 row 30s (2011)
Wic Harvester 6 row 30w (2011)
Wic Harvester 8 row 22s (2011)
Схема
>
Не выбрано
HITCH ASSEMBLY
LIFTER STRUT
LIFTER STRUT - BOTTOM SCRAPER OPTION
HYDRAULIC ROW FINDER №51486
GUARDS AND SHIELDS
DOOR ASSEMBLY
APRON SHAFT
PADDLE SHAFT
PLASTIC PADDLE ASSEMBLY (OPTIONAL)
CLEANING ROLLS
CLEANING ROLL MOUNTING PACKAGE
MAIN DRIVE
MAIN DRIVE: ONBOARD OPTION
CLEANING ROLL DRIVE
APRON/PADDLE SHAFT DRIVE
TANK
ELEVATOR AND BOOM ASSEMBLY
BOOM EXTENSION 50MM/56MM (OPTIONAL)
REAR SCRUB
REAR SCRUB: BELTED CHAIN 56MM
REAR SCRUB: BELTED CHAIN 50MM
REAR SCRUB: 56MM BELTED CHAIN FLANGE
REAR SCRUB: BELTED CHAIN 50 MM INSIDE 56 MM OUTSIDE W/URETHANE
REAR SCRUB: BELTED CHAIN 56 MM INSIDE 50 MM OUTSIDE
REAR SCRUB: HOOK CHAIN 2.38
REAR SCRUB DRIVE: GEARBOX
REAR SCRUB DRIVE: SINGLE MOTOR
REAR SCRUB DRIVE: DUAL MOTOR
STANDARD REAR STRUTS 11.2 X 24
STEERABLE REAR STRUTS
ROW FINDER AND HITCH HYDRAULICS
VALVE GROUP: DUAL MOTOR SCRUB
ANK HYDRAULICS
HYDRAULIC TANK
LIGHT KIT
REVERSE №4 CLEANING ROLL №62107 (OPTIONAL)
HARVESTER STAND №63397 (OPTIONAL)
PTO DRIVELINE №51481 1.75" - 20 SPLINE
PTO DRIVELINE №51480 1.38" - 21 SPLINE
DRIVELINE COMPONENTS
GEARBOX (1.81:1) №63846 (PRIMARY)
GEARBOX (1.81:1) №62396 (PRIMARY: ONBOARD OPTION)
GEARBOX (1.35:1) №63847 (SECONDARY)
GEARBOX (1:1.35) № 63848 (REAR SCRUB)
MOTOR: 13.9 in3 №57687
MOTOR: 32.3 IN3 №57686
HYDRAULIC PUMP №62153
HYDRAULIC CYLINDER: 2.5X16 №58889
HYDRAULIC CYLINDER: 3X8 №58890
HYDRAULIC CYLINDER: 4X8 №58891
HYDRAULIC CYLINDER: 4X10 №62082
FLOW CONTROL VALVE №58985
SELECTOR VALVE №58470
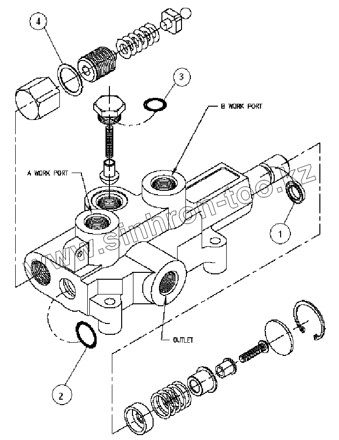
ROW FINDER VALVE №62350
SPROCKET №54824,BELT TIGHTENER №56422
SLIP CLUTCH (IN-LINE) №57926,SLIP CLUTCH/SPOCKET №57993,SLIP CLUTCH/SPOCKET №58335
IDLER PULLEY №56406,SPROCKET IDLER №56851
ROLLERS
SCRUB DRIVELINE ASSEMBLY
BELTED CHAIN LAP JOINT CONNEKTION
REPAIR KIT - BELTED CHAIN №59180
BELTED CHAIN RIVET CUTTER №62802
1
2
3
4
Позиция на иллюстрации
Заводской номер детали
Название детали
62757
62757
Ремкомплект распределителя копира
1
U-CUP
U-CUP
2
O-RING
O-RING
3
O-RING
O-RING
4
ALUMINUMWASHER
ALUMINUM WASHER
Содержащиеся в справочниках-каталогах запасные части и детали не предлагаются к продаже, а носят исключительно информационный характер
Дополнительная информация
×
Название:
Номер:
Примечание: