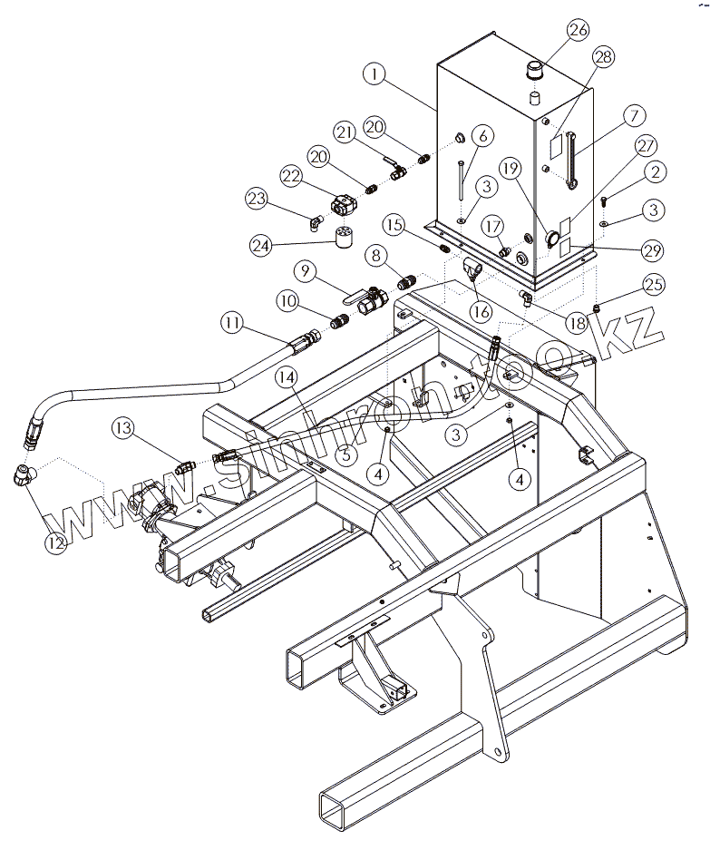
Каталог запасных частей к технике: Amity Wic Harvester 6 row 24s. HYDRAULIC TANK
1
2
3
3
3
4
4
5
6
7
8
9
10
11
12
13
14
15
16
17
18
19
20
20
21
22
23
24
25
26
27
28
29
| Позиция на иллюстрации | Заводской номер детали | Название детали | |
|---|---|---|---|
| 1 | 58079 | Гидробак | |
| 2 | 1011606 | BOLT-HEX: .50 X 1.25 NC GR5 ZP | |
| 3 | 1014443 | WASHER-FLAT: .50 ZP | |
| 4 | 1027461 | NUT-TOPLOCK: .50 NC GR5 ZP | |
| 5 | 58204 | Пластина | |
| 6 | 1032514 | BOLT-HEX | |
| 7 | 58914 | Указатель уровня масла | |
| 8 | 58978 | Фитинг | |
| 9 | 58979 | Кран | |
| 10 | 62209 | Фитинг | |
| 11 | 62210 | Гидрошланг | |
| 12 | 58980 | FTG - ELBOW: 24MB - 20MJ - 90 | |
| 13 | 62212 | FTG - ELBOW: 16MB - 12MJ - 45 | |
| 14 | 59071 | HOSE: 75 X 060 12FJX-12FJX | |
| 15 | 59042 | FTG - ADAPTER: 12MP - 12MJ | |
| 16 | 58190 | VALVE - RELIEF | |
| 17 | 58466 | FTG - ADAPTER: 12MP - 8MP | |
| 18 | 58983 | FTG - ELBOW: 12MP - 12MJ - 90 W/25 FP | |
| 19 | 62518 | GAUGE - PRESSURE: 1/4MP 3000 PSI | |
| 20 | 58196 | Фитинг | |
| 21 | 59165 | Кран | |
| 22 | 58690 | Корпус фильтра | |
| 23 | 59044 | Фитинг | |
| 24 | 58691 | Фильтр | |
| 25 | 55718 | Фитинг | |
| 26 | 58197 | Сапун-крышка | |
| 27 | 62964 | DECAL-WARNING | |
| 28 | 64428 | DECAL - HYD TANK SPECS | |
| 29 | 64429 | DECAL - WARNING BALL VALVE |
Содержащиеся в справочниках-каталогах запасные части и детали не предлагаются к продаже, а носят исключительно информационный характер