Каталог запасных частей к технике: Amity Wic Harvester 6 row 24s. ANK HYDRAULICS
1
2
3
4
5
5
6
7
7
8
9
10
11
11
12
13
14
15
16
16
17
17
17
18
18
19
20
21
22
23
24
25
26
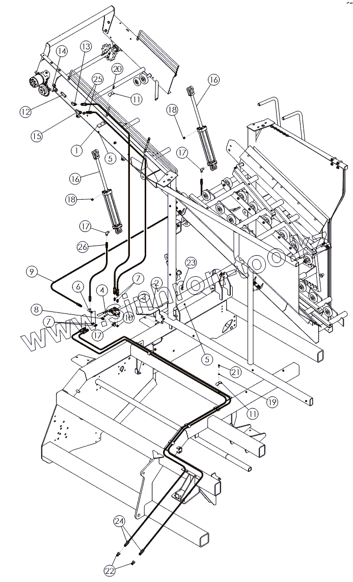
| Позиция на иллюстрации | Заводской номер детали | Название детали | |
|---|---|---|---|
| 1 | 54825 | Крепление гидрошланга | |
| 2 | 62904 | Защитный кронштейн | |
| 3 | 58470 | Клапан переключатель | |
| 4 | 59390 | BOLT-HEX: .38 X 2.25 NC G5 ZP | |
| 5 | 1016999 | NUT-TOPLOCK: .38 NC GR5 ZP | |
| 6 | 56231 | Фитинг | |
| 7 | 56226 | FTG-ADAPTER: 8MB-8MJ | |
| 8 | 30070 | FITTING-RESTRICTOR | |
| 9 | 56233 | Гидрошланг | |
| 10 | 56190 | Фитинг | |
| 11 | 50714 | CLAMP .50 ZP | |
| 12 | 300070 | VALVE - CHECK: 8MB - 8FJ FLOW F>M | |
| 13 | 58515 | FTG-ELBOW: 8MB-8MJ-45 | |
| 14 | 300069 | FTG - ADAPTER: 8FB - 10MB | |
| 15 | 56229 | Фитинг | |
| 16 | 58889 | Гидроцилиндр | |
| 17 | 58557 | Фитинг | |
| 18 | 58547 | Фитинг | |
| 19 | 1011586 | WASHER-LOCK: .38 ZP | |
| 20 | 1011602 | BOLT-HEX: .38 X 1.50 NC GR5 ZP | |
| 21 | 1011600 | BOLT-HEX: .38 X 1.00 NC GR5 ZP | |
| 22 | 36290 | PIONEER TIP 8015-15P | |
| 23 | 50779 | Прижимная пластина | |
| 24 | 1015804 | HOSE .50 X 240-8JICFSW/-8NPTM | |
| 25 | 56235 | Гидрошланг | |
| 26 | 56234 | Гидрошланг |
Содержащиеся в справочниках-каталогах запасные части и детали не предлагаются к продаже, а носят исключительно информационный характер