Каталог запасных частей к технике: Amity Wic Harvester 6 row 22w. TRACTOR HYDRAULIC DRIVE
1
2
2
3
4
5
5
6
6
6
7
7
8
8
9
10
11
12
13
13
14
14
15
16
17
18
19
20
21
22
23
23
24
25
26
27
28
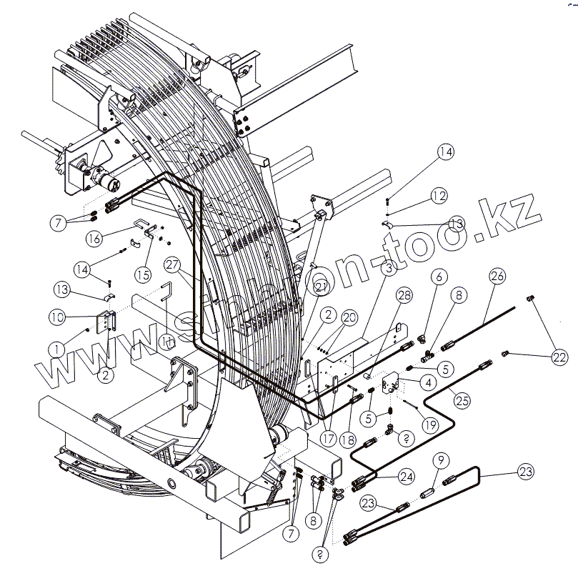
| Позиция на иллюстрации | Заводской номер детали | Название детали | |
|---|---|---|---|
| 1 | 1027461 | NUT-TOPLOCK: .50 NC GR5 ZP | |
| 2 | 1016999 | NUT-TOPLOCK: .38 NC GR5 ZP | |
| 3 | 69020 | WLDMT - BRACKET FLOW CONTROL | |
| 4 | 58985 | VALVE - FLOW CONTROL - 3/4 FP | |
| 5 | 59042 | FTG - ADAPTER: 12MP - 12MJ | |
| 6 | 59041 | FTG-ELBOW: 12MJ-12FJX-90 | |
| 7 | 59043 | FTG - ADAPTER: 10MB - 12MJ | |
| 8 | 59888 | FTG - TEE: 12MJ - 12FJX - 12MJ | |
| 9 | 68179 | VALVE-CHECK: 12MJ-12MJ | |
| 10 | 59182 | BRACKET - HOSE ZP | |
| 11 | 54653 | Стремянка | |
| 12 | 1011586 | WASHER-LOCK: .38 ZP | |
| 13 | 63753 | CLAMP 75 ZP | |
| 14 | 1011603 | BOLT-HEX: .38 X 1.75 NC GR5 ZP | |
| 15 | 59184 | BRACKET - HOSE ZP | |
| 16 | 65658 | U-BOLT .50 X 3 X 2.06 X 3 | |
| 17 | 59881 | BRACKET - BOLT PLATE | |
| 18 | 58176 | Болт | |
| 19 | 1030776 | BOLT - HEX: 25 X 400 NC GR5 | |
| 20 | 1020416 | WASHER-FLAT: .25 ZP | |
| 21 | 1030946 | NUT-TOPLOCK | |
| 22 | 53631 | PIONEER TIP 8010-4 | |
| 23 | 68437 | HOSE: .50 X 14 12FJX-12FJX | |
| 24 | 59071 | HOSE: 75 X 060 12FJX-12FJX | |
| 25 | 64972 | HOSE: 63 X 306 12FJX - 8MP | |
| 26 | 64973 | HOSE: 63 X 240 12FJX - 8MP | |
| 27 | 59805 | HOSE: .75 X 180 12FJX-12FJX | |
| 28 | 59463 | SPACER |
Содержащиеся в справочниках-каталогах запасные части и детали не предлагаются к продаже, а носят исключительно информационный характер