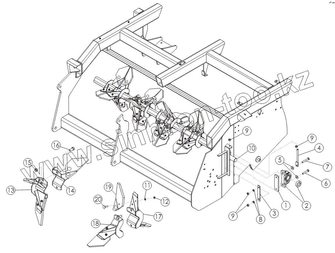
Каталог запасных частей к технике: Amity Wic Harvester 6 row 22w. PADDLE SHAFT
1
2
3
4
5
6
7
8
9
9
9
10
11
12
13
14
15
16
17
18
19
20
| Позиция на иллюстрации | Заводской номер детали | Название детали | |
|---|---|---|---|
| 1 | 57996 | Пластина | |
| 2 | 57997 | Подшипник в сборе | |
| 3 | 57998 | Пластина | |
| 4 | 51365 | Натяжная шпилька | |
| 5 | 1013024 | WASHER-FLAT: .63 ZP | |
| 6 | 1014000 | BOLT-HEX .63 X 3.50 NC GR5 ZP | |
| 7 | 1016726 | Болт | |
| 8 | 1011813 | WASHER-LOCK: .63 ZP | |
| 9 | 1011578 | NUT-HEX: .63 NC GR2 ZP | |
| 10 | 57975 | Вал битеров | |
| 11 | 1011586 | WASHER-LOCK: .38 ZP | |
| 12 | 1011576 | NUT-HEX: .38 NC GR2 ZP | |
| 13 | 50722 | Кронштейн двойной правый | |
| 14 | 50721 | Кронштейн одинарный правый | |
| 15 | 1016595 | NUT-TOPLOCK: .63 NC GR5 ZP | |
| 16 | 1014349 | BOLT-HEX: .63 x 1.50 ND GR5 ZP | |
| 17 | 50719 | Кронштейн двойной левый | |
| 18 | 50720 | Кронштейн одинарный левый | |
| 19 | 51562 | Лопасть | |
| 20 | 1030779 | Болт |
Содержащиеся в справочниках-каталогах запасные части и детали не предлагаются к продаже, а носят исключительно информационный характер