Каталог запасных частей к технике: Amity Wic Harvester 6 row 22s. Осветительные приборы
1
2
3
4
5
5
6
6
7
8
9
10
10
11
12
13
13
13
14
15
16
16
17
18
19
20
21
22
23
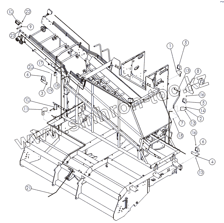
| Позиция на иллюстрации | Заводской номер детали | Название детали | |
|---|---|---|---|
| 1 | 64236 | Кронштейн фонаря левый | |
| 2 | 64235 | Кронштейн фонаря правый | |
| 3 | 64175 | Кронштейн правый | |
| 4 | 64176 | Кронштейн левый | |
| 5 | 65953 | LAMP-RED TAIL | |
| 6 | 65954 | LAMP-AMBER TAIL | |
| 7 | 64290 | Кронштейн знака | |
| 8 | 65329 | SIGN-SMV | |
| 9 | 57168 | Пластина | |
| 10 | 62900 | ASSY - LIGHT FLOOD W/CON | |
| 11 | 62894 | Защитный кронштейн | |
| 12 | 1011595 | BOLT-HEX: .25 X .75 NC GR5 ZP | |
| 13 | 1030946 | NUT-TOPLOCK | |
| 14 | 1011601 | BOLT-HEX: .38 X 1.25 NC GR5 ZP | |
| 15 | 1016999 | NUT-TOPLOCK: .38 NC GR5 ZP | |
| 16 | 1013423 | BOLT-HEX: .25 X 1.00 NC GR5 ZP | |
| 17 | 65341 | MODULE-INTERFACE | |
| 18 | 0100615 | BOLT-HEX: .19 X .75 NC GR5 ZP | |
| 19 | 1012061 | WASHER-LOCK: .75 ZP | |
| 20 | 1011588 | NUT-JAM: .19 NC GR2 ZP | |
| 21 | 64283 | HARNESS - HARVESTER | |
| 22 | 1011606 | BOLT-HEX: .50 X 1.25 NC GR5 ZP | |
| 23 | 1027461 | NUT-TOPLOCK: .50 NC GR5 ZP | |
| 24 | 1013122 | TIE-CABLE, NYLON 14.00 | |
| 25 | 62833 | CLAMP-ADHESIVE BACKED CABLE |
Содержащиеся в справочниках-каталогах запасные части и детали не предлагаются к продаже, а носят исключительно информационный характер