Каталог запасных частей к технике: Amity Wic Harvester 12 row 24s. TANK HYDRAULICS
1
2
3
4
5
6
7
8
9
10
10
11
11
12
13
14
15
16
17
18
18
19
20
21
22
23
24
25
26
27
28
29
30
30
31
32
33
34
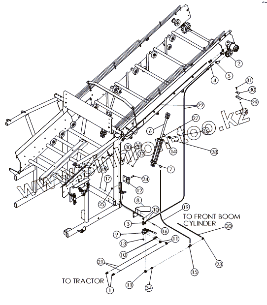
| Позиция на иллюстрации | Заводской номер детали | Название детали | |
|---|---|---|---|
| 59242 | 59242 | Ремкомплект гидроцилиндра стрелы | |
| 1 | 36290 | PIONEER TIP 8015-15P | |
| 2 | 300069 | FTG - ADAPTER: 8FB - 10MB | |
| 3 | 300070 | VALVE - CHECK: 8MB - 8FJ FLOW F>M | |
| 4 | 58515 | FTG-ELBOW: 8MB-8MJ-45 | |
| 5 | 56229 | Фитинг | |
| 6 | 58889 | Гидроцилиндр | |
| 7 | 58557 | Фитинг | |
| 8 | 72469 | GUARD - SELECTOR VALVE PAINTED | |
| 9 | 58470 | Клапан переключатель | |
| 10 | 56226 | FTG-ADAPTER: 8MB-8MJ | |
| 11 | 57668 | FTG-ELBOW: 8MJ-8FJX-90 | |
| 12 | 72754 | WLDMT-CYLINDER LUG | |
| 13 | 56190 | Фитинг | |
| 14 | 58547 | Фитинг | |
| 15 | 56231 | Фитинг | |
| 16 | 59390 | BOLT-HEX: .38 X 2.25 NC G5 ZP | |
| 17 | 1011828 | Шайба | |
| 18 | 1016999 | NUT-TOPLOCK: .38 NC GR5 ZP | |
| 19 | 56234 | Гидрошланг | |
| 20 | 64272 | HOSE: .38 X 80 6FJX-6FJX | |
| 21 | 67380 | HOSE: .50 X 370 8FJX-8MB | |
| 22 | 58378 | Шланг гидравлический 50x182 | |
| 23 | 57897 | FTG-ELBOW: 6MJ-6FJX-90 | |
| 24 | 1013918 | Болт | |
| 25 | 1016595 | NUT-TOPLOCK: .63 NC GR5 ZP | |
| 26 | 72945 | WLDMT-12R BOOM CYLINDER STOP | |
| 27 | 1016211 | BOLT-HEX: .25 X 2.00 NC GR5 | |
| 28 | 1030946 | NUT-TOPLOCK | |
| 29 | 54825 | Крепление гидрошланга | |
| 30 | 50714 | CLAMP .50 ZP | |
| 31 | 1011602 | BOLT-HEX: .38 X 1.50 NC GR5 ZP | |
| 32 | 1011600 | BOLT-HEX: .38 X 1.00 NC GR5 ZP | |
| 33 | 1011586 | WASHER-LOCK: .38 ZP | |
| 34 | 300072 | FITTING - RESTRICTOR |
Содержащиеся в справочниках-каталогах запасные части и детали не предлагаются к продаже, а носят исключительно информационный характер