Вернуться на главную
Поиск
Каталоги запчастей к технике
Сельхозтехника
Amity
Wic Harvester 12 row 24s
PADDLE SHAFT DRIVE
Каталог запасных частей к технике: Amity Wic Harvester 12 row 24s. PADDLE SHAFT DRIVE
zoom-in
zoom-out
enlarge
shrink
circle-right
circle-left
file-text2
info
cart
Тип техники
Не выбрано
Легковые автомобили
Грузовые автомобили и прицепы
Автобусы
Сельхозтехника
Спецтехника
Двигатели
Мототехника
Марка
Не выбрано
AGCO
Amity
CASE IH
DongFeng
Fortschritt
Foton
Franz Kleine
Gaspardo
Great Plains
KRONE
KUHN
Lemken
Lovol
MacDon
Massey Ferguson
New Holland
TIGARBO
Vaderstad
Versatile
Wirax
Агро
Агротехмаш
Бобруйскагромаш (ОАО «УКХ «Бобруйскагромаш»)
БЭМЗ
ВгТЗ
Воронежсельмаш
ВТЗ
Гомсельмаш
ДКЗ
ЗАО "Техника-сервис"
ЗиД
КЗК
Кировец-Ландтехник
Клевер
Красная Звезда
Лидагропроммаш
Лидсельмаш
ЛТЗ
Машстройхолдинг
Минитракторы
Мордовагромаш
МТЗ
Навигатор-Новое машиностроение
Нефтекамский автозавод
ПТЗ
Ремком
РСМ
Сибсельмаш
ТеКЗ
ТКЗ
ХЗТСШ
ХТЗ
ЮМЗ
Модель
Не выбрано
Air Double Disc Drill (2009)
Amity-2004 WIC 6 row (2004)
Amity-2007 WIC 6 row (2007)
Amity-2009 WIC 9 row (2009)
Amity-2011 WIC 12 row (2011)
Amity-2011 WIC 6 row (2011)
Amity-2011 WIC 8-6 row (2011)
Amity-2800 (3350) (2012)
Amity-5015/6015 (2012)
Amity-5250 (2012)
Single Disc Drill (2012)
Wic Harvester 12 row 22s (2011)
Wic Harvester 12 row 24s (2011)
Wic Harvester 6 row 22s (2011)
Wic Harvester 6 row 22w (2011)
Wic Harvester 6 row 24s (2011)
Wic Harvester 6 row 30s (2011)
Wic Harvester 6 row 30w (2011)
Wic Harvester 8 row 22s (2011)
Схема
>
Не выбрано
HITCH ASSEMBLY
LIFTER STRUT
LIFTER STRUT - BOTTOM SCRAPER OPTION
HYDRAULIC ROW FINDER №51486
GUARDS AND SHIELDS FRONT
GUARDS AND SHIELDS REAR
APRON SHAFT 12R24
PADDLE SHAFT 12R24
PLASTIC PADDLE ASSEMBLY (OPTIONAL)
FRONT CLEANING ROLLS 12R24
REAR CLEANING ROLLS
FRONT CLEANING ROLL MOUNTING PACKAGE
REAR CLEANING ROLL MOUNTING PACKAGE
MAIN DRIVE 12R24
MAIN DRIVE - SIDE COMPONENTS
APRON SHAFT DRIVE
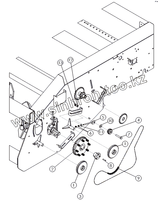
PADDLE SHAFT DRIVE
HYDRAULIC PADDLE DRIVE (OPTIONAL)
MAIN DRIVE REAR
FRONT CLEANING ROLL DRIVE
REAR CLEANING ROLL DRIVE
JUMP CHAIN
STANDARD JUMP CHAIN DRIVE
EXTENDED JUMP CHAIN DRIVE
TANK ASSEMBLY 12R24
ELEVATOR ASSEMBLY
ELEVATOR BOOM
REAR SCRUB
REAR SCRUB: BELTED CHAIN
REAR SCRUB DRIVE
ROLL BED LIFT
AXLE COMPONENTS
STEERABLE STRUT ASSEMBLY
STEERING INDICATOR ASSEMBLY
SPINDLE & HUB ASSEMBLY
LIGHT KIT
HYDRAULIC PADDLE DRIVE HYDRAULICS
AXLE HYDRAULICS
STEERABLE STRUT HYDRAULICS
ROW FINDER AND HITCH HYDRAULICS
VALVE GROUP: DUAL MOTOR SCRUB
TANK HYDRAULICS
HYDRAULIC TANK
REVERSE №4 CLEANING ROLL №62107 (OPTIONAL)
HARVESTER STAND №63397 (OPTIONAL)
PTO DRIVELINE №51481 1.75" - 20 SPLINE
GEARBOX (1.82:1) №73131 - 4 WAY
GEARBOX (1.81:1) №62015
SELECTOR VALVE №58470
ROW FINDER VALVE №62350
SPROCKET №54824
BELT TIGHTENER №72749
BELT TIGHTENER №72058 & 72753
SLIP CLUTCH/SPOCKET №72030
SLIP CLUTCH/SPOCKET №58335
SLIP CLUTCH/SPOCKET №57993
IDLER PULLEY №56406, SPROCKET IDLER №56851
ROLLE
BELTED CHAIN LAP JOINT CONNECTION
3 BELT SCRUB CHAIN - LAP JOINT
BELTED CHAIN RIVET CUTTER №62802
1
1
2
3
4
5
6
7
8
9
10
11
12
13
Позиция на иллюстрации
Заводской номер детали
Название детали
1
56851
Направляющий ролик
2
57993
Звезда в сборе с муфтой
3
50385
Переходная коническая втулка
4
72080
IDLEMASTER 3.24 X .75
5
56864
Регулировочная шпилька
6
1011577
NUT-HEX
7
1011625
BOLT-HEX .75 X 4.00 NC GR5 ZP
8
57995
Шпонка 50х.50х2.0
9
72092
CHAIN-ROLLER 80H-1R-122
10
1030702
WASHER-FLAT: .75 ZP
11
1014443
WASHER-FLAT: .50 ZP
12
1012061
WASHER-LOCK: .75 ZP
13
1011620
NUT-HEX: .75 NC GR2 ZP
Содержащиеся в справочниках-каталогах запасные части и детали не предлагаются к продаже, а носят исключительно информационный характер
Дополнительная информация
×
Название:
Номер:
Примечание: