Каталог запасных частей к технике: Amity Wic Harvester 12 row 24s. MAIN DRIVE REAR
1
2
3
3
4
5
5
6
6
7
7
7
8
8
8
9
10
10
11
12
13
14
15
16
17
18
19
20
20
20
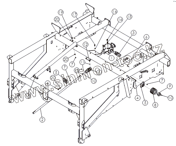
| Позиция на иллюстрации | Заводской номер детали | Название детали | |
|---|---|---|---|
| 1 | 62015 | GEARBOX-PRAIRIE C-MOUNT | |
| 2 | 73142 | SHAFT-DRIVE 12R REAR | |
| 3 | 53642 | Карданное соединение | |
| 4 | 72755 | SHAFT-REAR DRIVE 12R | |
| 5 | 52404 | BEARING-FLANGE 1.75 | |
| 6 | 1011608 | BOLT-HEX: .50 X 1.75 NC GR5 ZP | |
| 7 | 1027461 | NUT-TOPLOCK: .50 NC GR5 ZP | |
| 8 | 56646 | Шкив | |
| 8 | 56647 | Шкив | |
| 8 | 53668 | Шкив | |
| 9 | 50335 | Переходная коническая втулка | |
| 10 | 50152 | KEY .38 X .38 X 2.00 | |
| 11 | 1013519 | NUT-JAM: .38 NC GR2 ZP | |
| 12 | 1030709 | SCREW-SET: C-P .38 X 1.00 NC GR8 | |
| 13 | 1030708 | SCREW-SET: C-P .38 X .75 NC GR8 | |
| 14 | 55730 | Сапун 2 | |
| 15 | 69128 | Сапун 1 | |
| 16 | 1011813 | WASHER-LOCK: .63 ZP | |
| 17 | 1032509 | BOLT-HEX: .63 X 1.25 NC GR5 ZP | |
| 18 | 72998 | WLDMT-BEARING MOUNT | |
| 19 | 1011607 | BOLT-HEX | |
| 20 | 1014443 | WASHER-FLAT: .50 ZP |
Содержащиеся в справочниках-каталогах запасные части и детали не предлагаются к продаже, а носят исключительно информационный характер