Каталог запасных частей к технике: Amity Wic Harvester 12 row 24s. HYDRAULIC TANK
1
2
3
3
3
4
4
5
6
7
8
9
10
11
12
13
14
14
15
15
16
17
18
19
20
21
21
22
23
24
25
26
27
28
29
30
31
32
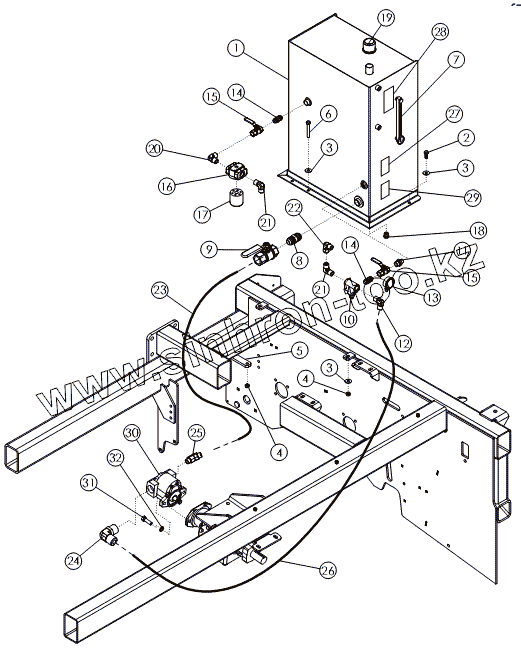
| Позиция на иллюстрации | Заводской номер детали | Название детали | |
|---|---|---|---|
| 1 | 58079 | Гидробак | |
| 2 | 1011606 | BOLT-HEX: .50 X 1.25 NC GR5 ZP | |
| 3 | 1014443 | WASHER-FLAT: .50 ZP | |
| 4 | 1027461 | NUT-TOPLOCK: .50 NC GR5 ZP | |
| 5 | 58204 | Пластина | |
| 6 | 1011612 | BOLT-HEX: .50 X 3.50 NC GR5 ZP | |
| 7 | 58914 | Указатель уровня масла | |
| 8 | 58978 | Фитинг | |
| 9 | 58979 | Кран | |
| 10 | 64686 | VALVE-RELIEF | |
| 11 | 58466 | FTG - ADAPTER: 12MP - 8MP | |
| 12 | 58983 | FTG - ELBOW: 12MP - 12MJ - 90 W/25 FP | |
| 13 | 62518 | GAUGE - PRESSURE: 1/4MP 3000 PSI | |
| 14 | 58196 | Фитинг | |
| 15 | 59165 | Кран | |
| 16 | 58690 | Корпус фильтра | |
| 17 | 58691 | Фильтр | |
| 18 | 55718 | Фитинг | |
| 19 | 58197 | Сапун-крышка | |
| 20 | 72590 | FTG-ELBOW: 12MP-12MP-90 | |
| 21 | 59044 | Фитинг | |
| 22 | 59041 | FTG-ELBOW: 12MJ-12FJX-90 | |
| 23 | 72264 | HOSE: 1.25 X 36 20MP-20FJX | |
| 24 | 64061 | FTG-ELBOW: 16MB-12MJ-90 | |
| 25 | 72559 | FTG-ELBOW: 20MB-20MJ-45 | |
| 26 | 59802 | HOSE: .75 X 52 12FJX-12FJX | |
| 27 | 62964 | DECAL-WARNING | |
| 28 | 64428 | DECAL - HYD TANK SPECS | |
| 29 | 64429 | DECAL - WARNING BALL VALVE | |
| 30 | 72293 | PUMP - 5.1A3 SAE C | |
| 31 | 1011623 | BOLT-HEX: .63 X 2.00 NC GR5 ZP | |
| 32 | 1011813 | WASHER-LOCK: .63 ZP |
Содержащиеся в справочниках-каталогах запасные части и детали не предлагаются к продаже, а носят исключительно информационный характер