Каталог запасных частей к технике: Amity Wic Harvester 12 row 24s. GUARDS AND SHIELDS REAR
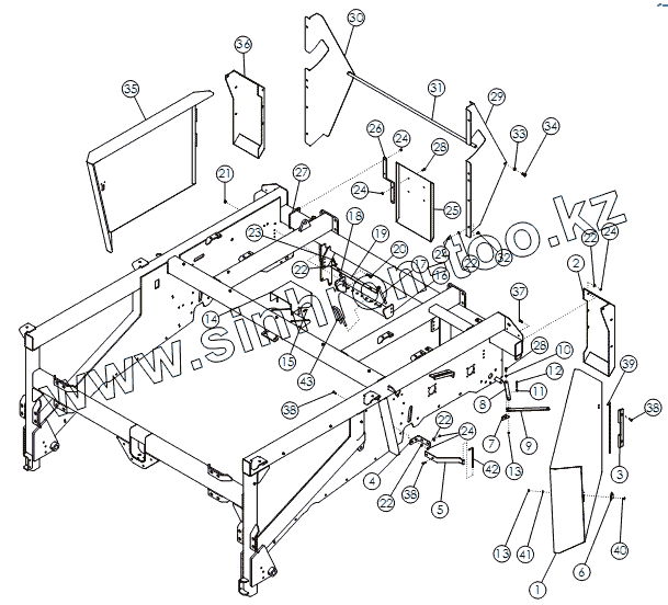
1
2
3
4
5
6
7
8
9
10
11
12
13
13
14
15
16
17
18
19
20
21
22
22
22
22
22
23
24
24
24
24
24
25
26
27
28
28
29
30
31
32
33
34
35
36
37
38
38
38
39
40
41
42
43
| Позиция на иллюстрации | Заводской номер детали | Название детали | |
|---|---|---|---|
| 1 | 72876 | WLDMT-REAR DOOR LH | |
| 2 | 72878 | WLDMT-REAR DOOR SUPPORT LH | |
| 3 | 72680 | WLDMT-DOOR HINGE | |
| 4 | 72882 | PLATE-DOOR LOCK BRKT | |
| 5 | 72883 | WLDMT-DOOR LOCK | |
| 6 | 72895 | WLDMT-DOOR RETAINER | |
| 7 | 72907 | PLATE-DOOR TAB REAR | |
| 8 | 72692 | PLATE-DOOR LOCK | |
| 9 | 72694 | WLDMT-DOOR LOCK | |
| 10 | 51973 | BUSHING-LINKAGE | |
| 11 | 65278 | SPRING-SCRAPER | |
| 12 | 1011285 | BOLT-HEX .31 X 2.00 NC | |
| 13 | 1030700 | NUT-TOPLOCK: .31 NC GR5 ZP | |
| 14 | 72702 | WLDMT-GEARBOX COVER | |
| 15 | 53687 | Клипса 14x1.94 ZP | |
| 16 | 72820 | WLDMT-REAR MOUNT 12R | |
| 17 | 58009 | Палец | |
| 18 | 58446 | Втулка | |
| 19 | 72822 | PLATE-RETAINER STRIP 12R | |
| 20 | 1011608 | BOLT-HEX: .50 X 1.75 NC GR5 ZP | |
| 21 | 1027461 | NUT-TOPLOCK: .50 NC GR5 ZP | |
| 22 | 1011828 | Шайба | |
| 23 | 1011603 | BOLT-HEX: .38 X 1.75 NC GR5 ZP | |
| 24 | 1016999 | NUT-TOPLOCK: .38 NC GR5 ZP | |
| 25 | 72910 | WLDMT-REAR SHIELD 12R | |
| 26 | 72441 | PLATE-REAR SHIELD MNT | |
| 27 | 64364 | U-BOLT .38 X 5.13 X 6.00 X 5.13 | |
| 28 | 1011600 | BOLT-HEX: .38 X 1.00 NC GR5 ZP | |
| 29 | 72770 | GUARD-REAR SCRUB LH | |
| 30 | 72771 | GUARD-REAR SCRUB RH | |
| 31 | 72322 | PIPE-THREADED | |
| 32 | 59488 | BOLT-CRG .38 X 1.00 NC GR5 ZP | |
| 33 | 1011813 | WASHER-LOCK: .63 ZP | |
| 34 | 1032275 | BOLT - HEX: 63 X 100 NC GR5 ZP | |
| 35 | 72877 | WLDMT-REAR DOOR RH | |
| 36 | 72879 | WLDMT-REAR DOOR SUPPORT RH | |
| 37 | 1011601 | BOLT-HEX: .38 X 1.25 NC GR5 ZP | |
| 38 | 1016362 | BOLT-CRG: .38 X 1.25 NC GR5 ZP | |
| 39 | 51303 | DOOR HINGE ROD ZP | |
| 40 | 65702 | BOLT-CRG: .31 X 0.75 NC GR5 ZP | |
| 41 | 1011583 | WASHER-FLAT: .31 ZP | |
| 42 | 51304 | DOOR LOCK ZP | |
| 43 | 69117 | U ROD ZP |
Содержащиеся в справочниках-каталогах запасные части и детали не предлагаются к продаже, а носят исключительно информационный характер