Каталог запасных частей к технике: Amity Wic Harvester 12 row 24s. APRON SHAFT 12R24
1
2
2
3
4
5
6
7
7
8
8
9
9
9
9
10
10
11
12
12
13
14
15
16
17
18
19
19
19
20
21
22
23
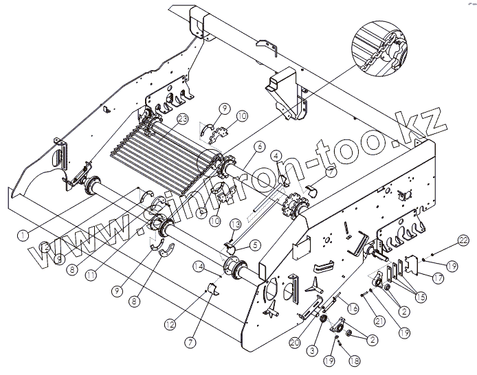
| Позиция на иллюстрации | Заводской номер детали | Название детали | |
|---|---|---|---|
| 1 | 300627 | WLDMT- BOTTOM APRON SHAFT 12R24 | |
| 2 | 52405 | BEARING-PILLOW 1-3/4 | |
| 3 | 52382 | SEAL PROTECTOR 1.75 | |
| 4 | 64162 | Труба | |
| 5 | 64161 | Пруток | |
| 6 | 300625 | WLDMT-TOP APRON SHAFT 12R24 | |
| 7 | 64159 | Скоба | |
| 8 | 58322 | Поддерживающий полуролик | |
| 9 | 62836 | Полудиск | |
| 10 | 58318 | SPROCKET - HALF 238 ZP | |
| 11 | 1011725 | BOLT-HEX: .38 X 2.00 NC GR5 ZP | |
| 12 | 1016999 | NUT-TOPLOCK: .38 NC GR5 ZP | |
| 13 | 64991 | BOLT - HEX: 38 X 125 NC GR8 ZP | |
| 14 | 1011828 | Шайба | |
| 15 | 56672 | Регулировочные пластины | |
| 16 | 72606 | WLDMT-ADJUSTER LOWER APRON ZP | |
| 17 | 72472 | GUARD-BELT | |
| 18 | 1017708 | BOLT-HEX: .50 X 2.25 NC GR5 ZP | |
| 19 | 1014443 | WASHER-FLAT: .50 ZP | |
| 20 | 1011577 | NUT-HEX | |
| 21 | 1011611 | BOLT-HEX: .50 X 3.00 NC GR5 ZP | |
| 22 | 1027461 | NUT-TOPLOCK: .50 NC GR5 ZP | |
| 23 | 64824 | CHAIN 1/2 X 46 X 2.38 |
Содержащиеся в справочниках-каталогах запасные части и детали не предлагаются к продаже, а носят исключительно информационный характер