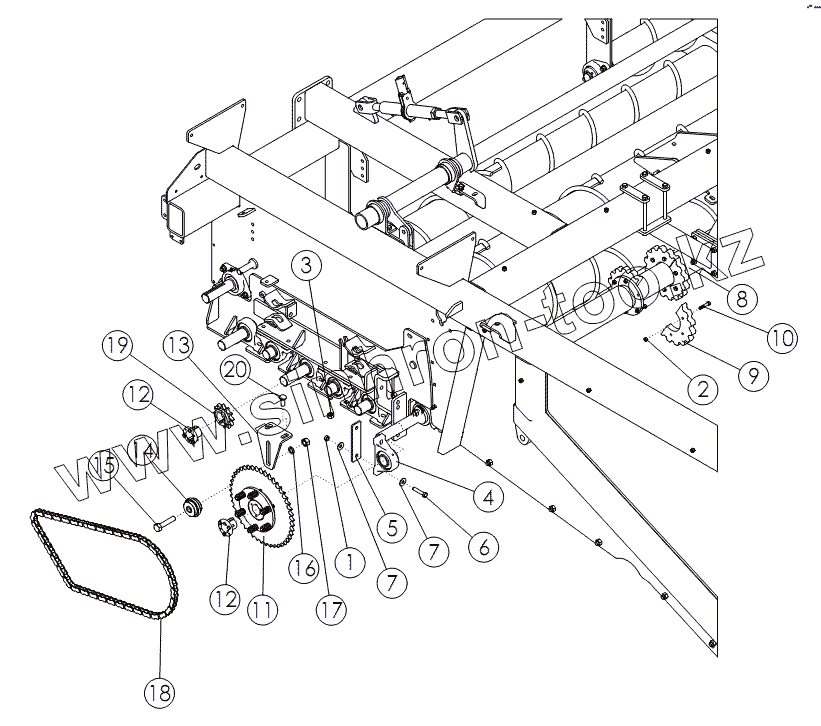
Каталог запасных частей к технике: Amity Wic Harvester 12 row 22s. STANDARD JUMP CHAIN DRIVE
1
2
3
4
5
6
7
7
8
9
10
11
12
12
13
14
15
16
17
18
19
20
| Позиция на иллюстрации | Заводской номер детали | Название детали | |
|---|---|---|---|
| 1 | 1027461 | NUT-TOPLOCK: .50 NC GR5 ZP | |
| 2 | 1016999 | NUT-TOPLOCK: .38 NC GR5 ZP | |
| 3 | 1016595 | NUT-TOPLOCK: .63 NC GR5 ZP | |
| 4 | 52405 | BEARING-PILLOW 1-3/4 | |
| 5 | 56672 | Регулировочные пластины | |
| 6 | 1011610 | Болт | |
| 7 | 1014443 | WASHER-FLAT: .50 ZP | |
| 8 | 72701 | WLDMT-TOP JUMP SHAFT 52 12R | |
| 9 | 69305 | SPROCKET-HALF 45MM 16T 1 THICK | |
| 10 | 1011725 | BOLT-HEX: .38 X 2.00 NC GR5 ZP | |
| 11 | 58335 | Звезда в сборе с муфтой | |
| 12 | 53641 | Переходная коническая втулка | |
| 13 | 72880 | PLATE-IDLER MOUNT | |
| 14 | 72080 | IDLEMASTER 3.24 X .75 | |
| 15 | 58369 | BOLT-HEX: .75 X 3.50 NC GR5 ZP | |
| 16 | 1012061 | WASHER-LOCK: .75 ZP | |
| 17 | 1011620 | NUT-HEX: .75 NC GR2 ZP | |
| 18 | 72881 | CHAIN-ROLLER 80H-1R-176 | |
| 19 | 62034 | Звездочка | |
| 20 | 72063 | BOLT-HEX: .63 X 1.50 NC GR5 ZP |
Содержащиеся в справочниках-каталогах запасные части и детали не предлагаются к продаже, а носят исключительно информационный характер