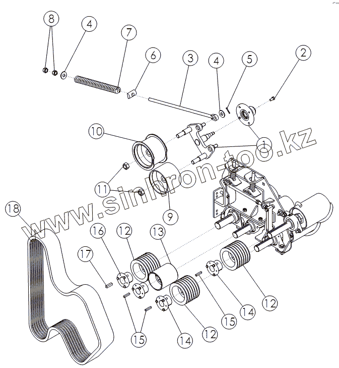
Каталог запасных частей к технике: Amity Wic Harvester 12 row 22s. FRONT CLEANING ROLL DRIVE
1
2
3
4
4
5
6
7
8
9
10
11
12
12
12
13
14
14
15
15
16
17
18
| Позиция на иллюстрации | Заводской номер детали | Название детали | |
|---|---|---|---|
| 1 | 72058 | ASSY-SPINDLE AND HUB | |
| 2 | 1015558 | BOLT-HEX .50 X 1.00 NF GR5 ZP | |
| 3 | 72057 | ROD END .75 X 27.50 | |
| 4 | 1030702 | WASHER-FLAT: .75 ZP | |
| 5 | 1012375 | PIN-COTTER: .19 X 1.50 NP | |
| 6 | 56680 | Плавающая шайба | |
| 7 | 56853 | Пружина | |
| 8 | 1011620 | NUT-HEX: .75 NC GR2 ZP | |
| 9 | 50387 | Натяжной ролик | |
| 10 | 57933 | Натяжной ролик с ребордами | |
| 11 | 1016969 | NUT-TOPLOCK: 1.00 NC GR5 ZP | |
| 12 | 56646 | Шкив | |
| 13 | 56396 | Шкив гладкий | |
| 14 | 50335 | Переходная коническая втулка | |
| 15 | 50152 | KEY .38 X .38 X 2.00 | |
| 16 | 50385 | Переходная коническая втулка | |
| 17 | 57995 | Шпонка 50х.50х2.0 | |
| 18 | 72056 | V-BELT 6B108 |
Содержащиеся в справочниках-каталогах запасные части и детали не предлагаются к продаже, а носят исключительно информационный характер