Каталог запасных частей к технике: Amity Single Disc Drill. FERTILIZER BANDER NH3 AND DRY OPTION
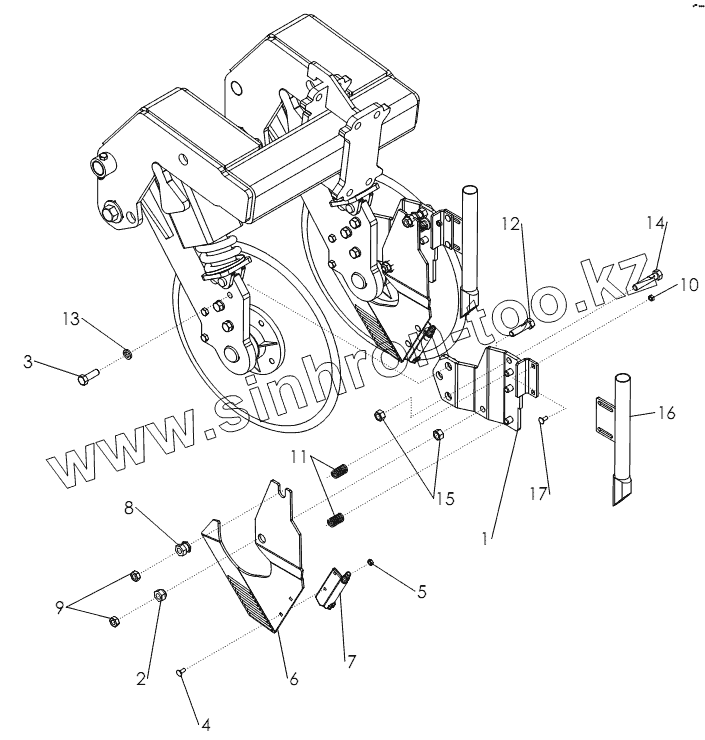
1
2
3
4
5
6
7
8
9
10
11
12
13
14
15
16
17
| Позиция на иллюстрации | Заводской номер детали | Название детали | |
|---|---|---|---|
| 320387 | 320387 | ASSY-MRB SCRAPER BACK LH | |
| 35812 | 35812 | SCRAPER-MRB RH | |
| 1 | 320388 | ASSY-MRB SCRAPER BACK RH | |
| 2 | 35629 | NUT-COLLAR SCRAPER | |
| 3 | 1011608 | BOLT-HEX: .50 X 1.75 NC GR5 ZP | |
| 4 | 68602 | BOLT-CRG: .25 X .75 NC GR5 ZP | |
| 5 | 1030946 | NUT-TOPLOCK | |
| 6 | 35813 | SCRAPER-MRB LH SH | |
| 7 | 320408 | BOOT-ANHYDROUS INJECTOR NYLON | |
| 8 | 35628 | NUT-GROOVED SCRAPER | |
| 9 | 1011591 | NUT-JAM: .50 NC GR2 ZP | |
| 10 | 67077 | NUT-FLANGE SERR .31 NC GR2 ZP | |
| 11 | 34516 | SPRING- COMPRESSION ZP | |
| 12 | 36182 | BOLT-HEX .50 X 2.00 NC GR8 YZP F | |
| 13 | 1011581 | WASHER-LOCK | |
| 14 | 36183 | BOLT-HEX .50 X 2.50 NC GR8 YZP F NDP | |
| 15 | 36189 | NUT-HEX .50 NC GR8 YZP | |
| 16 | 320390 | WLDMT-DRY TUBE | |
| 17 | 65702 | BOLT-CRG: .31 X 0.75 NC GR5 ZP |
Содержащиеся в справочниках-каталогах запасные части и детали не предлагаются к продаже, а носят исключительно информационный характер